第44页
- 第1页
- 第2页
- 第3页
- 第4页
- 第5页
- 第6页
- 第7页
- 第8页
- 第9页
- 第10页
- 第11页
- 第12页
- 第13页
- 第14页
- 第15页
- 第16页
- 第17页
- 第18页
- 第19页
- 第20页
- 第21页
- 第22页
- 第23页
- 第24页
- 第25页
- 第26页
- 第27页
- 第28页
- 第29页
- 第30页
- 第31页
- 第32页
- 第33页
- 第34页
- 第35页
- 第36页
- 第37页
- 第38页
- 第39页
- 第40页
- 第41页
- 第42页
- 第43页
- 第44页
- 第45页
- 第46页
- 第47页
- 第48页
- 第49页
- 第50页
- 第51页
- 第52页
- 第53页
- 第54页
- 第55页
- 第56页
- 第57页
- 第58页
- 第59页
- 第60页
- 第61页
- 第62页
- 第63页
- 第64页
- 第65页
- 第66页
- 第67页
- 第68页
9. 在图 17 - 2 - 4 所示的电路中,$ R_{1} = 5 \Omega $,当开关 $ \mathrm{S} $ 闭合时,$ I = 0.6 \mathrm{A} $,$ I_{1} = 0.4 \mathrm{A} $,求 $ R_{2} $ 的电阻值。

答案:
$R_1$两端电压U=$I_1R_1=0.4\ A×5\ \Omega=2\ V$,并联电路中各支路两端电压相等,等于电源电压,$R_2$两端电压等于U
干路电流等于各支路电流之和$I_2=I-I_1=0.6\ A-0.4\ A=0.2\ A$
根据欧姆定律$R_2=\frac{U}{I_2}=\frac{2\ V}{0.2\ A}=10\Omega$
干路电流等于各支路电流之和$I_2=I-I_1=0.6\ A-0.4\ A=0.2\ A$
根据欧姆定律$R_2=\frac{U}{I_2}=\frac{2\ V}{0.2\ A}=10\Omega$
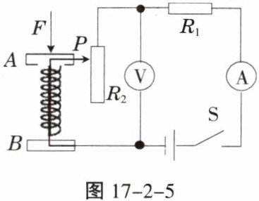
10. 小龙同学设计了一电子握力计,如图 17 - 2 - 5 是握力计的原理图,其中弹簧上端和滑动变阻器 $ R_{2} $ 的滑片 $ \mathrm{P} $ 固定在一起,$ AB $ 间有可收缩的导线,$ R_{1} $ 是保护电阻。

(1)当握力增加时,电流表的示数会
(2)利用欧姆定律分析,当握力增加时电压表示数的变化原理。
(1)当握力增加时,电流表的示数会
减小
,电压表的示数会增大
,按照变化规律应将电压
表改装为握力示数表。(2)利用欧姆定律分析,当握力增加时电压表示数的变化原理。
当握力增加时,$R_2$变大,因为串联电路,R变大,由I=$\frac{U}{R}$得,U一定,I变小,$I_1$也变小,由$U_1=I_1R_1$,$R_1$一定,$U_1$变小,由$U_2=U-U_1$得,$U_2$变大,电压表的示数变大。
答案:
(1)减小 增大 电压
(2)当握力增加时,$R_2$变大,因为串联电路,R变大,由I=$\frac{U}{R}$得,U一定,I变小,$I_1$也变小,由$U_1=I_1R_1$,$R_1$一定,$U_1$变小,由$U_2=U-U_1$得,$U_2$变大,电压表的示数变大。
(1)减小 增大 电压
(2)当握力增加时,$R_2$变大,因为串联电路,R变大,由I=$\frac{U}{R}$得,U一定,I变小,$I_1$也变小,由$U_1=I_1R_1$,$R_1$一定,$U_1$变小,由$U_2=U-U_1$得,$U_2$变大,电压表的示数变大。
11. 在实验中绝不允许把电流表直接与电源两极相连,请你用欧姆定律分析其中的道理。
答案:
由于电流表电阻值很小,根据欧姆定律I=U/R知,电路中电流很大,因而直接把电流表与电源两极相连会烧毁电流表。
12. 某小组的同学在探究欧姆定律时,采用了图 17 - 2 - 6 甲所示的电路图,实验中他们选用的定值电阻分别是 $ 5 \Omega $、$ 10 \Omega $、$ 15 \Omega $,电源电压是 $ 3 \mathrm{V} $,滑动变阻器的阻值范围是 $ 0 \sim 20 \Omega $。
(1)他们在探究某一因素变化对电流的影响时,采用______法,实验分两步进行:
① 保持电阻不变,探究电流与电压的关系;② 保持电压不变,探究电流与电阻的关系。
(2)根据图 17 - 2 - 6 甲的电路图连接乙图的实物图。
(3)闭合开关后移动滑动变阻器滑片发现,电流表和电压表的指针来回摆动并不稳定,发生该现象的原因可能是______。

(4)排除故障后,同学们继续进行实验,一位同学在探究电流与电阻的关系时,首先选择 $ 5 \Omega $ 的定值电阻做实验,读取完电流表示数后,直接拆下 $ 5 \Omega $ 的定值电阻改换成 $ 10 \Omega $ 的定值电阻,并立即读出电流表示数,他认为这样操作简捷高效,那么,请你指出他在操作中的两个错误:
① ______;
② ______。
(5)在研究电阻对电流的影响时,同学们根据正确的实验数据作出了电流与电阻的关系图象,如图丙所示,则在实验过程中电压表的示数应为______$\mathrm{V}$。
(6)由图 17 - 2 - 10 丙可以得出什么结论:______。
(1)他们在探究某一因素变化对电流的影响时,采用______法,实验分两步进行:
① 保持电阻不变,探究电流与电压的关系;② 保持电压不变,探究电流与电阻的关系。
(2)根据图 17 - 2 - 6 甲的电路图连接乙图的实物图。
(3)闭合开关后移动滑动变阻器滑片发现,电流表和电压表的指针来回摆动并不稳定,发生该现象的原因可能是______。
(4)排除故障后,同学们继续进行实验,一位同学在探究电流与电阻的关系时,首先选择 $ 5 \Omega $ 的定值电阻做实验,读取完电流表示数后,直接拆下 $ 5 \Omega $ 的定值电阻改换成 $ 10 \Omega $ 的定值电阻,并立即读出电流表示数,他认为这样操作简捷高效,那么,请你指出他在操作中的两个错误:
① ______;
② ______。
(5)在研究电阻对电流的影响时,同学们根据正确的实验数据作出了电流与电阻的关系图象,如图丙所示,则在实验过程中电压表的示数应为______$\mathrm{V}$。
(6)由图 17 - 2 - 10 丙可以得出什么结论:______。
答案:
(1)控制变量
(2)

(3)滑动变阻器滑片接触不良
(4)①改接电路时没有断开开关;②更换电阻后没有移动滑片使电阻两端电压保持不变
(5)2.5
(6)电压一定时,通过导体的电流与导体电阻成反比
(1)控制变量
(2)
(3)滑动变阻器滑片接触不良
(4)①改接电路时没有断开开关;②更换电阻后没有移动滑片使电阻两端电压保持不变
(5)2.5
(6)电压一定时,通过导体的电流与导体电阻成反比
查看更多完整答案,请扫码查看