第42页
- 第1页
- 第2页
- 第3页
- 第4页
- 第5页
- 第6页
- 第7页
- 第8页
- 第9页
- 第10页
- 第11页
- 第12页
- 第13页
- 第14页
- 第15页
- 第16页
- 第17页
- 第18页
- 第19页
- 第20页
- 第21页
- 第22页
- 第23页
- 第24页
- 第25页
- 第26页
- 第27页
- 第28页
- 第29页
- 第30页
- 第31页
- 第32页
- 第33页
- 第34页
- 第35页
- 第36页
- 第37页
- 第38页
- 第39页
- 第40页
- 第41页
- 第42页
- 第43页
- 第44页
- 第45页
- 第46页
- 第47页
- 第48页
- 第49页
- 第50页
- 第51页
- 第52页
- 第53页
- 第54页
- 第55页
- 第56页
- 第57页
- 第58页
- 第59页
- 第60页
- 第61页
- 第62页
- 第63页
- 第64页
- 第65页
- 第66页
- 第67页
- 第68页
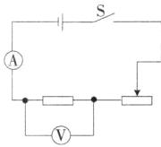
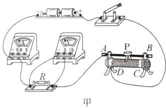
7. 下面为探究“电流与电压和电阻的关系”的实验:
(1)用笔画线代替导线将图17-1-4中实物图甲连接完整,要求:滑动变阻器的滑片$P$向右移动时,电流表的示数变小。根据你连的实物图在虚线框乙内画出电路图。
(2)探究“电流与电压的关系”时,某小组在$ab间接入电阻R_{1}$,移动滑片$P$,将测量数据记录在表一中,当电压表示数为$2.0V$时,对应的电流值如图17-1-4丙所示,为____A。另一小组使用其他阻值的电阻$R_{2}$,测量数据如表二所示,其中图线____(选填“$a$”或“$b$”)表示的是$R_{1}的I-U$图象。

表一($R_{1}$)

表二($R_{2}$)

【实验反思】
- (1)进行该实验时____(“能”或“不能”)用灯泡代替电阻$R_{1}或R_{2}$,理由是:____。
- (2)还有小组在实验中得出“在电阻一定时,导体中的电流随电压的增大而减少”的结论。老师观察并检查了他们连接的电路后,告诉他们:电路连接存在问题。你认为原因可能是:____。
(1)用笔画线代替导线将图17-1-4中实物图甲连接完整,要求:滑动变阻器的滑片$P$向右移动时,电流表的示数变小。根据你连的实物图在虚线框乙内画出电路图。
(2)探究“电流与电压的关系”时,某小组在$ab间接入电阻R_{1}$,移动滑片$P$,将测量数据记录在表一中,当电压表示数为$2.0V$时,对应的电流值如图17-1-4丙所示,为____A。另一小组使用其他阻值的电阻$R_{2}$,测量数据如表二所示,其中图线____(选填“$a$”或“$b$”)表示的是$R_{1}的I-U$图象。
表一($R_{1}$)
表二($R_{2}$)
【实验反思】
- (1)进行该实验时____(“能”或“不能”)用灯泡代替电阻$R_{1}或R_{2}$,理由是:____。
- (2)还有小组在实验中得出“在电阻一定时,导体中的电流随电压的增大而减少”的结论。老师观察并检查了他们连接的电路后,告诉他们:电路连接存在问题。你认为原因可能是:____。
答案:
(1)

(2)0.4 b
【实验反思】
(1)不能 理由是:灯丝电阻随温度的变化而变化,不是定值
(2)电压表与滑动变阻器并联了
(1)
(2)0.4 b
【实验反思】
(1)不能 理由是:灯丝电阻随温度的变化而变化,不是定值
(2)电压表与滑动变阻器并联了
查看更多完整答案,请扫码查看