第2页
- 第1页
- 第2页
- 第3页
- 第4页
- 第5页
- 第6页
- 第7页
- 第8页
- 第9页
- 第10页
- 第11页
- 第12页
- 第13页
- 第14页
- 第15页
- 第16页
- 第17页
- 第18页
- 第19页
- 第20页
- 第21页
- 第22页
- 第23页
- 第24页
- 第25页
- 第26页
- 第27页
- 第28页
- 第29页
- 第30页
- 第31页
- 第32页
- 第33页
- 第34页
- 第35页
- 第36页
- 第37页
- 第38页
- 第39页
- 第40页
- 第41页
- 第42页
- 第43页
- 第44页
- 第45页
- 第46页
- 第47页
- 第48页
- 第49页
- 第50页
- 第51页
- 第52页
- 第53页
- 第54页
- 第55页
- 第56页
- 第57页
- 第58页
- 第59页
- 第60页
- 第61页
- 第62页
- 第63页
- 第64页
- 第65页
- 第66页
- 第67页
- 第68页
- 第69页
- 第70页
- 第71页
- 第72页
- 第73页
- 第74页
- 第75页
- 第76页
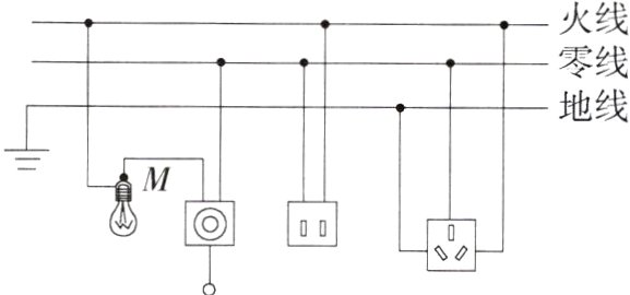
8. (2023山东济宁期末,8,★☆☆)如图所示是某同学设计的家庭电路,闭合灯泡开关后。下列说法正确的是 ( )

A. 灯泡和两孔插座是串联的
B. 用验电笔测试M点,氖管不发光
C. 开关和三孔插座的连接是正确的
D. 将验电笔插入两孔插座的左孔,氖管发光
A. 灯泡和两孔插座是串联的
B. 用验电笔测试M点,氖管不发光
C. 开关和三孔插座的连接是正确的
D. 将验电笔插入两孔插座的左孔,氖管发光
答案:
B 灯泡和两孔插座工作时互不影响,所以是并联的,故A错误;M点与零线连接,所以用验电笔接触M点时,氖管不发光,故B正确;开关应接到火线和用电器之间,三孔插座的左孔应接零线,右孔应接火线,上孔应接地线,故C错误;两孔插座的左孔与零线相连,所以将验电笔插入两孔插座的左孔,氖管不发光,故D错误。
9. (2023安徽中考,8,★☆☆)如图,在老师的指导下,小军用验电笔试触某插座的插孔,用指尖抵住笔尾金属体,验电笔的氖管发光,此时_______(选填“有”或“没有”)电流通过小军的身体。

答案:
答案 有
解析 用验电笔试触插座的插孔时,若接触的是火线,电流经笔尖金属体、高阻值电阻、氖管、笔尾金属体、人体到大地,此时有比较微弱的电流通过人体。
解析 用验电笔试触插座的插孔时,若接触的是火线,电流经笔尖金属体、高阻值电阻、氖管、笔尾金属体、人体到大地,此时有比较微弱的电流通过人体。
10. 新课标·劳动教育(2022江西中考,6,★☆☆)劳动课上,同学们开展了“使用验电笔辨别火线和零线”的活动。如图所示,验电笔的氖管发光,说明被检测的插孔与________相连。此时,验电笔与人体之间的连接方式是________联。

答案:
答案 火线 串
解析 使用验电笔辨别火线和零线时,笔尖接触被测物体,人体接触笔尾金属体,若氖管发光,说明被测物体与火线相连,此时人体与验电笔串联。
解析 使用验电笔辨别火线和零线时,笔尖接触被测物体,人体接触笔尾金属体,若氖管发光,说明被测物体与火线相连,此时人体与验电笔串联。
11. 新课标·科学推理(2022山西太原师院附中段考,14改编,★★☆)一位“法师”在铺有五彩缤纷的塑料地毯的舞台上表演不怕电的“功夫”。他将一盏普通的白炽灯泡接到两导线端点A、B之间,灯泡正常发光,随后将灯泡取下。“法师”两手分别抓住两导线端点A、B,如图所示。其助手用验电笔分别测试A、B及“法师”的皮肤,发现验电笔的氖管都发光,而此时“法师”谈笑风生,安然无恙。你认为“法师”的身体真有“不怕电”的特异功能吗? ________(选填“有”或“没有”),表演中“法师”不会触电的原因是____(选填字母代号)。(P9203002)

A. “法师”的两手均戴有特质绝缘手套
B. 在人、灯交替过程中,助手将零线断开了
C. 在人、灯交替过程中,助手将火线断开了
A. “法师”的两手均戴有特质绝缘手套
B. 在人、灯交替过程中,助手将零线断开了
C. 在人、灯交替过程中,助手将火线断开了
答案:
答案 没有 B
解析 用验电笔接触“法师”的皮肤,氖管发光说明此时“法师”身体带电,但他没有触电,是因为零线断开,且舞台上铺有塑料地毯,无法形成回路。
解析 用验电笔接触“法师”的皮肤,氖管发光说明此时“法师”身体带电,但他没有触电,是因为零线断开,且舞台上铺有塑料地毯,无法形成回路。
12. 跨学科·物理学与日常生活(2023河北石家庄桥东期末,16改编,★★☆)小明同学学习了家庭电路的知识后,在生活中更加注意观察家用电器。(P9203004)
(1) 如图所示,他发现自己家新买的洗衣机用的是三脚插头,其上标有“10 A 250 V”字样,其中的“10 A”表示什么意思?
(2) 小明同学仔细观察三个插脚,又有新的发现:标有“E”字的插脚比其他两个插脚稍长一些。他又查看了其他家用电器的三脚插头,也是这种情况。请你给小明解释标有“E”字的插脚比其他两个插脚稍长一些有什么好处。

(1) 如图所示,他发现自己家新买的洗衣机用的是三脚插头,其上标有“10 A 250 V”字样,其中的“10 A”表示什么意思?
(2) 小明同学仔细观察三个插脚,又有新的发现:标有“E”字的插脚比其他两个插脚稍长一些。他又查看了其他家用电器的三脚插头,也是这种情况。请你给小明解释标有“E”字的插脚比其他两个插脚稍长一些有什么好处。
答案:
解析 (1)“10 A”表示允许通过的最大电流为10 A;(2)标有“E”字的插脚连接保护接地线,比其他两个插脚稍长一些,这样插插头时能使家用电器的金属外壳先接地,拔插头时能使金属外壳后离开保护接地线,即使家用电器因绝缘不好而“漏电”,也会使电流通过导线导入大地,人不会触电。
查看更多完整答案,请扫码查看