第14页
- 第1页
- 第2页
- 第3页
- 第4页
- 第5页
- 第6页
- 第7页
- 第8页
- 第9页
- 第10页
- 第11页
- 第12页
- 第13页
- 第14页
- 第15页
- 第16页
- 第17页
- 第18页
- 第19页
- 第20页
- 第21页
- 第22页
- 第23页
- 第24页
- 第25页
- 第26页
- 第27页
- 第28页
- 第29页
- 第30页
- 第31页
- 第32页
- 第33页
- 第34页
- 第35页
- 第36页
- 第37页
- 第38页
- 第39页
- 第40页
- 第41页
- 第42页
- 第43页
- 第44页
- 第45页
- 第46页
- 第47页
- 第48页
- 第49页
- 第50页
- 第51页
- 第52页
- 第53页
- 第54页
- 第55页
- 第56页
- 第57页
- 第58页
- 第59页
- 第60页
- 第61页
- 第62页
- 第63页
- 第64页
- 第65页
- 第66页
- 第67页
- 第68页
- 第69页
- 第70页
- 第71页
- 第72页
- 第73页
- 第74页
- 第75页
- 第76页
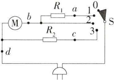
12. (2023四川成都中考)(14分)某品牌电吹风铭牌上标有“220V 2000W”字样,有“断开、冷风、慢速中温、快速高温”四个挡位。物理兴趣小组同学把此款电吹风拆解后,发现有两条不同的电阻丝绕于支架上并置于出风筒内,经研究后画出了简化电路图(如图)。
(1)同学们研究说明书和电吹风内部结构后,有以下认识,其中不合理的是________。
A. 说明书提示“请勿在手湿的情况下使用”,主要是为了防止触电或引发短路
B. 说明书提示“请勿在使用过程中用手触摸出风口”,主要是为了避免烫伤
C. 电吹风额定功率是指电吹风正常工作时的最大发热功率
D. 绕电阻丝的支架应采用绝缘、耐高温材料制作
(2)开关S与0、1两触点接触时,电吹风处于“慢速中温”挡;开关S与2、3两触点接触时,电吹风处于“快速高温”挡。两挡相比,电动机在“快速高温”挡转得更快,原因是________________。
(3)同学们进一步研究发现该电吹风具有过热自动断电保护功能,其内部有一个双金属片开关,当温度达到设定值,双金属片开关自动断开,电吹风停止工作,待温度下降到安全值后又自动接通。则双金属片开关应安装在图中的________(选填“a”“b”“c”或“d”)点。
(4)同学们在组长家中采用以下步骤测量电吹风的实际功率:
①测量开始前关闭家中所有用电器,记录智能电能表示数为2127.23kW·h;
②将电吹风调至“快速高温”挡工作4分钟断开开关,记录电能表示数为2127.36kW·h;
③根据实验数据,计算电吹风在“快速高温”挡工作的实际功率为________W。
(1)同学们研究说明书和电吹风内部结构后,有以下认识,其中不合理的是________。
A. 说明书提示“请勿在手湿的情况下使用”,主要是为了防止触电或引发短路
B. 说明书提示“请勿在使用过程中用手触摸出风口”,主要是为了避免烫伤
C. 电吹风额定功率是指电吹风正常工作时的最大发热功率
D. 绕电阻丝的支架应采用绝缘、耐高温材料制作
(2)开关S与0、1两触点接触时,电吹风处于“慢速中温”挡;开关S与2、3两触点接触时,电吹风处于“快速高温”挡。两挡相比,电动机在“快速高温”挡转得更快,原因是________________。
(3)同学们进一步研究发现该电吹风具有过热自动断电保护功能,其内部有一个双金属片开关,当温度达到设定值,双金属片开关自动断开,电吹风停止工作,待温度下降到安全值后又自动接通。则双金属片开关应安装在图中的________(选填“a”“b”“c”或“d”)点。
(4)同学们在组长家中采用以下步骤测量电吹风的实际功率:
①测量开始前关闭家中所有用电器,记录智能电能表示数为2127.23kW·h;
②将电吹风调至“快速高温”挡工作4分钟断开开关,记录电能表示数为2127.36kW·h;
③根据实验数据,计算电吹风在“快速高温”挡工作的实际功率为________W。
答案:
答案 (1)C (2)电动机两端的电压更大 (3)d (4)1950
解析 (1)生活用水是导体,手湿的情况下触摸用电器,容易造成触电事故,A不符合题意;出风口处空气的温度最高,勿用手触摸出风口是为了避免烫伤,B不符合题意;额定功率是指电吹风正常工作时,电动机和电热丝的总功率,C符合题意;电阻丝是导体,发热时温度较高,为了防止短路,绕电阻丝的支架应采用绝缘、耐高温材料制作,D不符合题意。(2)开关S与0、1两触点接触时,电动机与电阻丝R₁串联,电动机两端的电压较低;开关S与2、3两触点接触时,电动机与电阻丝R₂并联,电动机两端的电压较高,两挡相比,电动机在“快速高温”挡功率更大,转得更快。(3)温度达到设定值时,双金属片开关自动断开,电吹风停止工作,所以双金属片开关应安装在干路中,即d点。(4)电吹风在“快速高温”挡工作的实际功率P = $\frac{W}{t}$ = $\frac{2127.36\ kW\cdot h - 2127.23\ kW\cdot h}{4\times60\ s}$ = $\frac{0.13\times3.6\times10^{6}\ J}{240\ s}$ = 1950W。
解析 (1)生活用水是导体,手湿的情况下触摸用电器,容易造成触电事故,A不符合题意;出风口处空气的温度最高,勿用手触摸出风口是为了避免烫伤,B不符合题意;额定功率是指电吹风正常工作时,电动机和电热丝的总功率,C符合题意;电阻丝是导体,发热时温度较高,为了防止短路,绕电阻丝的支架应采用绝缘、耐高温材料制作,D不符合题意。(2)开关S与0、1两触点接触时,电动机与电阻丝R₁串联,电动机两端的电压较低;开关S与2、3两触点接触时,电动机与电阻丝R₂并联,电动机两端的电压较高,两挡相比,电动机在“快速高温”挡功率更大,转得更快。(3)温度达到设定值时,双金属片开关自动断开,电吹风停止工作,所以双金属片开关应安装在干路中,即d点。(4)电吹风在“快速高温”挡工作的实际功率P = $\frac{W}{t}$ = $\frac{2127.36\ kW\cdot h - 2127.23\ kW\cdot h}{4\times60\ s}$ = $\frac{0.13\times3.6\times10^{6}\ J}{240\ s}$ = 1950W。
13. 新中考.开放性设问(12分)阅读短文,回答问题。
空气断路器
空气断路器俗称空气开关,是电路中必备的保护装置。常见的空气断路器兼有“热动式”和“电磁式”两种工作方式。常用空气断路器的工作原理:当电路中出现短路或较大过载等导致电流急剧增大(超过额定电流的5 - 10倍)时,电磁螺线管磁场急剧增强,产生强大磁力吸引线圈内部的金属圆柱体运动,推动机械脱扣装置使电路断开;当电路中的电流超过额定电流,但电磁螺线管产生的磁力又不足以使脱扣器动作时,电路中的双金属片就会受热发生弯曲形变,推动机械脱扣装置脱扣,切断电源,起到过载保护作用。在电路连接和断开时,触头处空气被击穿,电流就会以电弧(电火花)的形式流动,它不但会损坏触头,还会延长断开电路的时间,这就需要将其迅速熄灭。灭弧装置就是将电弧引入由许多金属片组成的隔断中对电弧分割,当电弧沿隔断前进时,随着电阻的增大,电弧会变得越来越弱,最后完全熄灭在灭弧装置内。
(1)空气断路器能对电路起到保护作用,其本质相当于电路中的__________;
(2)当电路发生短路时,下列说法正确的是__________;
A. 只有电磁螺线管动作,推动机械脱扣装置使电路断开
B. 只有双金属片动作,推动机械脱扣装置使电路断开
C. 电磁螺线管和双金属片同时动作,推动机械脱扣装置使电路断开
D. 双金属片先动作,然后电磁螺线管动作,推动机械脱扣装置使电路断开
(3)灭弧装置就是将电弧进行分割,通过增大灭弧金属片的长度来增大__________,从而减小__________,最后完全将电弧熄灭在灭弧装置内;
(4)若想增大某一空气断路器的额定电流,请阐述你的改进方法。
空气断路器
空气断路器俗称空气开关,是电路中必备的保护装置。常见的空气断路器兼有“热动式”和“电磁式”两种工作方式。常用空气断路器的工作原理:当电路中出现短路或较大过载等导致电流急剧增大(超过额定电流的5 - 10倍)时,电磁螺线管磁场急剧增强,产生强大磁力吸引线圈内部的金属圆柱体运动,推动机械脱扣装置使电路断开;当电路中的电流超过额定电流,但电磁螺线管产生的磁力又不足以使脱扣器动作时,电路中的双金属片就会受热发生弯曲形变,推动机械脱扣装置脱扣,切断电源,起到过载保护作用。在电路连接和断开时,触头处空气被击穿,电流就会以电弧(电火花)的形式流动,它不但会损坏触头,还会延长断开电路的时间,这就需要将其迅速熄灭。灭弧装置就是将电弧引入由许多金属片组成的隔断中对电弧分割,当电弧沿隔断前进时,随着电阻的增大,电弧会变得越来越弱,最后完全熄灭在灭弧装置内。
(1)空气断路器能对电路起到保护作用,其本质相当于电路中的__________;
(2)当电路发生短路时,下列说法正确的是__________;
A. 只有电磁螺线管动作,推动机械脱扣装置使电路断开
B. 只有双金属片动作,推动机械脱扣装置使电路断开
C. 电磁螺线管和双金属片同时动作,推动机械脱扣装置使电路断开
D. 双金属片先动作,然后电磁螺线管动作,推动机械脱扣装置使电路断开
(3)灭弧装置就是将电弧进行分割,通过增大灭弧金属片的长度来增大__________,从而减小__________,最后完全将电弧熄灭在灭弧装置内;
(4)若想增大某一空气断路器的额定电流,请阐述你的改进方法。
答案:
答案 (1)保险丝 (2)C (3)电阻 电流 (4)减少电磁螺线管线圈的匝数
解析 (1)空气断路器能在电流过大时断开电路,相当于电路中的保险丝。
(2)当电路发生短路时,电流急剧增大,产生大量的热,电磁螺线管和双金属片同时动作,推动机械脱扣装置使电路断开,故选C。
(3)金属片的阻值与其长度成正比,因此增大灭弧金属片的长度会增加金属片阻值,减小电弧电流。
(4)因电路中电流过大时电磁螺线管磁场增强,产生强大磁力吸引线圈内部的金属圆柱体运动,推动机械脱扣装置使电路断开。当需要保证产生的磁场强度一定时,若想增大额定电流,可以减少电磁螺线管线圈的匝数。
解析 (1)空气断路器能在电流过大时断开电路,相当于电路中的保险丝。
(2)当电路发生短路时,电流急剧增大,产生大量的热,电磁螺线管和双金属片同时动作,推动机械脱扣装置使电路断开,故选C。
(3)金属片的阻值与其长度成正比,因此增大灭弧金属片的长度会增加金属片阻值,减小电弧电流。
(4)因电路中电流过大时电磁螺线管磁场增强,产生强大磁力吸引线圈内部的金属圆柱体运动,推动机械脱扣装置使电路断开。当需要保证产生的磁场强度一定时,若想增大额定电流,可以减少电磁螺线管线圈的匝数。
查看更多完整答案,请扫码查看