第10页
- 第1页
- 第2页
- 第3页
- 第4页
- 第5页
- 第6页
- 第7页
- 第8页
- 第9页
- 第10页
- 第11页
- 第12页
- 第13页
- 第14页
- 第15页
- 第16页
- 第17页
- 第18页
- 第19页
- 第20页
- 第21页
- 第22页
- 第23页
- 第24页
- 第25页
- 第26页
- 第27页
- 第28页
- 第29页
- 第30页
- 第31页
- 第32页
- 第33页
- 第34页
- 第35页
- 第36页
- 第37页
- 第38页
- 第39页
- 第40页
- 第41页
- 第42页
- 第43页
- 第44页
- 第45页
- 第46页
- 第47页
- 第48页
- 第49页
- 第50页
- 第51页
- 第52页
- 第53页
- 第54页
- 第55页
- 第56页
- 第57页
- 第58页
- 第59页
- 第60页
- 第61页
- 第62页
- 第63页
- 第64页
- 第65页
- 第66页
- 第67页
- 第68页
- 第69页
- 第70页
- 第71页
- 第72页
- 第73页
- 第74页
- 第75页
- 第76页
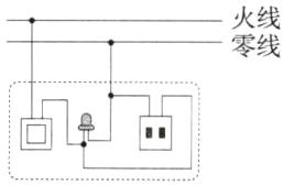
1. (2023辽宁锦州中考)如图所示是小明家的部分家庭电路,请在括号内标出火线和零线,并将拉线开关控制的灯泡连入电路中。(P9203001)

答案:
答案 如图所示

解析 由验电笔的使用方法知,使氖管发光的是火线,不发光的是零线,图中验电笔接触的线是火线,另一根是零线,火线首先接入开关,然后再接入灯泡顶端的金属点,零线直接接入灯泡的螺旋套。
答案 如图所示
解析 由验电笔的使用方法知,使氖管发光的是火线,不发光的是零线,图中验电笔接触的线是火线,另一根是零线,火线首先接入开关,然后再接入灯泡顶端的金属点,零线直接接入灯泡的螺旋套。
2. (2024四川南江沙河中学月考)用笔画线代替导线,把图中的三孔插座、电灯及控制电灯的开关接到家庭电路中。

答案:
答案 如图所示

解析 为了防止开关断开时灯泡仍然带电,应将开关接在灯泡和火线之间;三孔插座的接线原则是左零右火上接地。
答案 如图所示
解析 为了防止开关断开时灯泡仍然带电,应将开关接在灯泡和火线之间;三孔插座的接线原则是左零右火上接地。
3. (2024山东潍坊期末)如图甲所示是某同学常用的一个插线板。他在使用中发现:插线板上的指示灯在开关断开时不发光,插孔不能提供工作电压;而在开关闭合时指示灯发光,插孔可以提供工作电压;如果指示灯损坏,开关闭合时插孔也能提供工作电压。根据上述现象,请在图乙中画出开关、指示灯和插孔的连接方式。

答案:
答案 如图所示

解析 开关闭合时插线板上的指示灯会发光,插孔正常通电,说明开关同时控制指示灯和插孔,指示灯和插孔之间可能是串联,也可能是并联,如果两者并联,开关应该在干路上;如果指示灯损坏,开关闭合时插孔也能正常通电,说明指示灯和插孔之间是并联的。
答案 如图所示
解析 开关闭合时插线板上的指示灯会发光,插孔正常通电,说明开关同时控制指示灯和插孔,指示灯和插孔之间可能是串联,也可能是并联,如果两者并联,开关应该在干路上;如果指示灯损坏,开关闭合时插孔也能正常通电,说明指示灯和插孔之间是并联的。
4. 新课标.模型建构(2023山东淄博临淄一模)如图所示是家庭电路的示意图,请按照安全用电的要求连接好电路(要求连接的导线不能交叉)。(P9203002)

答案:
答案 如图所示

解析 家庭电路中进户线应先接入电能表,然后接入总开关、保险丝和其他用电器;灯泡接法:火线接入开关,再接入灯泡顶端的金属点,零线直接接入灯泡的螺旋套,这样在断开开关时能切断火线,接触灯泡不会发生触电事故;三孔插座的接法:上孔接地线,左孔接零线,右孔接火线。
答案 如图所示
解析 家庭电路中进户线应先接入电能表,然后接入总开关、保险丝和其他用电器;灯泡接法:火线接入开关,再接入灯泡顶端的金属点,零线直接接入灯泡的螺旋套,这样在断开开关时能切断火线,接触灯泡不会发生触电事故;三孔插座的接法:上孔接地线,左孔接零线,右孔接火线。
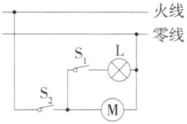
5. 如图所示,投影仪灯泡L功率较大,所以需要风扇散热,使用后,应先关闭灯泡L,再关闭风扇。
请用笔画线代替导线将电路连接完整。要求:先断开开关S₁,灯泡熄灭,风扇继续转动,再断开开关S₂,风扇才停止转动;若只闭合开关S₁,灯泡不亮。

请用笔画线代替导线将电路连接完整。要求:先断开开关S₁,灯泡熄灭,风扇继续转动,再断开开关S₂,风扇才停止转动;若只闭合开关S₁,灯泡不亮。
答案:
答案 如图所示

解析 先断开开关S₁,灯泡熄灭,风扇继续转动,再断开开关S₂,风扇才停止转动,说明灯泡和风扇并联;若只闭合开关S₁,灯泡不亮,由此可知S₁串联在灯泡所在支路上,S₂串联在干路上,且开关应接在火线与用电器之间。
答案 如图所示
解析 先断开开关S₁,灯泡熄灭,风扇继续转动,再断开开关S₂,风扇才停止转动,说明灯泡和风扇并联;若只闭合开关S₁,灯泡不亮,由此可知S₁串联在灯泡所在支路上,S₂串联在干路上,且开关应接在火线与用电器之间。
6. 跨学科.物理学与日常生活(2024河南平顶山期末)
某学校正在进行线路改建,需要在每层楼梯的中间安装两盏“220V 20W”的楼梯灯,上下楼梯口处的开关都能控制这两盏灯,并且两盏灯都能正常发光。下面是连接的部分电路,请你把火线、两盏____________________________灯和开关正确接入电路。(P9203004)

某学校正在进行线路改建,需要在每层楼梯的中间安装两盏“220V 20W”的楼梯灯,上下楼梯口处的开关都能控制这两盏灯,并且两盏灯都能正常发光。下面是连接的部分电路,请你把火线、两盏____________________________灯和开关正确接入电路。(P9203004)
答案:
答案 如图所示

解析 家庭电路的电压为220 V,灯泡的额定电压为220 V,若使两个灯泡都正常发光,则两个灯泡是并联的;开关控制灯泡时,开关和灯泡是串联的,开关接在灯泡与火线之间。
答案 如图所示
解析 家庭电路的电压为220 V,灯泡的额定电压为220 V,若使两个灯泡都正常发光,则两个灯泡是并联的;开关控制灯泡时,开关和灯泡是串联的,开关接在灯泡与火线之间。
查看更多完整答案,请扫码查看