20. 小明用如图甲所示的电路测量小灯泡的电阻,其中电源电压为 $ 3V $ 且恒定不变,小灯泡的额定电压为 $ 2.5V $,滑动变阻器规格为“$ 20Ω \ 1A $”,导线若干(导线电阻忽略不计)。

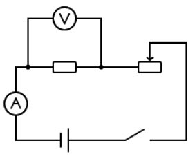
(1)请用笔画线代替导线,将电路连接完整(导线不能交叉),要求滑片 $ P $ 向左滑动时,滑动变阻器接入电路的电阻变大。
(2)小明连好电路,闭合开关后,小灯泡就发出耀眼的光。他在操作中的问题是 ______。
(3)问题解决后,闭合开关,移动滑动变阻器的滑片 $ P $,观察小灯泡的亮度,多次测量并记录数据,如下表所示。当电压表的示数为 $ 2.5V $ 时,小灯泡正常发光,此时电流表的示数如图乙所示,为 ______ $ A $,计算此时小灯泡的阻值为 ______(精确到 $ 0.1Ω $)。
| 实验次数 | 1 | 2 | 3 | 4 | 5 |
| 发光情况 | 不亮 | 微光 | 暗 | 明亮 | 耀眼 |
| 电压 $ U/V $ | 0.5 | 0.9 | 1.5 | 2.5 | 2.8 |
| 电流 $ I/A $ | 0.16 | 0.20 | 0.22 | | 0.30 |
| 电阻 $ R/Ω $ | | | | | |

(4)对比小灯泡在不同亮度下的电阻,你的发现是 ______。实际生活中,在闭合开关的瞬间白炽灯灯丝容易烧坏,是因为此时灯丝的电阻 ______,电流较大,灯丝容易熔断。
(5)根据表中数据可以发现小灯泡的电阻随电压的增大逐渐 ______(选填“变大”或“变小”),原因是灯丝电阻随温度升高而 ______。
(1)请用笔画线代替导线,将电路连接完整(导线不能交叉),要求滑片 $ P $ 向左滑动时,滑动变阻器接入电路的电阻变大。
(电路连接图:从电源正极出发,经开关后连接滑动变阻器右下接线柱,滑动变阻器右上接线柱连接电流表“0.6A”接线柱,电流表“-”接线柱连接小灯泡左端,小灯泡右端连接电压表“3V”接线柱,电压表“-”接线柱连接电源负极,导线不交叉)
(2)小明连好电路,闭合开关后,小灯泡就发出耀眼的光。他在操作中的问题是 ______。
闭合开关前,滑动变阻器滑片未移至最大阻值处
(3)问题解决后,闭合开关,移动滑动变阻器的滑片 $ P $,观察小灯泡的亮度,多次测量并记录数据,如下表所示。当电压表的示数为 $ 2.5V $ 时,小灯泡正常发光,此时电流表的示数如图乙所示,为 ______ $ A $,计算此时小灯泡的阻值为 ______(精确到 $ 0.1Ω $)。
| 实验次数 | 1 | 2 | 3 | 4 | 5 |
| 发光情况 | 不亮 | 微光 | 暗 | 明亮 | 耀眼 |
| 电压 $ U/V $ | 0.5 | 0.9 | 1.5 | 2.5 | 2.8 |
| 电流 $ I/A $ | 0.16 | 0.20 | 0.22 | | 0.30 |
| 电阻 $ R/Ω $ | | | | | |
0.28
8.9
(4)对比小灯泡在不同亮度下的电阻,你的发现是 ______。实际生活中,在闭合开关的瞬间白炽灯灯丝容易烧坏,是因为此时灯丝的电阻 ______,电流较大,灯丝容易熔断。
小灯泡亮度越大,电阻越大
小
(5)根据表中数据可以发现小灯泡的电阻随电压的增大逐渐 ______(选填“变大”或“变小”),原因是灯丝电阻随温度升高而 ______。
变大
增大
答案:
(1) (电路连接图:从电源正极出发,经开关后连接滑动变阻器右下接线柱,滑动变阻器右上接线柱连接电流表“0.6A”接线柱,电流表“-”接线柱连接小灯泡左端,小灯泡右端连接电压表“3V”接线柱,电压表“-”接线柱连接电源负极,导线不交叉)
(2) 闭合开关前,滑动变阻器滑片未移至最大阻值处
(3) 0.28;8.9
(4) 小灯泡亮度越大,电阻越大;小
(5) 变大;增大
(1) (电路连接图:从电源正极出发,经开关后连接滑动变阻器右下接线柱,滑动变阻器右上接线柱连接电流表“0.6A”接线柱,电流表“-”接线柱连接小灯泡左端,小灯泡右端连接电压表“3V”接线柱,电压表“-”接线柱连接电源负极,导线不交叉)
(2) 闭合开关前,滑动变阻器滑片未移至最大阻值处
(3) 0.28;8.9
(4) 小灯泡亮度越大,电阻越大;小
(5) 变大;增大
21. 实验“用伏安法测电阻”。
(1)请画出该实验的电路图。
(2)该实验的原理是
(3)实验中要记录相关数据,请设计出你的实验数据记录表格。
(4)根据你所学的知识,在坐标系中大致画出定值电阻的 $ U - I $ 图像。

(1)请画出该实验的电路图。
(2)该实验的原理是
$R=\frac{U}{I}$
。(3)实验中要记录相关数据,请设计出你的实验数据记录表格。
(4)根据你所学的知识,在坐标系中大致画出定值电阻的 $ U - I $ 图像。
答案:
(1)

(2)
(3)
|实验次数|电压U/V|电流I/A|电阻R/Ω|电阻平均值R/Ω|
| ---- | ---- | ---- | ---- | ---- |
|1| | | | |
|2| | | | |
|3| | | | |
(4)

(1)
(2)
(3)
|实验次数|电压U/V|电流I/A|电阻R/Ω|电阻平均值R/Ω|
| ---- | ---- | ---- | ---- | ---- |
|1| | | | |
|2| | | | |
|3| | | | |
(4)
查看更多完整答案,请扫码查看