第95页
- 第1页
- 第2页
- 第3页
- 第4页
- 第5页
- 第6页
- 第7页
- 第8页
- 第9页
- 第10页
- 第11页
- 第12页
- 第13页
- 第14页
- 第15页
- 第16页
- 第17页
- 第18页
- 第19页
- 第20页
- 第21页
- 第22页
- 第23页
- 第24页
- 第25页
- 第26页
- 第27页
- 第28页
- 第29页
- 第30页
- 第31页
- 第32页
- 第33页
- 第34页
- 第35页
- 第36页
- 第37页
- 第38页
- 第39页
- 第40页
- 第41页
- 第42页
- 第43页
- 第44页
- 第45页
- 第46页
- 第47页
- 第48页
- 第49页
- 第50页
- 第51页
- 第52页
- 第53页
- 第54页
- 第55页
- 第56页
- 第57页
- 第58页
- 第59页
- 第60页
- 第61页
- 第62页
- 第63页
- 第64页
- 第65页
- 第66页
- 第67页
- 第68页
- 第69页
- 第70页
- 第71页
- 第72页
- 第73页
- 第74页
- 第75页
- 第76页
- 第77页
- 第78页
- 第79页
- 第80页
- 第81页
- 第82页
- 第83页
- 第84页
- 第85页
- 第86页
- 第87页
- 第88页
- 第89页
- 第90页
- 第91页
- 第92页
- 第93页
- 第94页
- 第95页
- 第96页
- 第97页
- 第98页
- 第99页
- 第100页
- 第101页
- 第102页
- 第103页
- 第104页
- 第105页
- 第106页
- 第107页
- 第108页
- 第109页
- 第110页
- 第111页
- 第112页
- 第113页
- 第114页
- 第115页
- 第116页
- 第117页
- 第118页
- 第119页
- 第120页
- 第121页
- 第122页
- 第123页
- 第124页
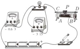
1. 2025·厦门阶段练 母题 教材P105活动2 在测定“小灯泡电功率”的实验中,电源电压为4.5V,小灯泡额定电压为2.5V、电阻约为10Ω。
(1)连接电路时开关应______,电流表的量程应选0~______A。
(2)请你用笔画线代替导线,将图甲中的实物电路连接完整。
(3)闭合开关前,滑动变阻器滑片P应位于______(填“A”或“B”)端。
(4)闭合开关,移动滑片P到某一点时,电压表示数(如图乙所示)为______V,若想测量小灯泡的额定功率,应将图甲中滑片P向______(填“A”或“B”)端移动,使电压表的示数为2.5V。
(5)小向同学移动滑片P,记下多组对应的电压表和电流表的示数,并绘制成图丙所示的I-U图像,根据图像信息,可计算出小灯泡的额定功率是______W。图丙中小灯泡的I-U图像不是一条直线,原因是______。
(2)请你用笔画线代替导线,将图甲中的实物电路连接完整。
(3)闭合开关前,滑动变阻器滑片P应位于______(填“A”或“B”)端。
(4)闭合开关,移动滑片P到某一点时,电压表示数(如图乙所示)为______V,若想测量小灯泡的额定功率,应将图甲中滑片P向______(填“A”或“B”)端移动,使电压表的示数为2.5V。
(5)小向同学移动滑片P,记下多组对应的电压表和电流表的示数,并绘制成图丙所示的I-U图像,根据图像信息,可计算出小灯泡的额定功率是______W。图丙中小灯泡的I-U图像不是一条直线,原因是______。
答案:
(1)断开;0.6
(2)如图所示。
(3)A
(4)2.2;B
(5)0.5;灯丝电阻受温度影响,是变化的
【点拨】
(4)电压表示数为2.2V。想测量小灯泡的额定功率,应使小灯泡两端电压升高到额定电压,要增大通过小灯泡的电流,则要减小滑动变阻器连入电路的阻值,即将其滑片向B端移动。
(5)小灯泡的额定功率P=UI=2.5V×0.2A=0.5W,当小灯泡两端电压变化时,其实际功率发生变化,灯丝的电阻也发生变化。因灯丝电阻是变化的,故其电流与电压不成正比,故其电流与电压不成正比,故其电流与电压不成正比的,故I−U图像不是一条直线,故其电流与电压不成正比,故I−U图像不是一条直线。
(1)断开;0.6
(2)如图所示。
(3)A
(4)2.2;B
(5)0.5;灯丝电阻受温度影响,是变化的
【点拨】
(4)电压表示数为2.2V。想测量小灯泡的额定功率,应使小灯泡两端电压升高到额定电压,要增大通过小灯泡的电流,则要减小滑动变阻器连入电路的阻值,即将其滑片向B端移动。
(5)小灯泡的额定功率P=UI=2.5V×0.2A=0.5W,当小灯泡两端电压变化时,其实际功率发生变化,灯丝的电阻也发生变化。因灯丝电阻是变化的,故其电流与电压不成正比,故其电流与电压不成正比,故其电流与电压不成正比的,故I−U图像不是一条直线,故其电流与电压不成正比,故I−U图像不是一条直线。
2. 2025·宝山模拟 科学思维·解释与交流 在“测量小灯泡额定电功率”的实验中,小灯泡标有“2.2V”字样,实验电路如图甲所示。
(1)该实验的原理是______(用公式表示)。
(2)图甲电路中AB和CD间分别接入______(填“A”或“B”)。
A. 电流表和电压表
B. 电压表和电流表
(3)正确连接电路后,闭合开关,发现小灯泡不亮,但电流表有示数。接下来应进行的操作是______(填“A”或“B”或“C”)。
A. 更换小灯泡
B. 检查电路是否断路
C. 移动滑动变阻器滑片,观察小灯泡是否发光
(4)实验中滑动变阻器滑片移到某个位置时,电压表示数如图乙所示。若要测量小灯泡的额定功率,应将滑动变阻器的滑片向______(填“a”或“b”)端移动。
(5)下表为某同学的实验记录分析表:

你认为该同学处理数据过程是否合理?若合理,请说明这样处理的目的;若不合理,请给出处理过程并说明理由。
(1)
(2)(
(3)(
(4)
(5)
(2)图甲电路中AB和CD间分别接入______(填“A”或“B”)。
A. 电流表和电压表
B. 电压表和电流表
(3)正确连接电路后,闭合开关,发现小灯泡不亮,但电流表有示数。接下来应进行的操作是______(填“A”或“B”或“C”)。
A. 更换小灯泡
B. 检查电路是否断路
C. 移动滑动变阻器滑片,观察小灯泡是否发光
(4)实验中滑动变阻器滑片移到某个位置时,电压表示数如图乙所示。若要测量小灯泡的额定功率,应将滑动变阻器的滑片向______(填“a”或“b”)端移动。
(5)下表为某同学的实验记录分析表:
你认为该同学处理数据过程是否合理?若合理,请说明这样处理的目的;若不合理,请给出处理过程并说明理由。
(1)
P=UI
(2)(
B
)(3)(
C
)(4)
a
(5)
不合理,灯泡在不同电压下的实际功率不同,求平均值没有物理意义,故而不用求平均值。测小灯泡的额定功率,只需知道小灯泡的额定电压和额定电流,故该小灯泡的额定功率P=UI=2.2V×0.30A=0.66W。
答案:
(1)P=UI
(2)B
(3)C
(4)a
(5)不合理,灯泡在不同电压下的实际功率不同,求平均值没有物理意义,故而不用求平均值。测小灯泡的额定功率,只需知道小灯泡的额定电压和额定电流,故该小灯泡的额定功率P=UI=2.2V×0.30A=0.66W。
(1)P=UI
(2)B
(3)C
(4)a
(5)不合理,灯泡在不同电压下的实际功率不同,求平均值没有物理意义,故而不用求平均值。测小灯泡的额定功率,只需知道小灯泡的额定电压和额定电流,故该小灯泡的额定功率P=UI=2.2V×0.30A=0.66W。
查看更多完整答案,请扫码查看