2025年假期训练营五年级数学苏教版安徽人民出版社
注:目前有些书本章节名称可能整理的还不是很完善,但都是按照顺序排列的,请同学们按照顺序仔细查找。练习册 2025年假期训练营五年级数学苏教版安徽人民出版社 答案主要是用来给同学们做完题方便对答案用的,请勿直接抄袭。
五、看图列方程解答。
2. 三角形的面积是0.28平方米。
解:设三角形的高是x米。
答:三角形的高是0.7米。
2. 三角形的面积是0.28平方米。
解:设三角形的高是x米。
0.8x ÷ 2 = 0.28
x = 0.7
答:三角形的高是0.7米。
答案:
1. $ x + 2x = 360 $ $ x = 120 $
2. $ 0.8x ÷ 2 = 0.28 $ $ x = 0.7 $
3. $ x + 4x - 8 = 112 $ $ x = 24 $
2. $ 0.8x ÷ 2 = 0.28 $ $ x = 0.7 $
3. $ x + 4x - 8 = 112 $ $ x = 24 $
1. 北京故宫的面积约是$72$万平方米,比天安门广场的面积的$2倍少16$万平方米,天安门广场的面积约是多少万平方米?
答案:
解:设天安门广场面积是 $ x $ 万平方米。
$ 2x - 16 = 72 $ $ x = 44 $
$ 2x - 16 = 72 $ $ x = 44 $
2. 甲地到乙地的铁路长约$1320$千米,一列货车和一列客车同时从两地相对开出,经过$6$小时相遇,货车每小时行$90$千米,客车每小时行多少千米?
答案:
解:设客车每小时行 $ x $ 千米。
$ (x + 90) × 6 = 1320 $ $ x = 130 $
$ (x + 90) × 6 = 1320 $ $ x = 130 $
3. 停车场内大客车比小汽车少$25$辆,小汽车的辆数是大客车的$1.5$倍,大客车和小汽车各有多少辆?
答案:
解:设大客车有 $ x $ 辆,则小汽车有 $ 1.5x $ 辆。
$ 1.5x - x = 25 $ $ x = 50 $ $ 1.5x = 50 × 1.5 = 75 $
$ 1.5x - x = 25 $ $ x = 50 $ $ 1.5x = 50 × 1.5 = 75 $
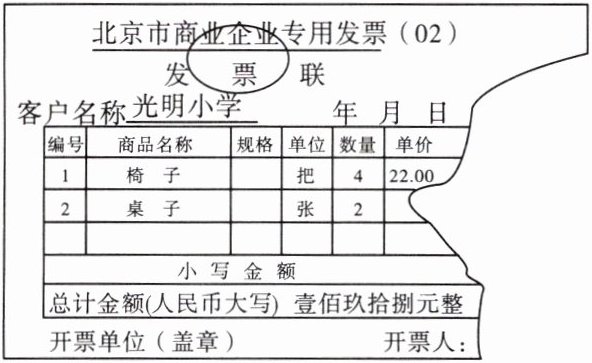
4. 下面是一张撕掉一角的发票,请你根据发票上的信息,算出每张桌子的价钱。

解:设每张桌子 $ x $ 元。
$ 2x + 22 × 4 = 198 $ $ x = $
解:设每张桌子 $ x $ 元。
$ 2x + 22 × 4 = 198 $ $ x = $
55
答案:
解:设每张桌子 $ x $ 元。
$ 2x + 22 × 4 = 198 $ $ x = 55 $
$ 2x + 22 × 4 = 198 $ $ x = 55 $
5. 有两袋球,甲袋有$50$个,乙袋有$30$个,从甲袋每次取出$2$个球放入乙袋,取多少次后,两袋里的球同样多?
答案:
解:设取 $ x $ 次后,两袋里的球同样多。
$ 50 - 2x = 30 + 2x $ $ x = 5 $
$ 50 - 2x = 30 + 2x $ $ x = 5 $
查看更多完整答案,请扫码查看