1. 电磁铁
(1)性质:磁性有无由______决定。
(2)电磁铁的磁性
①线圈匝数一定,______越大,磁性越强。
②电流一定,______越多,磁性越强。
(1)性质:磁性有无由______决定。
(2)电磁铁的磁性
①线圈匝数一定,______越大,磁性越强。
②电流一定,______越多,磁性越强。
答案:
(1)电流有无
(2)①电流 ②线圈匝数
(1)电流有无
(2)①电流 ②线圈匝数
2. 电磁继电器
(1)作用:利用______控制______的装置。
(2)结构:由______、______、______组成。
(3)工作电路构成:______和高压工作电路。
(4)实质:利用______来控制工作电路的一种开关。
(1)作用:利用______控制______的装置。
(2)结构:由______、______、______组成。
(3)工作电路构成:______和高压工作电路。
(4)实质:利用______来控制工作电路的一种开关。
答案:
(1)低电压、弱电流 高电压、强电流
(2)电磁铁 衔铁 弹簧和触点
(3)低压控制电路
(4)电磁铁
(1)低电压、弱电流 高电压、强电流
(2)电磁铁 衔铁 弹簧和触点
(3)低压控制电路
(4)电磁铁
1. 下列实例中,不属于电磁铁应用的是( )
A. 电磁起重机
B. 悬浮地球仪
C. 电铃
D. 指南针
A. 电磁起重机
B. 悬浮地球仪
C. 电铃
D. 指南针
答案:
D
2. 下列关于电磁铁的说法正确的是( )
A. 它可以永保磁性
B. 它的磁极不可改变
C. 在相同通电螺线管中,加铜芯比加铁芯磁性弱
D. 它不需要消耗电能
A. 它可以永保磁性
B. 它的磁极不可改变
C. 在相同通电螺线管中,加铜芯比加铁芯磁性弱
D. 它不需要消耗电能
答案:
C
3. 在“探究影响电磁铁磁性强弱的因素”的实验中,同学们用相同的铁钉和漆包线制成了甲、乙两电磁铁,并连接了如图所示的电路。下列叙述中不正确的是( )

A. 图中滑动变阻器只起到改变电流的作用
B. 实验中,通过观察被吸引的大头针数量来判断电磁铁磁性的强弱
C. 图示电路是在研究电磁铁磁性强弱可能与线圈匝数的多少有关
D. 用图示电路也能研究电磁铁磁性强弱可能跟电流的大小有关
A. 图中滑动变阻器只起到改变电流的作用
B. 实验中,通过观察被吸引的大头针数量来判断电磁铁磁性的强弱
C. 图示电路是在研究电磁铁磁性强弱可能与线圈匝数的多少有关
D. 用图示电路也能研究电磁铁磁性强弱可能跟电流的大小有关
答案:
A
4. 如图所示,用漆包线(导线表面涂有绝缘漆)绕在纸筒上做成了一个螺线管,用来研究螺线管磁性强弱与哪些因素有关。闭合开关后,发现螺线管能够吸引一些大头针,要使它能吸引更多大头针的办法是( )

A. 在纸筒中插入一根铁芯
B. 减少线圈匝数
C. 使滑动触头P向右滑动
D. 将电源正负极互换
A. 在纸筒中插入一根铁芯
B. 减少线圈匝数
C. 使滑动触头P向右滑动
D. 将电源正负极互换
答案:
A
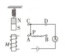
5. 如图所示,当给电磁铁M通电时,发现弹簧开始被压缩,过一会儿,条形磁体和弹簧重新处于静止。此时把滑动变阻器的滑片P向B端滑动,弹簧的长度逐渐变短。请用笔画线代替导线,把电路连接完整(导线不能交叉,弹簧在其弹性范围内)。

答案:
如图所示
如图所示
查看更多完整答案,请扫码查看