第43页
- 第1页
- 第2页
- 第3页
- 第4页
- 第5页
- 第6页
- 第7页
- 第8页
- 第9页
- 第10页
- 第11页
- 第12页
- 第13页
- 第14页
- 第15页
- 第16页
- 第17页
- 第18页
- 第19页
- 第20页
- 第21页
- 第22页
- 第23页
- 第24页
- 第25页
- 第26页
- 第27页
- 第28页
- 第29页
- 第30页
- 第31页
- 第32页
- 第33页
- 第34页
- 第35页
- 第36页
- 第37页
- 第38页
- 第39页
- 第40页
- 第41页
- 第42页
- 第43页
- 第44页
- 第45页
- 第46页
- 第47页
- 第48页
- 第49页
- 第50页
- 第51页
- 第52页
- 第53页
- 第54页
- 第55页
- 第56页
- 第57页
- 第58页
- 第59页
- 第60页
- 第61页
- 第62页
- 第63页
- 第64页
- 第65页
- 第66页
- 第67页
- 第68页
1.(2022·荆州)下列关于家庭电路及安全用电的说法,正确的是 ( )
A.家庭电路中的空气开关跳闸一定是发生了短路
B.发现有人触电时,应该迅速用手将其拉开
C.可以用湿抹布擦拭正在使用的电视机
D.控制用电器的开关应该串联在火线与用电器之间
A.家庭电路中的空气开关跳闸一定是发生了短路
B.发现有人触电时,应该迅速用手将其拉开
C.可以用湿抹布擦拭正在使用的电视机
D.控制用电器的开关应该串联在火线与用电器之间
答案:
D
2.(2022·常德)如图所示为家庭电路的简化电路图,若该电路中各处的连接都是正确的,则关于该家庭电路,下列说法中正确的是 ( )

A.电能表是测量家庭电路中用电器总功率的仪表
B.a 线是零线,b 线是火线
C.开关是串联在火线与灯泡 L 之间的
D.电视机与电风扇是串联在电路中的
A.电能表是测量家庭电路中用电器总功率的仪表
B.a 线是零线,b 线是火线
C.开关是串联在火线与灯泡 L 之间的
D.电视机与电风扇是串联在电路中的
答案:
C
3.(2022·武汉)关于生活用电,下列说法错误的是 ( )

A.使用螺丝刀试电笔时要用指尖抵住上端的金属帽
B.与三孔插座中标有①的插孔相连的导线和室外的大地相连
C.人站在干燥的木凳上同时接触火线和零线,不会触电
D.用电器的总功率过大,容易发生火灾
A.使用螺丝刀试电笔时要用指尖抵住上端的金属帽
B.与三孔插座中标有①的插孔相连的导线和室外的大地相连
C.人站在干燥的木凳上同时接触火线和零线,不会触电
D.用电器的总功率过大,容易发生火灾
答案:
C
4.(2022·淮南模拟)小卓同学想在家里安装一盏照明灯,如图是他设计的电路,当安装完毕后,闭合开关 S,电灯 L 不亮,用试电笔分别测试 a、b、c、d、e 点时,试电笔的氖管都发光,则电路的 ( )

A.c 点与进户火线之间断路
B.a 点与进户零线之间断路
C.灯泡断路
D.灯泡短路
A.c 点与进户火线之间断路
B.a 点与进户零线之间断路
C.灯泡断路
D.灯泡短路
答案:
B
5.小王家原来各用电器都在正常工作,当他把手机充电器的插头插入插座时,家中所有的用电器都停止了工作,其原因最有可能的是 ( )
A.这个插座的火线和零线原来就相接触形成了短路
B.插头插入这个插座时,导致火线和零线相接触形成了短路
C.插头与这个插座接触不良形成了断路
D.同时工作的用电器过多,导致干路电流过大,保险开关跳闸
A.这个插座的火线和零线原来就相接触形成了短路
B.插头插入这个插座时,导致火线和零线相接触形成了短路
C.插头与这个插座接触不良形成了断路
D.同时工作的用电器过多,导致干路电流过大,保险开关跳闸
答案:
B
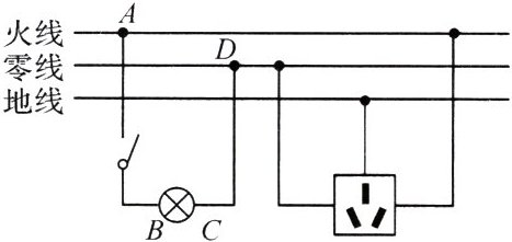
6.(多选)如图所示家庭电路连接正确,各元件均正常,下列有关说法正确的是 ( )

A.洗衣机接入三孔插座后电灯与洗衣机是串联的
B.洗衣机接入三孔插座能使洗衣机金属外壳接地
C.闭合开关时,接触 B 点或 C 点都可能引起触电
D.断开开关时,在 B、C 两点测试时试电笔氖管都不发光
A.洗衣机接入三孔插座后电灯与洗衣机是串联的
B.洗衣机接入三孔插座能使洗衣机金属外壳接地
C.闭合开关时,接触 B 点或 C 点都可能引起触电
D.断开开关时,在 B、C 两点测试时试电笔氖管都不发光
答案:
BD
查看更多完整答案,请扫码查看