2025年奔跑吧少年八年级科学上册浙教版
注:目前有些书本章节名称可能整理的还不是很完善,但都是按照顺序排列的,请同学们按照顺序仔细查找。练习册 2025年奔跑吧少年八年级科学上册浙教版 答案主要是用来给同学们做完题方便对答案用的,请勿直接抄袭。
1. 测量串联电路的电压。
(1) 电路:
(2) 现象: 用电压表测得灯 $ L_1 $ 两端的电压与灯 $ L_2 $ 两端的电压
(3) 实验结论: 串联电路两端的总电压等于各部分电路两端的电压之和, 即
2. 测量并联电路的电压。
(1) 电路:
(2) 现象: 用电压表测得灯 $ L_1 $ 两端的电压、灯 $ L_2 $ 两端的电压与灯 $ L_1 $、$ L_2 $ 所在的并联电路两端的总电压
(3) 实验结论: 并联电路各支路两端的电压均相等, 即
3. 电压表与电流表的比较。

第四行:
第五行:
第六行:
第七行:
(1) 电路:
(2) 现象: 用电压表测得灯 $ L_1 $ 两端的电压与灯 $ L_2 $ 两端的电压
之和
等于灯 $ L_1 $、$ L_2 $ 所在串联电路两端的总电压
。(3) 实验结论: 串联电路两端的总电压等于各部分电路两端的电压之和, 即
$U_{总}=U_{1}+U_{2}$
。2. 测量并联电路的电压。
(1) 电路:
(2) 现象: 用电压表测得灯 $ L_1 $ 两端的电压、灯 $ L_2 $ 两端的电压与灯 $ L_1 $、$ L_2 $ 所在的并联电路两端的总电压
相等
。(3) 实验结论: 并联电路各支路两端的电压均相等, 即
$U_{总}=U_{1}=U_{2}$
。3. 电压表与电流表的比较。
第四行:
串联
并联
第五行:
0~0.6
0~3
0~3
0~15
第六行:
不能
能直接
第七行:
调零
量程
+
-
分度值
垂直
答案:
(2)之和 总电压
(3)$U_{总}=U_{1}+U_{2}$
(2)相等
(3)$U_{总}=U_{1}=U_{2}$第四行:串联 并联 第五行:0~0.6 0~3 0~3 0~15 第六行:不能 能直接 第七行:调零 量程 + - 分度值 垂直
(2)之和 总电压
(3)$U_{总}=U_{1}+U_{2}$
(2)相等
(3)$U_{总}=U_{1}=U_{2}$第四行:串联 并联 第五行:0~0.6 0~3 0~3 0~15 第六行:不能 能直接 第七行:调零 量程 + - 分度值 垂直
4. 判断下列说法是否正确(正确的画“√”, 错误的画“×”)。
(1) 电压表应该与待测用电器并联。 (
(2) 在不确定待测电压时, 应该先采用电压表的大量程试触。 (
(3) 并联电路的总电压等于各支路两端的电压之和。 (
(4) 由三节普通干电池串联成的电池组电压是 4.5 V。 (
(1) 电压表应该与待测用电器并联。 (
√
)(2) 在不确定待测电压时, 应该先采用电压表的大量程试触。 (
√
)(3) 并联电路的总电压等于各支路两端的电压之和。 (
×
)(4) 由三节普通干电池串联成的电池组电压是 4.5 V。 (
√
)
答案:
(1)√
(2)√
(3)×
(4)√
(1)√
(2)√
(3)×
(4)√
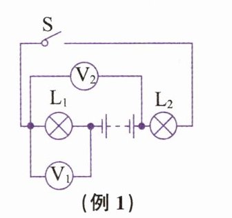
【例 1】如图所示的电路中, 当开关 $ S $ 闭合时, 电压表 $ V_1 $ 的示数为 3 V, 电压表 $ V_2 $ 的示数为 6 V, 则电源电压为 ( )

A. 3 V
B. 6 V
C. 9 V
D. 12 V
A. 3 V
B. 6 V
C. 9 V
D. 12 V
答案:
C
查看更多完整答案,请扫码查看