第16页
- 第1页
- 第2页
- 第3页
- 第4页
- 第5页
- 第6页
- 第7页
- 第8页
- 第9页
- 第10页
- 第11页
- 第12页
- 第13页
- 第14页
- 第15页
- 第16页
- 第17页
- 第18页
- 第19页
- 第20页
- 第21页
- 第22页
- 第23页
- 第24页
- 第25页
- 第26页
- 第27页
- 第28页
- 第29页
- 第30页
- 第31页
- 第32页
- 第33页
- 第34页
- 第35页
- 第36页
- 第37页
- 第38页
- 第39页
- 第40页
- 第41页
- 第42页
- 第43页
- 第44页
- 第45页
- 第46页
- 第47页
- 第48页
- 第49页
- 第50页
- 第51页
- 第52页
- 第53页
- 第54页
- 第55页
- 第56页
- 第57页
- 第58页
- 第59页
- 第60页
- 第61页
- 第62页
- 第63页
- 第64页
- 第65页
- 第66页
- 第67页
- 第68页
- 第69页
- 第70页
- 第71页
- 第72页
- 第73页
- 第74页
- 第75页
- 第76页
- 第77页
- 第78页
- 第79页
- 第80页
- 第81页
- 第82页
- 第83页
- 第84页
- 第85页
- 第86页
- 第87页
- 第88页
- 第89页
- 第90页
- 第91页
- 第92页
- 第93页
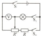
6.(2023·荆州节选)某同学设计了如图所示的电路来测量额定电压为6 V的小灯泡的额定功率。已知电源电压为18 V,定值电阻R的阻值为20 Ω。实验步骤如下:
①开关S、S₁闭合,S₂断开,调节滑动变阻器R'的滑片,使小灯泡正常发光;
②保持滑片位置不动,开关S、S₂闭合,S₁断开,此时电压表的示数为8 V;
③再将滑动变阻器的滑片移至最右端,此时电压表的示数为14 V;
④小灯泡的额定功率Pₙ = __________W。
①开关S、S₁闭合,S₂断开,调节滑动变阻器R'的滑片,使小灯泡正常发光;
②保持滑片位置不动,开关S、S₂闭合,S₁断开,此时电压表的示数为8 V;
③再将滑动变阻器的滑片移至最右端,此时电压表的示数为14 V;
④小灯泡的额定功率Pₙ = __________W。
答案:
1.8
7.(答题模板)用电流表和已知阻值的定值电阻测小灯泡的电功率,在测量时,如图所示,将灯泡与已知阻值为R₀的电阻并联,用电流表A₁测出通过电阻R₀的电流I₁,用电流表A₂测出通过灯泡L的电流I₂,R₀两端的电压U = __________,灯泡的电功率P = __________。

答案:
$I_{1}R_{0}$ $I_{1}I_{2}R_{0}$
8.下列各电路中,电阻R的阻值和小灯泡的额定电压已知,电流表能正常读数,则能测出小灯泡L额定功率的电路是 ( )

答案:
C
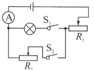
9.(中考·盘锦改编)在“测定小灯泡电功率”的实验中,小敏设计了如图所示的电路,测出了额定电流为Iₙ的小灯泡的额定功率。实验方案如下:(电源电压不变,滑动变阻器R₁的最大阻值为R₁)

(1)按电路图连接电路。
(2)只闭合开关__________,移动R₁滑片,使电流表的示数为Iₙ,灯泡正常发光。
(3)只闭合开关__________,保持R₁滑片位置不动,移动R₂滑片,使电流表的示数为Iₙ。
(4)保持__________滑片位置不动,将另一个滑动变阻器滑片移到最左端,电流表的示数为I₁,再将此滑动变阻器的滑片移到最右端,电流表的示数为I₂。
(5)小灯泡额定功率的表达式为Pₙ = __________(用Iₙ、I₁、I₂、R₁表示)
(1)按电路图连接电路。
(2)只闭合开关__________,移动R₁滑片,使电流表的示数为Iₙ,灯泡正常发光。
(3)只闭合开关__________,保持R₁滑片位置不动,移动R₂滑片,使电流表的示数为Iₙ。
(4)保持__________滑片位置不动,将另一个滑动变阻器滑片移到最左端,电流表的示数为I₁,再将此滑动变阻器的滑片移到最右端,电流表的示数为I₂。
(5)小灯泡额定功率的表达式为Pₙ = __________(用Iₙ、I₁、I₂、R₁表示)
答案:
(2)$S_{1}$
(3)$S_{2}$
(4)$R_{2}$
(5)$\frac{I_{额}^{2}I_{2}R_{1}}{I_{1}-I_{2}}$
(2)$S_{1}$
(3)$S_{2}$
(4)$R_{2}$
(5)$\frac{I_{额}^{2}I_{2}R_{1}}{I_{1}-I_{2}}$
查看更多完整答案,请扫码查看