第74页
- 第1页
- 第2页
- 第3页
- 第4页
- 第5页
- 第6页
- 第7页
- 第8页
- 第9页
- 第10页
- 第11页
- 第12页
- 第13页
- 第14页
- 第15页
- 第16页
- 第17页
- 第18页
- 第19页
- 第20页
- 第21页
- 第22页
- 第23页
- 第24页
- 第25页
- 第26页
- 第27页
- 第28页
- 第29页
- 第30页
- 第31页
- 第32页
- 第33页
- 第34页
- 第35页
- 第36页
- 第37页
- 第38页
- 第39页
- 第40页
- 第41页
- 第42页
- 第43页
- 第44页
- 第45页
- 第46页
- 第47页
- 第48页
- 第49页
- 第50页
- 第51页
- 第52页
- 第53页
- 第54页
- 第55页
- 第56页
- 第57页
- 第58页
- 第59页
- 第60页
- 第61页
- 第62页
- 第63页
- 第64页
- 第65页
- 第66页
- 第67页
- 第68页
- 第69页
- 第70页
- 第71页
- 第72页
- 第73页
- 第74页
- 第75页
- 第76页
- 第77页
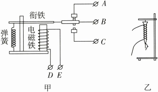
8. (2022·南充中考)电和磁的关系可以理解为“电生磁”或“磁生电”,下列几个装置都与这一关系有关,其中正确的说法是 ( )


A. 图甲,当电磁继电器线圈通以额定电流时,接线柱A、B接通
B. 图乙,绕在铁钉上的线圈通电电流越大,能吸引的回形针数量越多
C. 图丙,动圈式话筒的工作原理与电动机的工作原理相同
D. 图丁,扬声器是利用电磁感应的原理工作的
A. 图甲,当电磁继电器线圈通以额定电流时,接线柱A、B接通
B. 图乙,绕在铁钉上的线圈通电电流越大,能吸引的回形针数量越多
C. 图丙,动圈式话筒的工作原理与电动机的工作原理相同
D. 图丁,扬声器是利用电磁感应的原理工作的
答案:
B
9. 如图为直流电动机的基本构造示意图. 以下相关的分析正确的是 ( )

A. 电动机是利用电流的磁效应原理工作的
B. 电动机工作过程中,消耗的电能全部转化为机械能
C. 使线圈连续不停地转动下去是靠电磁继电器来实现的
D. 仅改变磁场的方向可以改变线圈转动的方向
A. 电动机是利用电流的磁效应原理工作的
B. 电动机工作过程中,消耗的电能全部转化为机械能
C. 使线圈连续不停地转动下去是靠电磁继电器来实现的
D. 仅改变磁场的方向可以改变线圈转动的方向
答案:
D
10. (教材变式题)在科学研究的道路上经常会出现令人惋惜的遗憾. 例如1825年的某天,瑞士物理学家科拉顿一个人在研究电磁现象时,进行实验的示意图如图甲所示,简化装置图如图乙. 为避免磁铁的磁场对小磁针的作用,科拉顿把实验装置放在两个房间,在右边房间里把磁铁反复插入线圈,然后跑到左边房间里观察,结果没有看到小磁针偏转. 下列说法正确的是 ( )

A. 该实验过程中没有发生电磁感应现象
B. 通电导线周围产生磁场的现象叫电磁感应现象
C. 科拉顿没看到小磁针偏转,是因为线圈中没有产生电流,所以看不到小磁针偏转
D. 科拉顿没看到小磁针偏转,是因为当他切割完磁感线再跑到另一个房间时,线圈中产生的电流已经消失,所以小磁针也停止了偏转
A. 该实验过程中没有发生电磁感应现象
B. 通电导线周围产生磁场的现象叫电磁感应现象
C. 科拉顿没看到小磁针偏转,是因为线圈中没有产生电流,所以看不到小磁针偏转
D. 科拉顿没看到小磁针偏转,是因为当他切割完磁感线再跑到另一个房间时,线圈中产生的电流已经消失,所以小磁针也停止了偏转
答案:
D
11. 矩形铜线框在某磁场中的位置如图所示,ab、bc、ed和fe段都受到该磁场的作用力,下列受到该磁场的作用力方向相同的两段是 ( )

A. ab段与bc段
B. ab段与ed段
C. ab段与fe段
D. fe段与ed段
A. ab段与bc段
B. ab段与ed段
C. ab段与fe段
D. fe段与ed段
答案:
B
12. (多选)(2022·潍坊中考)图甲所示是一种自行车上的装置,车前端的灯泡与该装置内部线圈相连,自行车车轮的转动带动该装置上端的小轮转动,小轮带动内部的磁铁转动,灯泡便发光照明,图乙是其结构示意图. 下列分析正确的是 ( )

A. 该装置是一种电动机
B. 该装置将机械能转化为电能
C. 增大车轮转速灯泡亮度变大
D. 车轮与小轮间应尽量光滑
A. 该装置是一种电动机
B. 该装置将机械能转化为电能
C. 增大车轮转速灯泡亮度变大
D. 车轮与小轮间应尽量光滑
答案:
BC
查看更多完整答案,请扫码查看