第32页
- 第1页
- 第2页
- 第3页
- 第4页
- 第5页
- 第6页
- 第7页
- 第8页
- 第9页
- 第10页
- 第11页
- 第12页
- 第13页
- 第14页
- 第15页
- 第16页
- 第17页
- 第18页
- 第19页
- 第20页
- 第21页
- 第22页
- 第23页
- 第24页
- 第25页
- 第26页
- 第27页
- 第28页
- 第29页
- 第30页
- 第31页
- 第32页
- 第33页
- 第34页
- 第35页
- 第36页
- 第37页
- 第38页
- 第39页
- 第40页
- 第41页
- 第42页
- 第43页
- 第44页
- 第45页
- 第46页
- 第47页
- 第48页
- 第49页
- 第50页
- 第51页
- 第52页
- 第53页
- 第54页
- 第55页
- 第56页
- 第57页
- 第58页
- 第59页
- 第60页
- 第61页
- 第62页
- 第63页
- 第64页
- 第65页
- 第66页
- 第67页
- 第68页
- 第69页
- 第70页
- 第71页
- 第72页
- 第73页
- 第74页
- 第75页
- 第76页
- 第77页
19. (12 分)小兰同学对串联电路中电压的规律进行了探究.
(1)根据图甲所示电路图,用笔画线代替导线连接图乙所示实物电路.
(2)如图甲所示,闭合开关 S,发现 L₁不发光,L₂比较亮,电压表示数为零,则 L₁的故障是_______.
(3)排除故障后,小兰正确测出了 L₁两端的电压,在测 L₂两端的电压时,小兰打算采用以下方法:电压表所接的 B 接点不动,只断开 A 接点,并改接到 C 接点上. 此操作可能会导致电压表出现的现象是_______.
(4)最后,小兰按照正确的方法测出了 L₁、L₂、AC 之间的电压,Uₗ₁ = 2.4 V,Uₗ₂ = 1.6 V,UₐC 的示数如图丙所示,读出 UₐC = _______ V,并得出了实验的最终结论. 实验结论为_______.
(5)此实验依然存在一定的缺陷,你的改进方法是_______.


(1)根据图甲所示电路图,用笔画线代替导线连接图乙所示实物电路.
(2)如图甲所示,闭合开关 S,发现 L₁不发光,L₂比较亮,电压表示数为零,则 L₁的故障是_______.
(3)排除故障后,小兰正确测出了 L₁两端的电压,在测 L₂两端的电压时,小兰打算采用以下方法:电压表所接的 B 接点不动,只断开 A 接点,并改接到 C 接点上. 此操作可能会导致电压表出现的现象是_______.
(4)最后,小兰按照正确的方法测出了 L₁、L₂、AC 之间的电压,Uₗ₁ = 2.4 V,Uₗ₂ = 1.6 V,UₐC 的示数如图丙所示,读出 UₐC = _______ V,并得出了实验的最终结论. 实验结论为_______.
(5)此实验依然存在一定的缺陷,你的改进方法是_______.
答案:
(1)如图所示.
(2)短路
(3)电压表指针反向偏转
(4)4 串联电路两端的总电压等于各部分电路两端电压之和
(5)换用不同规格的灯泡进行多次实验
(1)如图所示.
(2)短路
(3)电压表指针反向偏转
(4)4 串联电路两端的总电压等于各部分电路两端电压之和
(5)换用不同规格的灯泡进行多次实验
五、计算题(12 分)
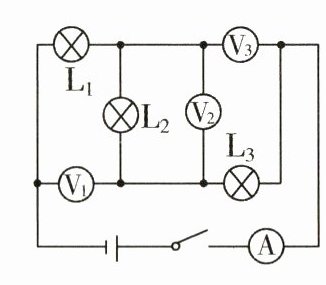
20. (12 分)如图所示,电压表 V₁、V₂、V₃的示数分别为 5 V、2 V、8 V,电流表的示数为 0.4 A. 则:
(1)L₁两端的电压为多大?
(2)电源电压为多大?
(3)通过 L₃的电流为多大?

20. (12 分)如图所示,电压表 V₁、V₂、V₃的示数分别为 5 V、2 V、8 V,电流表的示数为 0.4 A. 则:
(1)L₁两端的电压为多大?
(2)电源电压为多大?
(3)通过 L₃的电流为多大?
答案:
解:
(1)由电路图可知,三个灯泡串联,电压表V测L、L2两端电压之和,电压表V2测L2两端的电压,电压表V3测L2、L两端电压之和,由串联电路的电压特点知,U2=Uv=2V ①,Uv=U1+U2=5V ②,由①②可得L1两端的电压U=3V.
(2)Uv=U2+U3=8V ③,由①③可得U=6V,所以电源电压U=U+U2+U3=3V+2V+6V=11V.
(3)由串联电路的电流特点可知,通过L的电流I3=
IA=0.4A.
(1)由电路图可知,三个灯泡串联,电压表V测L、L2两端电压之和,电压表V2测L2两端的电压,电压表V3测L2、L两端电压之和,由串联电路的电压特点知,U2=Uv=2V ①,Uv=U1+U2=5V ②,由①②可得L1两端的电压U=3V.
(2)Uv=U2+U3=8V ③,由①③可得U=6V,所以电源电压U=U+U2+U3=3V+2V+6V=11V.
(3)由串联电路的电流特点可知,通过L的电流I3=
IA=0.4A.
查看更多完整答案,请扫码查看