4. (4分)电动自行车两刹车手柄中各有一个开关 $ S_{1} $、$ S_{2} $,在行驶中用任意一只手柄刹车时,该手柄上的开关立即断开,电动机停止工作。下列电路设计符合要求的是(

C
)
答案:
C
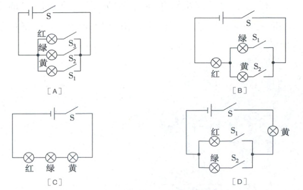
5. (4分)现代社会倡导文明出行,经过交通路口要遵守“红灯停、绿灯行、黄灯等”的规则,某学习小组的4名同学观察十字路口的交通信号灯后,发现红灯、绿灯、黄灯可以独立工作,他们分别设计了下列电路图,其中正确的是(

A
)
答案:
A
6. (4分)(2024·常州中考)某款电子垃圾桶可以将湿的厨余垃圾变干,作为动物饲料。将湿的厨余垃圾倒入垃圾桶,电路检测到桶内垃圾湿时,就吹风,吹风过程中:当桶内温度低时,吹热风;当桶内温度高时,吹冷风……直至垃圾变干,之后,整个电路结束工作。开关 $ S_{温控} $ 在垃圾湿时闭合、干时断开;开关 $ S_{温控} $ 在桶内温度低( $ \leq 60 ^ { \circ } \mathrm { C } $ )时闭合、温度高( $ > 60 ^ { \circ } \mathrm { C } $ )时断开。下列电路符合要求的是(

B
)
答案:
B 解析:由题意知,当桶内温度低时,吹热风;当桶内温度高时,吹冷风,由此可知电热丝与电动机并联,开关S温控与电热丝在一条支路;垃圾变干,整个电路结束工作,开关S温控在干路上。故B符合题意,A、C、D不符合题意。故选B。
查看更多完整答案,请扫码查看