12. 如图所示,闭合开关后,其中电压表 $ V_{1} $、$ V_{2} $ 和 $ V_{3} $ 的示数分别为 $ U_{1} $、$ U_{2} $ 和 $ U_{3} $,则三个电压表示数之间存在的关系是

U₃ = U₁ + U₂
。
答案:
U₃ = U₁ + U₂
13. $ A $、$ B $ 是两根材料相同、长度相同的导体,如果导体 $ A $ 的横截面积是 $ 0.5\ cm^{2} $,导体 $ B $ 的横截面积是 $ 5\ mm^{2} $,则导体 $ A $ 的电阻
小于
(选填“大于”“等于”或“小于”)导体 $ B $ 的电阻。
答案:
小于
14. 如图所示,电源电压保持不变,当 $ S_{1} $ 闭合,$ S_{2} $ 断开时,电压表的示数为 $ 4\ V $;当 $ S_{1} $ 断开,$ S_{2} $ 闭合时,电压表的示数为 $ 6.2\ V $,则此时灯 $ L_{1} $ 和 $ L_{2} $ 两端的电压分别是 $□$

4
V 和 $□$2.2
V。
答案:
4 2.2
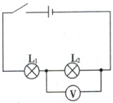
15. 如图所示是小晶所连的电路,她要测量小灯泡 $ L_{2} $ 两端的电压。
(1)请你找出连错的导线,在这根导线上画“×”,并用笔画线重新画出一根,使其连接正确。
(2)在虚线框里画出正确连线后的电路图。

(1)请你找出连错的导线,在这根导线上画“×”,并用笔画线重新画出一根,使其连接正确。
(2)在虚线框里画出正确连线后的电路图。
答案:
(1)如图所示。
(2)如图所示。
(1)如图所示。
(2)如图所示。
16. (12 分)小华在实验室中找到几根金属丝探究影响导体电阻大小的因素。

(1)实验中可以在电路中串联一个
(2)小华探究导体电阻大小与长度的关系时,应选用金属丝
①长度、横截面积
②长度、材料
③横截面积、材料
(3)滑动变阻器的原理是通过改变连入电路的电阻丝的
(1)实验中可以在电路中串联一个
小灯泡
(选填“小灯泡”或“电流表”),既方便比较电阻大小又可以保护电路。(2)小华探究导体电阻大小与长度的关系时,应选用金属丝
A、B
,得到的结论是其他条件相同时,导体的长度越长,电阻越 大
;如果小华只用金属丝 $ B $,可以探究导体电阻大小与 ①
(选填“①”“②”或“③”)的关系。①长度、横截面积
②长度、材料
③横截面积、材料
(3)滑动变阻器的原理是通过改变连入电路的电阻丝的
长度
来改变电阻的大小,如果将滑动变阻器按图乙所示的方法连入电路,则此时滑动变阻器相当于 导线
(选填“定值电阻”或“导线”)。
答案:
(1)小灯泡
(2)A、B 大 ①
(3)长度 导线
(1)小灯泡
(2)A、B 大 ①
(3)长度 导线
查看更多完整答案,请扫码查看