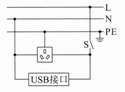
17. 现代家庭生活中,很多插线板都带有 USB 充电口,能够直接为手机充电。请将电路图补充完整。要求:开关 $ S $ 控制整个电路;$ S $ 闭合后,该电路既能给手机充电,同时又不影响为其他家用电器供电。

答案:
如图所示

如图所示
18. (2024·河南中考)小华家新买了一台电暖器,部分参数如下表,通过调节旋钮,可实现高温挡、低温挡的切换。她结合所学知识进行了以下研究。


(1)如图所示,电暖器的插头是三脚插头,插头中较长的脚与电暖器的金属外壳相连,插入插座后,就将电暖器的金属外壳与家庭电路的
(2)小华家墙上的插座允许通过的最大电流为 10 A,请通过计算说明此插座能否满足该电暖器的正常使用。
该插座允许接入的最大功率
$P_{最大}=UI=220\ V× 10\ A=2200\ W$
$P_{最大}$大于高温挡功率,该插座可以满足电暖器的正常使用。
(3)若该电暖器一天正常工作 6 h,其中高温挡 2 h,低温挡 4 h,则它一天耗电多少千瓦时?
(4)小华与妈妈一起做饭时,准备同时使用电饭锅和电磁炉。小华说:“应先把电暖器关掉,否则容易使家庭电路的干路导线过热而引发火灾。”请运用物理知识进行解释。
(1)如图所示,电暖器的插头是三脚插头,插头中较长的脚与电暖器的金属外壳相连,插入插座后,就将电暖器的金属外壳与家庭电路的
保护
线相连,可防止漏电时对人造成伤害。电暖器工作时房间温度升高,这是通过热传递
的方式增大空气内能的。(2)小华家墙上的插座允许通过的最大电流为 10 A,请通过计算说明此插座能否满足该电暖器的正常使用。
该插座允许接入的最大功率
$P_{最大}=UI=220\ V× 10\ A=2200\ W$
$P_{最大}$大于高温挡功率,该插座可以满足电暖器的正常使用。
(3)若该电暖器一天正常工作 6 h,其中高温挡 2 h,低温挡 4 h,则它一天耗电多少千瓦时?
$7.2\ kW\cdoth$
(4)小华与妈妈一起做饭时,准备同时使用电饭锅和电磁炉。小华说:“应先把电暖器关掉,否则容易使家庭电路的干路导线过热而引发火灾。”请运用物理知识进行解释。
若同时使用电饭锅、电磁炉和电暖器,则电路的总功率较大,根据$I=\frac{P}{U}$可知,干路导线中的电流较大,根据焦耳定律$Q=I^{2}Rt$,干路中的导线发热较多,导线过热可能引发火灾。
答案:
(1)保护 热传递
(2)该插座允许接入的最大功率
$P_{最大}=UI=220\ V× 10\ A=2200\ W$
$P_{最大}$大于高温挡功率,该插座可以满足电暖器的正常使用。
(3)$7.2\ kW\cdoth$
(4)若同时使用电饭锅、电磁炉和电暖器,则电路的总功率较大,根据$I=\frac{P}{U}$可知,干路导线中的电流较大,根据焦耳定律$Q=I^{2}Rt$,干路中的导线发热较多,导线过热可能引发火灾。
(1)保护 热传递
(2)该插座允许接入的最大功率
$P_{最大}=UI=220\ V× 10\ A=2200\ W$
$P_{最大}$大于高温挡功率,该插座可以满足电暖器的正常使用。
(3)$7.2\ kW\cdoth$
(4)若同时使用电饭锅、电磁炉和电暖器,则电路的总功率较大,根据$I=\frac{P}{U}$可知,干路导线中的电流较大,根据焦耳定律$Q=I^{2}Rt$,干路中的导线发热较多,导线过热可能引发火灾。
查看更多完整答案,请扫码查看