15. (12分)用如图甲所示的电路探究通过导体的电流与电压和电阻的关系.

(1)实验前,电压表的指针位置如图乙所示,其原因是______
(2)连接好电路,闭合开关后,移动滑片发现电流表无示数,电压表示数发生改变,若电路中只有一处故障,则该故障可能是______
(3)在探究电流与电压的关系时,为了改变电阻箱$R_{1}$两端的电压,______
(4)在探究电流与电阻的关系时,根据实验数据绘出了$I-\frac {1}{R}$图像,如图丙所示,分析图像可得出结论:______
(1)实验前,电压表的指针位置如图乙所示,其原因是______
指针没调零
(填“指针没调零”或“正负接线柱接反了”).(2)连接好电路,闭合开关后,移动滑片发现电流表无示数,电压表示数发生改变,若电路中只有一处故障,则该故障可能是______
电流表短路
.(3)在探究电流与电压的关系时,为了改变电阻箱$R_{1}$两端的电压,______
不需要
(填“需要”或“不需要”)调节$R_{1}$的阻值.(4)在探究电流与电阻的关系时,根据实验数据绘出了$I-\frac {1}{R}$图像,如图丙所示,分析图像可得出结论:______
导体两端的电压一定时,通过导体的电流与其电阻成反比
.实验过程中,控制导体两端的电压为______2
V.
答案:
(1)指针没调零
(2)电流表短路
(3)不需要
(4)导体两端的电压一定时,通过导体的电流与其电阻成反比 2
(1)指针没调零
(2)电流表短路
(3)不需要
(4)导体两端的电压一定时,通过导体的电流与其电阻成反比 2
16. (12分)为测定标有“3.8V”字样小灯泡正常发光时的电阻,小明设计了如图甲所示的电路,电源电压为6V且保持不变.
(1)闭合开关前,小明观察到电流表指针如图乙所示,应该对电流表______. 他发现电路中有一根导线连接错误,请在该导线上画“×”,并用笔画线代替导线,画出正确的连线.

(2)正确连接电路后闭合开关,移动滑片P,发现小灯泡始终不亮,电流表有示数,电压表示数为零,则电路故障可能是______.
(3)排除故障后,继续实验. 移动滑片P,使电压表示数分别为2.0V、3.8V、4.5V,记录下对应的电流表示数分别为0.22A、0.30A、0.32A,小灯泡正常发光时的电阻为______Ω(结果保留一位小数).
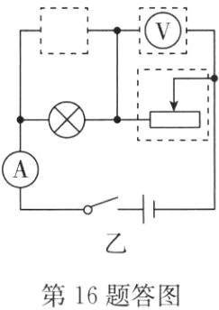
(4)小红认为有更精确的测量方案,她初步设计了图丙所示的电路,请从滑动变阻器(0~20Ω)、电阻箱(最低倍率是×1,元件符号是)、电压表(0~3V)中选择两
个器材,并将它们的电路元件符号填入图丙中合适的虚线框中,请帮助小红完成电路设计.
(1)闭合开关前,小明观察到电流表指针如图乙所示,应该对电流表______. 他发现电路中有一根导线连接错误,请在该导线上画“×”,并用笔画线代替导线,画出正确的连线.
(2)正确连接电路后闭合开关,移动滑片P,发现小灯泡始终不亮,电流表有示数,电压表示数为零,则电路故障可能是______.
(3)排除故障后,继续实验. 移动滑片P,使电压表示数分别为2.0V、3.8V、4.5V,记录下对应的电流表示数分别为0.22A、0.30A、0.32A,小灯泡正常发光时的电阻为______Ω(结果保留一位小数).
(4)小红认为有更精确的测量方案,她初步设计了图丙所示的电路,请从滑动变阻器(0~20Ω)、电阻箱(最低倍率是×1,元件符号是)、电压表(0~3V)中选择两
答案:
(1)调零 如答图甲所示
(2)小灯泡短路(或电压表短路)
(3)12.7
(4)如答图乙所示
(1)调零 如答图甲所示
(2)小灯泡短路(或电压表短路)
(3)12.7
(4)如答图乙所示
查看更多完整答案,请扫码查看