2026年学易优高考二轮总复习物理
注:目前有些书本章节名称可能整理的还不是很完善,但都是按照顺序排列的,请同学们按照顺序仔细查找。练习册 2026年学易优高考二轮总复习物理 答案主要是用来给同学们做完题方便对答案用的,请勿直接抄袭。
7.(2025·河南模拟预测)如图所示,平面直角坐标系$xOy$内有一射线$OP$,与$x$轴正方向的夹角为$60^{\circ}$,在射线$OP$和$x$轴之间的区域存在匀强磁场,磁感应强度大小为$B$,方向垂直坐标平面向里。坐标平面内有一刚性直角三角形金属线框$abc$,$\angle\alpha=30^{\circ}$,总电阻为$R$,线框在外力的作用下以恒定速度$v_{0}$沿$x$轴正方向运动,运动过程中线框不翻转,且$ab$边始终与$x$轴重合。从线框进入磁场区域开始计时,在时刻$t_{0}$线框内的电流达到最大值,则下列说法正确的是 (

A.线框内的电流方向先逆时针后顺时针
B.在$t_{0}$时刻,线框内的电流为$\dfrac{Bv_{0}^{2}t_{0}}{R}$
C.在$2t_{0}$时刻,线框内的电流为$\dfrac{\sqrt{3}Bv_{0}^{2}t_{0}}{2R}$
D.线框进入磁场的整个过程中,通过线框某一横截面的电荷量为$\dfrac{3\sqrt{3}Bv_{0}^{2}t_{0}^{2}}{R}$
C
)A.线框内的电流方向先逆时针后顺时针
B.在$t_{0}$时刻,线框内的电流为$\dfrac{Bv_{0}^{2}t_{0}}{R}$
C.在$2t_{0}$时刻,线框内的电流为$\dfrac{\sqrt{3}Bv_{0}^{2}t_{0}}{2R}$
D.线框进入磁场的整个过程中,通过线框某一横截面的电荷量为$\dfrac{3\sqrt{3}Bv_{0}^{2}t_{0}^{2}}{R}$
答案:
7.答案:C
解析:根据右手定则可知,线框内的电流方向为逆时针,故A错误;在$t_{0}$时刻,线框内的电流达到最大值,则线框内的电流为$I_{m} = \frac{E_{m}}{R} = \frac{Bv_{0} · v_{0}t_{0}\tan 60^{\circ}}{R} = \frac{\sqrt{3}Bv_{0}^{2}t_{0}}{R}$,故B错误;在$2t_{0}$时刻,切割磁感线的有效长度为$l = v_{0}t_{0}\sin 60^{\circ}$,所以线框内的电流为$I = \frac{Blv_{0}}{R} = \frac{\sqrt{3}Bv_{0}^{2}t_{0}}{2R}$,故C正确;线框进入磁场的整个过程中,通过线框某一横截面的电荷量为$q = \bar{I} · \Delta t = \frac{E}{R} · \Delta t = \frac{\Delta \Phi}{R} = \frac{\frac{1}{2} · 3v_{0}t_{0} · \sqrt{3}v_{0}t_{0}}{R} = \frac{3\sqrt{3}Bv_{0}^{2}t_{0}^{2}}{2R}$,故D错误。
解析:根据右手定则可知,线框内的电流方向为逆时针,故A错误;在$t_{0}$时刻,线框内的电流达到最大值,则线框内的电流为$I_{m} = \frac{E_{m}}{R} = \frac{Bv_{0} · v_{0}t_{0}\tan 60^{\circ}}{R} = \frac{\sqrt{3}Bv_{0}^{2}t_{0}}{R}$,故B错误;在$2t_{0}$时刻,切割磁感线的有效长度为$l = v_{0}t_{0}\sin 60^{\circ}$,所以线框内的电流为$I = \frac{Blv_{0}}{R} = \frac{\sqrt{3}Bv_{0}^{2}t_{0}}{2R}$,故C正确;线框进入磁场的整个过程中,通过线框某一横截面的电荷量为$q = \bar{I} · \Delta t = \frac{E}{R} · \Delta t = \frac{\Delta \Phi}{R} = \frac{\frac{1}{2} · 3v_{0}t_{0} · \sqrt{3}v_{0}t_{0}}{R} = \frac{3\sqrt{3}Bv_{0}^{2}t_{0}^{2}}{2R}$,故D错误。
8.(2025·山东临沂一模)一定质量的理想气体从状态$A$开始,经$A\rightarrow B$、$B\rightarrow C$、$C\rightarrow A$三个过程后回到初始状态$A$,其$p-V$图像如图所示,已知状态$A$的气体温度为$T_{A}=200\ \mathrm{K}$,下列说法正确的是 (

A.状态$B$的气体温度为$627^{\circ}\mathrm{C}$
B.在$A\rightarrow B$过程中,气体既不对外做功,外界也不对气体做功
C.在$B\rightarrow C$过程中,气体对外做功$1200\ \mathrm{J}$
D.在$A\rightarrow B\rightarrow C\rightarrow A$一个循环过程中,气体向外界释放热量$450\ \mathrm{J}$
BD
)A.状态$B$的气体温度为$627^{\circ}\mathrm{C}$
B.在$A\rightarrow B$过程中,气体既不对外做功,外界也不对气体做功
C.在$B\rightarrow C$过程中,气体对外做功$1200\ \mathrm{J}$
D.在$A\rightarrow B\rightarrow C\rightarrow A$一个循环过程中,气体向外界释放热量$450\ \mathrm{J}$
答案:
8.答案:BD
解析:由$A \to B$为等容变化,有$\frac{p_{B}}{T_{B}} = \frac{p_{A}}{T_{A}}$,解得$T_{B} = \frac{p_{B}T_{A}}{p_{A}} = \frac{4 × 10^{5}}{1 × 10^{5}} × 200 K = 800 K$,状态B的气体温度为$t_{B} = (800 - 273)^{\circ}C = 527^{\circ}C$,故A错误;在$A \to B$过程中,气体体积没有发生变化,气体既不对外做功,外界也不对气体做功,故B正确;在$B \to C$过程中,气体压强不变,体积减小,外界对气体做功为$W_{1} = p_{B}(V_{B} - V_{C}) = 4 × 10^{5} × (5 - 2) × 10^{-3} J = 1200 J$,故C错误;在$A \to B \to C \to A$一个循环过程中,温度不变,内能变化$\Delta U = 0$,$A \to B$过程,气体体积不变,做功为零,即$W_{2} = 0$,$B \to C$过程,外界对气体做功为$W_{1} = 1200 J$,$C \to A$过程,气体对外界做的功等于图线与横坐标围成的面积$W_{3} = \frac{1}{2} × (1 + 4) × 10^{5} × 3 × 10^{-3} J = 750 J$,则有$W = W_{1} + W_{2} - W_{3} = 1200 J - 750 J = 450 J$,根据热力学第一定律$\Delta U = W + Q$,可得$Q = \Delta U - W = 0 - 450 J = -450 J$,气体向外界释放热量$450 J$,故D正确。
解析:由$A \to B$为等容变化,有$\frac{p_{B}}{T_{B}} = \frac{p_{A}}{T_{A}}$,解得$T_{B} = \frac{p_{B}T_{A}}{p_{A}} = \frac{4 × 10^{5}}{1 × 10^{5}} × 200 K = 800 K$,状态B的气体温度为$t_{B} = (800 - 273)^{\circ}C = 527^{\circ}C$,故A错误;在$A \to B$过程中,气体体积没有发生变化,气体既不对外做功,外界也不对气体做功,故B正确;在$B \to C$过程中,气体压强不变,体积减小,外界对气体做功为$W_{1} = p_{B}(V_{B} - V_{C}) = 4 × 10^{5} × (5 - 2) × 10^{-3} J = 1200 J$,故C错误;在$A \to B \to C \to A$一个循环过程中,温度不变,内能变化$\Delta U = 0$,$A \to B$过程,气体体积不变,做功为零,即$W_{2} = 0$,$B \to C$过程,外界对气体做功为$W_{1} = 1200 J$,$C \to A$过程,气体对外界做的功等于图线与横坐标围成的面积$W_{3} = \frac{1}{2} × (1 + 4) × 10^{5} × 3 × 10^{-3} J = 750 J$,则有$W = W_{1} + W_{2} - W_{3} = 1200 J - 750 J = 450 J$,根据热力学第一定律$\Delta U = W + Q$,可得$Q = \Delta U - W = 0 - 450 J = -450 J$,气体向外界释放热量$450 J$,故D正确。
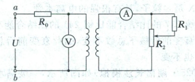
9.(2025·湖南长沙模拟)在如图所示的电路中,变压器为理想变压器,电压表、电流表均为理想交流电表,$R_{0}$、$R_{1}$为定值电阻,$R_{2}$为滑动变阻器,在$a$、$b$两端输入正弦交流电压,将滑动变阻器滑片从最上端滑到最下端的过程中,下列说法正确的是 (

A.电流表示数一直增大
B.电压表示数一直增大
C.$a$、$b$端输入功率一直增大
D.变压器的输出功率一直增大
AC
)A.电流表示数一直增大
B.电压表示数一直增大
C.$a$、$b$端输入功率一直增大
D.变压器的输出功率一直增大
答案:
9.答案:AC
解析:滑动变阻器的滑片从最上端滑到最下端的过程中,副线圈电路中的电阻减小,设副线圈电路中的电阻为R,则$U = I_{1}R_{0} + I_{1} · (\frac{n_{1}}{n_{2}})^{2}R$,当R减小时,$I_{1}$增大,根据变流比可知,电流表的示数增大,故A正确;$R_{0}$两端的电压与电压表电压之和等于$a$、$b$两端的输入电压,$R_{0}$两端的电压增大,因此电压表的示数减小,故B错误;由$P = UI_{1}$可知,$a$、$b$端输入功率一直增大,故C正确;变压器的输出功率$P_{1} = UI_{1} - I_{1}^{2}R_{0}$,由于$P_{1}$与$I_{1}$是非单调关系,因此不能判断变压器的输出功率是增大还是减小,故D错误。
解析:滑动变阻器的滑片从最上端滑到最下端的过程中,副线圈电路中的电阻减小,设副线圈电路中的电阻为R,则$U = I_{1}R_{0} + I_{1} · (\frac{n_{1}}{n_{2}})^{2}R$,当R减小时,$I_{1}$增大,根据变流比可知,电流表的示数增大,故A正确;$R_{0}$两端的电压与电压表电压之和等于$a$、$b$两端的输入电压,$R_{0}$两端的电压增大,因此电压表的示数减小,故B错误;由$P = UI_{1}$可知,$a$、$b$端输入功率一直增大,故C正确;变压器的输出功率$P_{1} = UI_{1} - I_{1}^{2}R_{0}$,由于$P_{1}$与$I_{1}$是非单调关系,因此不能判断变压器的输出功率是增大还是减小,故D错误。
10.(2025·广西三模)如图所示,两根光滑平行金属导轨平放在绝缘水平面上,左侧导轨间距为$2L$,右侧导轨间距为$L$,左右两侧分别存在垂直导轨所在平面向里和向外的匀强磁场,磁感应强度大小均为$B$。两根由相同材料制成的不同粗细的金属杆$a$、$b$恰好横跨在导轨上,$a$、$b$的质量均为$m$,$b$的电阻为$R$,初始时给$a$、$b$杆向左的瞬时速度,大小均为$v$,不计导轨电阻,$a$、$b$两杆到导轨两端及导轨间距变化处均足够远且运动过程中始终与导轨垂直,则 (

A.刚开始运动时通过$a$的电流大小为$\dfrac{BLv}{R}$
B.导体棒$a$先向左减速,再向右加速,最后匀速
C.从开始到运动恰好稳定的过程中通过$b$某横截面的电荷量为$\dfrac{3mv}{5BL}$
D.从开始到运动恰好稳定的过程中$b$上产生的焦耳热为$\dfrac{9mv^{2}}{50}$
BCD
)A.刚开始运动时通过$a$的电流大小为$\dfrac{BLv}{R}$
B.导体棒$a$先向左减速,再向右加速,最后匀速
C.从开始到运动恰好稳定的过程中通过$b$某横截面的电荷量为$\dfrac{3mv}{5BL}$
D.从开始到运动恰好稳定的过程中$b$上产生的焦耳热为$\dfrac{9mv^{2}}{50}$
答案:
10.答案:BCD
解析:两杆质量相同,$a$杆的长度是$b$杆的2倍,则$a$杆的横截面积是$b$杆的$\frac{1}{2}$,又因为电阻率相同,根据电阻定律可知$R_{a} = 4R_{b} = 4R$。结合法拉第电磁感应定律和闭合电路欧姆定律计算电流初始时,根据右手定则可知两杆产生的电动势方向相同,总电动势为两电动势之和,等于$3BLv$,根据闭合电路欧姆定律可知通过$a$的电流为$I = \frac{3BLv}{5R}$,故A错误;开始运动时,可知$a$杆受到的安培力向右,$b$杆受到的安培力也向右,两杆均向左做减速运动,$a$杆所受的安培力大小为$b$杆所受安培力大小的2倍,两杆质量相同,则$a$杆做减速运动的加速度大小较大,先减速到零,然后在向右的安培力作用下向右做加速运动,产生与$b$杆相反的电动势,即$E = E_{b} - E_{a}$,当两杆电动势大小相等时,闭合回路电流为0,此时$a$杆向右做匀速运动,$b$杆向左做匀速运动,故B正确;$a$杆向左减速至0,由动量定理得$-Bq_{1} · 2L = 0 - mv$,得$q_{1} = \frac{mv}{2BL}$,$b$杆向左减速至$v_{1}$,$-Bq_{1}L = mv_{1} - mv$,$v_{1} = \frac{v}{2}$,$a$杆向右加速至匀速,$Bq_{2} · 2L = mv_{2} - 0$,$b$杆向左继续减速至匀速$v_{3}$,$-Bq_{2}L = mv_{3} - mv_{1}$,当$a$、$b$杆电动势等大反向时,回路电流为0,即$B · 2Lv_{2} = BLv_{3}$,得$v_{2} = \frac{1}{5}v$,$v_{3} = \frac{2}{5}v$,$q = q_{1} + q_{2} = \frac{3mv}{5BL}$,故C正确;$a$、$b$杆的电阻之比为$4:1$,设产生的总热量为$Q$,则$b$上产生的热量$Q_{b} = \frac{1}{5}Q$,由能量守恒定律有$Q = \frac{1}{2}mv^{2} × 2 - \frac{1}{2}mv_{2}^{2} - \frac{1}{2}mv_{3}^{2} = \frac{9}{10}mv^{2}$,解得$Q_{b} = \frac{9}{50}mv^{2}$,故D正确。
解析:两杆质量相同,$a$杆的长度是$b$杆的2倍,则$a$杆的横截面积是$b$杆的$\frac{1}{2}$,又因为电阻率相同,根据电阻定律可知$R_{a} = 4R_{b} = 4R$。结合法拉第电磁感应定律和闭合电路欧姆定律计算电流初始时,根据右手定则可知两杆产生的电动势方向相同,总电动势为两电动势之和,等于$3BLv$,根据闭合电路欧姆定律可知通过$a$的电流为$I = \frac{3BLv}{5R}$,故A错误;开始运动时,可知$a$杆受到的安培力向右,$b$杆受到的安培力也向右,两杆均向左做减速运动,$a$杆所受的安培力大小为$b$杆所受安培力大小的2倍,两杆质量相同,则$a$杆做减速运动的加速度大小较大,先减速到零,然后在向右的安培力作用下向右做加速运动,产生与$b$杆相反的电动势,即$E = E_{b} - E_{a}$,当两杆电动势大小相等时,闭合回路电流为0,此时$a$杆向右做匀速运动,$b$杆向左做匀速运动,故B正确;$a$杆向左减速至0,由动量定理得$-Bq_{1} · 2L = 0 - mv$,得$q_{1} = \frac{mv}{2BL}$,$b$杆向左减速至$v_{1}$,$-Bq_{1}L = mv_{1} - mv$,$v_{1} = \frac{v}{2}$,$a$杆向右加速至匀速,$Bq_{2} · 2L = mv_{2} - 0$,$b$杆向左继续减速至匀速$v_{3}$,$-Bq_{2}L = mv_{3} - mv_{1}$,当$a$、$b$杆电动势等大反向时,回路电流为0,即$B · 2Lv_{2} = BLv_{3}$,得$v_{2} = \frac{1}{5}v$,$v_{3} = \frac{2}{5}v$,$q = q_{1} + q_{2} = \frac{3mv}{5BL}$,故C正确;$a$、$b$杆的电阻之比为$4:1$,设产生的总热量为$Q$,则$b$上产生的热量$Q_{b} = \frac{1}{5}Q$,由能量守恒定律有$Q = \frac{1}{2}mv^{2} × 2 - \frac{1}{2}mv_{2}^{2} - \frac{1}{2}mv_{3}^{2} = \frac{9}{10}mv^{2}$,解得$Q_{b} = \frac{9}{50}mv^{2}$,故D正确。
查看更多完整答案,请扫码查看