2025年综合应用创新题典中点九年级物理下册鲁科版
注:目前有些书本章节名称可能整理的还不是很完善,但都是按照顺序排列的,请同学们按照顺序仔细查找。练习册 2025年综合应用创新题典中点九年级物理下册鲁科版 答案主要是用来给同学们做完题方便对答案用的,请勿直接抄袭。
第22页
- 第1页
- 第2页
- 第3页
- 第4页
- 第5页
- 第6页
- 第7页
- 第8页
- 第9页
- 第10页
- 第11页
- 第12页
- 第13页
- 第14页
- 第15页
- 第16页
- 第17页
- 第18页
- 第19页
- 第20页
- 第21页
- 第22页
- 第23页
- 第24页
- 第25页
- 第26页
- 第27页
- 第28页
- 第29页
- 第30页
- 第31页
- 第32页
- 第33页
- 第34页
- 第35页
- 第36页
- 第37页
- 第38页
- 第39页
- 第40页
- 第41页
- 第42页
- 第43页
- 第44页
- 第45页
- 第46页
- 第47页
- 第48页
- 第49页
- 第50页
- 第51页
- 第52页
- 第53页
- 第54页
- 第55页
- 第56页
- 第57页
- 第58页
- 第59页
- 第60页
- 第61页
- 第62页
- 第63页
- 第64页
- 第65页
- 第66页
- 第67页
- 第68页
12.[2024.泰安期末]如图所示是“探究什么情况下磁可以生电"的实验装置。下列说法中( )
①闭合开关,导体ab在磁场中上下运动会产生感应电流
②闭合开关,导体ab左右运动过程中电能转化为机械能
③利用该实验原理可以制成发电机
④将电流表换成电源,可以研究通电导体在磁场中的受力情况
A.只有①②正确 B.只有③④正确
C.只有①③④正确 D.只有②③④正确
①闭合开关,导体ab在磁场中上下运动会产生感应电流
②闭合开关,导体ab左右运动过程中电能转化为机械能
③利用该实验原理可以制成发电机
④将电流表换成电源,可以研究通电导体在磁场中的受力情况
A.只有①②正确 B.只有③④正确
C.只有①③④正确 D.只有②③④正确
答案:
B 【点拨】闭合开关,导体 ab 在磁场中左右运动会产生感应电流;导体上下运动没有切割磁感线,不会产生感应电流,产生电流过程中机械能转化为电能,故①②错误;图中实验原理为电磁感应,利用该实验原理可以制成发电机,故③正确;将电流表换成电源,通电导体 ab 在磁场中受力而运动,故可以研究通电导体在磁场中的受力情况,故④正确。
13.[2024.泸州]如图所示,ab、cd两根光滑平行金属导轨固定在同一水平面内,处于蹄形磁体磁场中的金属杆pq放在导轨上,在外力作用下沿导轨运动。若ad之间断开,则电路中__________(填“有”或“无”)感应电流;若ad之间接入电流计,pq杆向右运动时,指针向右偏,pq杆向左运动时,指针将向__________偏;若ad之间安装一个直流电源,pq杆通电后由静止开始沿导轨向右运动,同时交换电源的正负极和磁体的南北极,pq杆通电后由静止开始沿导轨向__________运动。
答案:
无;左;右 【点拨】由图可知,若 ad 之间断开,则由 ab、cd 和 pq 杆构成的回路是不闭合的,此时电路中没有感应电流。
14.[2023.北京](1)小京用图甲所示的装置进行实验,闭合开关的瞬间,观察到小磁针________的现象,说明电流周围存在磁场。
(2)小京用图乙所示的装置进行实验,其中灵敏
电流计指针偏转的方向可以反映电路中的电流方向。使金属棒ab向左做切割磁感线运动,灵敏电流计指针向右偏转,如图乙所示;保持磁场方向不变,使金属棒ab向右做切割磁感线运动,灵敏电流计指针向左偏转,如图丙所示。小京探究的问题是________________。
(2)小京用图乙所示的装置进行实验,其中灵敏
电流计指针偏转的方向可以反映电路中的电流方向。使金属棒ab向左做切割磁感线运动,灵敏电流计指针向右偏转,如图乙所示;保持磁场方向不变,使金属棒ab向右做切割磁感线运动,灵敏电流计指针向左偏转,如图丙所示。小京探究的问题是________________。
答案:
(1)发生偏转
(2)感应电流的方向与金属棒 ab 切割磁感线运动的方向是否有关
(1)发生偏转
(2)感应电流的方向与金属棒 ab 切割磁感线运动的方向是否有关
15.[2024.宿迁]2024年5月1日,我国第三艘航空母舰福建舰首次海试。自主研发的电磁弹射系统是利用强磁场对通电轨道产生的力使舰载机加速起飞的。下列图示与此原理相同的是 ( )
答案:
B 【点拨】电磁弹射系统是利用通电导体在磁场中受力的原理制成的,图 A 是奥斯特实验,说明电流周围存在磁场,故 A 不符合题意;图 B 装置中有电源、闭合开关后形成通路有电流流过,可说明通电导体在磁场中受到力的作用,故 B 符合题意;图 C 是电磁感应的实验装置,故 C 不符合题意;图 D 中电流相等,电磁铁线圈匝数不相同,可用来探究电磁铁的磁性强弱与线圈匝数的关系,故 D 不符合题意。
16.新考法思维导图如图是小明按时间顺序梳理的电与磁相关知识结构图,请你补充完整。
①__________________;②__________________。

①__________________;②__________________。
答案:
①奥斯特;②电磁感应
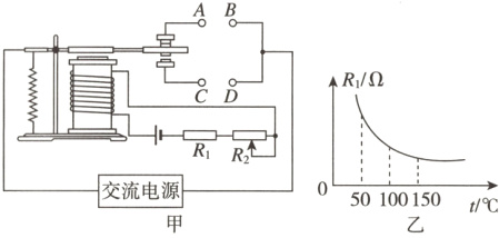
17.[2024.福州期末]如图甲所示为电磁继电器和热敏电阻R1等组成的恒温箱控制电路,R1 处于恒温箱内。控制电路电源电压U=6V,电磁继电器线圈的电阻可不计。图乙为热敏
电阻的R1−t图象,且已知在50~150℃范围内,热敏电阻的阻值随温度的变化规律是R1 .t为常数;电阻R2是可变电阻。当线圈中的电流达到20mA时,电磁继电器的衔铁被吸下,已知此时可变电阻R2=225Ω,恒温箱保持60℃恒温。图甲中的“交流电源”是恒温箱加热器的电源。
(1)60℃时,热敏电阻R1的阻值是多少?
(2)应该把恒温箱的加热器接在A、B间还是C、
D间?请说明理由。
(3)如果要使恒温箱内的温度保持110℃,可变电阻R2的阻值应调为多少?
电阻的R1−t图象,且已知在50~150℃范围内,热敏电阻的阻值随温度的变化规律是R1 .t为常数;电阻R2是可变电阻。当线圈中的电流达到20mA时,电磁继电器的衔铁被吸下,已知此时可变电阻R2=225Ω,恒温箱保持60℃恒温。图甲中的“交流电源”是恒温箱加热器的电源。
(1)60℃时,热敏电阻R1的阻值是多少?
(2)应该把恒温箱的加热器接在A、B间还是C、
D间?请说明理由。
(3)如果要使恒温箱内的温度保持110℃,可变电阻R2的阻值应调为多少?
答案:
【解】
(1)当温度为$60^{\circ }C$时,控制电路中的总电阻$R_{总}=\frac{U}{I}=\frac{6V}{20\times10^{-3}A}=300\Omega$,所以$R_{1}$的阻值$R_{1}=R_{总}-R_{2}=300\Omega - 225\Omega = 75\Omega$。
(2)由图乙可知,热敏电阻$R_{1}$的阻值随着温度的升高而减小,当线圈中电流达到 20 mA 时,电磁继电器的衔铁被吸下,A、B 所在电路断开,因此,应该把恒温箱的加热器接在 A、B 间。
(3)如果要使恒温箱内的温度保持$100^{\circ }C$,假设此时热敏电阻的阻值为$R_{1}'$,$R_{1}\cdot t$为常数,则有$R_{1}\times60^{\circ }C = R_{1}'\times100^{\circ }C$,所以$R_{1}'$的阻值$R_{1}'=\frac{R_{1}\times60^{\circ }C}{100^{\circ }C}=\frac{75\Omega\times60^{\circ }C}{100^{\circ }C}=45\Omega$,可变电阻$R_{2}$的阻值应调为$R_{2}'=R_{总}-R_{1}'=300\Omega - 45\Omega = 255\Omega$。
(1)当温度为$60^{\circ }C$时,控制电路中的总电阻$R_{总}=\frac{U}{I}=\frac{6V}{20\times10^{-3}A}=300\Omega$,所以$R_{1}$的阻值$R_{1}=R_{总}-R_{2}=300\Omega - 225\Omega = 75\Omega$。
(2)由图乙可知,热敏电阻$R_{1}$的阻值随着温度的升高而减小,当线圈中电流达到 20 mA 时,电磁继电器的衔铁被吸下,A、B 所在电路断开,因此,应该把恒温箱的加热器接在 A、B 间。
(3)如果要使恒温箱内的温度保持$100^{\circ }C$,假设此时热敏电阻的阻值为$R_{1}'$,$R_{1}\cdot t$为常数,则有$R_{1}\times60^{\circ }C = R_{1}'\times100^{\circ }C$,所以$R_{1}'$的阻值$R_{1}'=\frac{R_{1}\times60^{\circ }C}{100^{\circ }C}=\frac{75\Omega\times60^{\circ }C}{100^{\circ }C}=45\Omega$,可变电阻$R_{2}$的阻值应调为$R_{2}'=R_{总}-R_{1}'=300\Omega - 45\Omega = 255\Omega$。
查看更多完整答案,请扫码查看