第50页
- 第4页
- 第5页
- 第6页
- 第7页
- 第8页
- 第9页
- 第10页
- 第11页
- 第12页
- 第13页
- 第14页
- 第15页
- 第16页
- 第17页
- 第18页
- 第19页
- 第20页
- 第21页
- 第22页
- 第23页
- 第24页
- 第25页
- 第26页
- 第27页
- 第28页
- 第29页
- 第30页
- 第31页
- 第32页
- 第33页
- 第34页
- 第35页
- 第36页
- 第37页
- 第38页
- 第39页
- 第40页
- 第41页
- 第42页
- 第43页
- 第44页
- 第45页
- 第46页
- 第47页
- 第48页
- 第49页
- 第50页
- 第51页
- 第52页
- 第53页
- 第54页
- 第55页
- 第56页
- 第57页
- 第58页
- 第59页
- 第60页
- 第61页
- 第62页
- 第63页
- 第64页
- 第65页
- 第66页
- 第67页
- 第68页
- 第69页
1.下列实物中没有用到电磁铁的是 ( )
A.电热水器
B.磁浮列车
C.电磁阀车门
D.电铃
A.电热水器
B.磁浮列车
C.电磁阀车门
D.电铃
答案:
A
2.关于电磁铁,下列说法正确的是 ( )
A.电磁铁是根据电流的热效应制成的
B.电磁铁中的铁芯可以用铝棒代替
C.电磁起重机中的磁体可以用永久磁体
D.相对于永久磁体,电磁铁的一个优点是磁性的有无可以控制
A.电磁铁是根据电流的热效应制成的
B.电磁铁中的铁芯可以用铝棒代替
C.电磁起重机中的磁体可以用永久磁体
D.相对于永久磁体,电磁铁的一个优点是磁性的有无可以控制
答案:
D
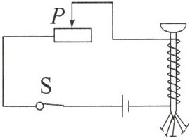
3.(2023·江苏扬州中考)如图所示,下列做法不能使电磁铁吸引更多大头针的是 ( )
A.只提高电源电压
B.只将滑片P向左移动
C.只增加螺线管线圈的匝数
D.只将铁芯换成同规格的铜芯
A.只提高电源电压
B.只将滑片P向左移动
C.只增加螺线管线圈的匝数
D.只将铁芯换成同规格的铜芯
答案:
D
4.(科学探究)在“探究影响电磁铁磁性强弱的因素”实验中,小明同学用相同的漆包线和铁钉绕制成电磁铁A和B,并设计了如图所示的电路。
(1)实验中小明通过观察比较______________________来判断电磁铁磁性的强弱,用到的科学研究方法是__________。
(2)图中电磁铁A、B串联的目的是__________________________,通过观察可知,电磁铁的磁性强弱与____________有关。
(3)为了探究电磁铁B磁性的强弱与电流大小的关系,可以通过__________________________,观察实验现象。
(4)电磁铁吸引的大头针下端分散的原因是____________________。
(5)在(2)(3)中,应用到的物理方法是____________法。
(1)实验中小明通过观察比较______________________来判断电磁铁磁性的强弱,用到的科学研究方法是__________。
(2)图中电磁铁A、B串联的目的是__________________________,通过观察可知,电磁铁的磁性强弱与____________有关。
(3)为了探究电磁铁B磁性的强弱与电流大小的关系,可以通过__________________________,观察实验现象。
(4)电磁铁吸引的大头针下端分散的原因是____________________。
(5)在(2)(3)中,应用到的物理方法是____________法。
答案:
两电磁铁吸引大头针的数量@@转换法@@使通过两电磁铁线圈的电流相同@@线圈匝数@@移动滑动变阻器滑片的位置@@同名磁极相互排斥@@控制变量
5.下图是电磁继电器的工作原理图。

(1)当低压控制电路闭合时,电磁铁A________(选填“具有”或“失去”)磁性,吸引衔铁B,从而使动触点D与静触点E吸合,高压工作电路________(选填“闭合”或“断开”)。
(2)当低压控制电路断开时,电磁铁A________(选填“具有”或“失去”)磁性,衔铁B在左侧弹簧C的作用下返回原位,动触点D与静触点E分离,高压工作电路________(选填“闭合”或“断开”)。
(3)衔铁B与动触点D之间的硬棒应该用________(选填“导体”或“绝缘体”)制成,它与衔铁、动触点一起组成一个杠杆,弹簧始终处于________(选填“拉伸”或“压缩”)状态。
(1)当低压控制电路闭合时,电磁铁A________(选填“具有”或“失去”)磁性,吸引衔铁B,从而使动触点D与静触点E吸合,高压工作电路________(选填“闭合”或“断开”)。
(2)当低压控制电路断开时,电磁铁A________(选填“具有”或“失去”)磁性,衔铁B在左侧弹簧C的作用下返回原位,动触点D与静触点E分离,高压工作电路________(选填“闭合”或“断开”)。
(3)衔铁B与动触点D之间的硬棒应该用________(选填“导体”或“绝缘体”)制成,它与衔铁、动触点一起组成一个杠杆,弹簧始终处于________(选填“拉伸”或“压缩”)状态。
答案:
具有@@闭合@@失去@@断开@@绝缘体@@拉伸
6.(教材习题变式)(2023·天津中考改编)某学校为了培养学生的科学素养,组织科技创新大赛,小明在比赛中制作了水位自动报警器,其原理图如图所示。A、B为两个金属块,当水位达到金属块A底面时(一般的水都能导电),则 ( )
A.两灯都亮
B.两灯都不亮
C.只有绿灯亮
D.只有红灯亮
A.两灯都亮
B.两灯都不亮
C.只有绿灯亮
D.只有红灯亮
答案:
D
查看更多完整答案,请扫码查看