第33页
- 第4页
- 第5页
- 第6页
- 第7页
- 第8页
- 第9页
- 第10页
- 第11页
- 第12页
- 第13页
- 第14页
- 第15页
- 第16页
- 第17页
- 第18页
- 第19页
- 第20页
- 第21页
- 第22页
- 第23页
- 第24页
- 第25页
- 第26页
- 第27页
- 第28页
- 第29页
- 第30页
- 第31页
- 第32页
- 第33页
- 第34页
- 第35页
- 第36页
- 第37页
- 第38页
- 第39页
- 第40页
- 第41页
- 第42页
- 第43页
- 第44页
- 第45页
- 第46页
- 第47页
- 第48页
- 第49页
- 第50页
- 第51页
- 第52页
- 第53页
- 第54页
- 第55页
- 第56页
- 第57页
- 第58页
- 第59页
- 第60页
- 第61页
- 第62页
- 第63页
- 第64页
- 第65页
- 第66页
- 第67页
- 第68页
- 第69页
5.(2024·四川眉山中考)如图所示的电路,电源电压恒定,滑动变阻器$R$标有“20 Ω 2 A”字样,灯泡L标有“4 V 2 W”字样,灯泡电阻不变。开关S闭合,滑片P在R的中点时,灯泡正常发光,则电源电压为______ V。当滑片P移到最右端时,电路的总功率为______ W(结果保留一位小数)。
答案:
9 2.9
6.(2024·四川达州中考)定值电阻$R$和灯泡L,其电流随两端电压的变化图像如图所示。若将$R$与L串联在4 V的电源两端,则$R$与L消耗的电功率之比为______;若将$R$与L并联在2 V的电源两端,电路消耗的总功率为______ W。

答案:
3:1 1.3
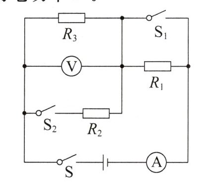
7.(2024·安徽中考)如图所示的电路中,电源两端的电压$U = 9 V$,$R_{1}$、$R_{2}$、$R_{3}$均为定值电阻,其中$R_{2}=45 Ω$,$R_{3}=30 Ω$。

(1)当闭合开关S和$S_{1}$,断开开关$S_{2}$时,求$R_{3}$两端的电压$U_{3}$。
(2)当开关S、$S_{1}$和$S_{2}$均闭合时,求电流表的示数$I$。
(3)当闭合开关S,断开开关$S_{1}$和$S_{2}$时,电压表示数为6 V,求$R_{1}$消耗的电功率$P$。
(1)当闭合开关S和$S_{1}$,断开开关$S_{2}$时,求$R_{3}$两端的电压$U_{3}$。
(2)当开关S、$S_{1}$和$S_{2}$均闭合时,求电流表的示数$I$。
(3)当闭合开关S,断开开关$S_{1}$和$S_{2}$时,电压表示数为6 V,求$R_{1}$消耗的电功率$P$。
答案:
7. 【解析】 - (1)由题图可知,当闭合开关$S$和$S_1$,断开开关$S_2$时,电路中只有$R_3$,所以此时$R_3$两端的电压$U_3$等于电源电压,即$U_3 = U = 9\ V$。 - (2)由题图可知,当开关$S$、$S_1$和$S_2$均闭合时,$R_1$被短路,$R_2$和$R_3$并联,电流表测干路电流,$R_2$和$R_3$两端的电压等于电源电压,根据欧姆定律,通过$R_2$的电流$I_2=\frac{U}{R_2}=\frac{9\ V}{45\ \Omega}=0.2\ A$,通过$R_3$的电流$I_3=\frac{U}{R_3}=\frac{9\ V}{30\ \Omega}=0.3\ A$,根据并联电路电流的特点,此时干路电流$I = I_2 + I_3 = 0.2\ A + 0.3\ A = 0.5\ A$,因此电流表的示数为$0.5\ A$。 - (3)由题图可知,当闭合开关$S$,断开开关$S_1$和$S_2$时,$R_1$和$R_3$串联,电压表测$R_3$两端的电压,电流表测电路电流,此时电压表示数为$6\ V$,则电路电流$I'=\frac{U_3'}{R_3}=\frac{6\ V}{30\ \Omega}=0.2\ A$,根据串联电路电压的特点可知,$R_1$两端的电压$U_1 = U - U_3' = 9\ V - 6\ V = 3\ V$,$R_1$消耗的电功率$P = U_1I' = 3\ V\times0.2\ A = 0.6\ W$。【答案】(1)$9\ V$ (2)$0.5\ A$ (3)$0.6\ W$
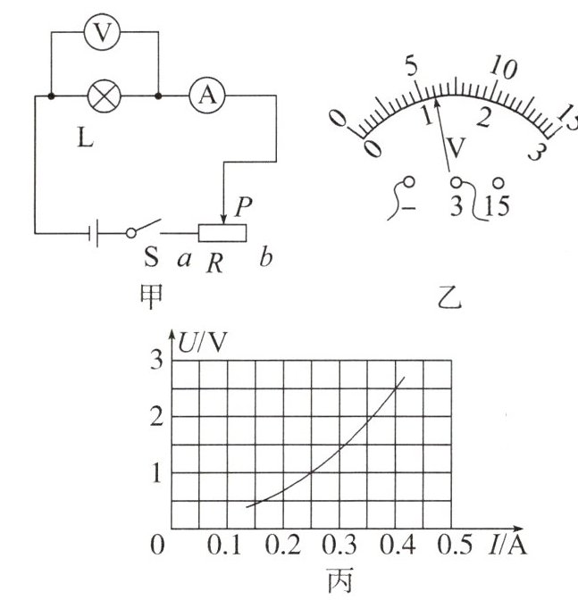
8.(2024·广西中考)小明用标有“2.5 V”字样的小灯泡做“测量小灯泡的电功率”实验,设计了如图甲所示的电路图。

(1)闭合开关前,应将滑动变阻器的滑片置于______(选填“$a$”或“$b$”)端,闭合开关后,发现小灯泡不亮,则电路故障可能是滑动变阻器______(选填“短路”或“断路”)。
(2)排除故障后,某次实验电压表的示数如图乙所示,为______ V;小明测得多组数据,并画出如图丙所示的图像,由图像可知小灯泡正常发光时的电阻为______ Ω,小灯泡的额定功率为______ W。
(3)图丙的图像是一条曲线的原因是小灯泡的电阻随温度升高而______(选填“增大”或“减小”)。
(4)受到上述实验的启发,为测量高温物体的温度,小明将图甲电路改装成一个简易的温度传感器。思路如下:将图甲中的小灯泡换成与灯丝同种材料的电阻丝,选择图中一个电表改装为温度显示仪。你建议他选哪个电表?请说明理由(从电表的示数随待测物体的温度变化关系进行阐述)。
答:______________________________。
(1)闭合开关前,应将滑动变阻器的滑片置于______(选填“$a$”或“$b$”)端,闭合开关后,发现小灯泡不亮,则电路故障可能是滑动变阻器______(选填“短路”或“断路”)。
(2)排除故障后,某次实验电压表的示数如图乙所示,为______ V;小明测得多组数据,并画出如图丙所示的图像,由图像可知小灯泡正常发光时的电阻为______ Ω,小灯泡的额定功率为______ W。
(3)图丙的图像是一条曲线的原因是小灯泡的电阻随温度升高而______(选填“增大”或“减小”)。
(4)受到上述实验的启发,为测量高温物体的温度,小明将图甲电路改装成一个简易的温度传感器。思路如下:将图甲中的小灯泡换成与灯丝同种材料的电阻丝,选择图中一个电表改装为温度显示仪。你建议他选哪个电表?请说明理由(从电表的示数随待测物体的温度变化关系进行阐述)。
答:______________________________。
答案:
8. (1)$b$ 断路 (2)$1.2$ $6.25$ $1$ (3)增大 (4)电压表;温度越高,电阻丝的电阻越大,根据串联电路分压原理可知,电阻丝两端的电压越大,因此选择电压表改装为温度显示仪
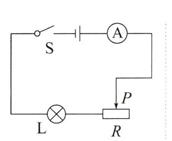
9.(2024·黑龙江绥化中考)在“测量小灯泡的电功率”实验中,选用的小灯泡上标有“2.5 V”字样,额定电流约为0.3 A,电源电压恒为6 V,实验电路如图甲所示。

(1)请用笔画线代替导线,将图甲电路连接完整。(导线不允许交叉)
(2)现有规格为A“10 Ω 2 A”、B“20 Ω 1 A”和C“50 Ω 0.2 A”的三个滑动变阻器可供选择,应选择______(选填字母)滑动变阻器接入电路才能顺利进行实验。实验中滑动变阻器的作用是______和调节小灯泡两端的电压及通过的电流。
(3)电路连接完成后,闭合开关,发现小灯泡发光很暗,这时眼睛应该看着______(选填“电流表”或“电压表”)移动滑动变阻器的滑片,当小灯泡正常发光时电流表的示数如图乙所示,则小灯泡的额定功率为______ W。
(4)实验中改变小灯泡两端的电压,多次测量的目的是______。
(5)测得小灯泡的额定功率后,把小灯泡两端的电压调为额定电压的一半,发现测得的功率大于其额定功率的四分之一,请对其加以分析:______________________________。
(1)请用笔画线代替导线,将图甲电路连接完整。(导线不允许交叉)
(2)现有规格为A“10 Ω 2 A”、B“20 Ω 1 A”和C“50 Ω 0.2 A”的三个滑动变阻器可供选择,应选择______(选填字母)滑动变阻器接入电路才能顺利进行实验。实验中滑动变阻器的作用是______和调节小灯泡两端的电压及通过的电流。
(3)电路连接完成后,闭合开关,发现小灯泡发光很暗,这时眼睛应该看着______(选填“电流表”或“电压表”)移动滑动变阻器的滑片,当小灯泡正常发光时电流表的示数如图乙所示,则小灯泡的额定功率为______ W。
(4)实验中改变小灯泡两端的电压,多次测量的目的是______。
(5)测得小灯泡的额定功率后,把小灯泡两端的电压调为额定电压的一半,发现测得的功率大于其额定功率的四分之一,请对其加以分析:______________________________。
答案:
(2)B 保护电路 (3)电压表 $0.65$ (4)寻找普遍规律 (5)根据$P=\frac{U^{2}}{R}$可知,若灯丝电阻不变,实际电压为额定电压的一半时,实际功率恰好等于额定功率的四分之一。当实际电压低于额定电压时,灯丝的温度降低,电阻减小,所以此时实际功率大于额定功率的四分之一
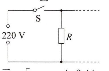
10.(2023·湖北仙桃中考)某款电热杯有高、中、低三挡,简化电路如图所示,开关$S_{1}$、$S_{2}$不能同时闭合,定值电阻$R_{1}$的阻值为2.5 Ω。只闭合开关$S_{3}$时,电路中的电流为2 A。[水的比热容为$4.2×10^{3} J/(kg·^{\circ}C)$]下列说法正确的是 ( )

A.电源电压为10 V
B.只闭合开关$S_{1}$、$S_{3}$时,电热杯处于低温挡
C.只闭合开关$S_{3}$时,电热杯工作1 min产生的热量为600 J
D.加热100 g水,水温由25 $^{\circ}C$升高到35 $^{\circ}C$,水吸收的热量为420 J
A.电源电压为10 V
B.只闭合开关$S_{1}$、$S_{3}$时,电热杯处于低温挡
C.只闭合开关$S_{3}$时,电热杯工作1 min产生的热量为600 J
D.加热100 g水,水温由25 $^{\circ}C$升高到35 $^{\circ}C$,水吸收的热量为420 J
答案:
C
11.(2024·安徽中考)如图所示,电源两端的电压为6 V,电阻$R_{2}=20 Ω$,闭合开关S,电压表示数为4 V,则通电100 s整个电路产生的热量为______ J。

答案:
120
12.(2024·四川遂宁中考)在图甲所示的电路中,闭合开关$S_{1}$,再闭合开关$S_{2}$,电流表$A_{1}$的示数变大,此时两电流表指针都指在刻度盘的中央,均如图乙所示,则通过$R_{1}$的电流为______ A,$R_{1}:R_{2}=$______,在相同时间内两电阻产生的热量之比$Q_{1}:Q_{2}=$______。

答案:
1.2 1:4 4:1
13.(2024·四川遂宁中考)某电水壶的额定电压为220 V,额定加热功率为1 000 W,电热丝$R$在电路中的位置如图所示。[$c_{水}=4.2×10^{3} J/(kg·^{\circ}C)$]求:

(1)正常工作时,电热丝的电阻$R$;
(2)用该电水壶把质量为1 kg的水从20 $^{\circ}C$加热至100 $^{\circ}C$,水吸收的热量;
(3)在(2)问中,水壶正常工作,若电热丝产生的热量80%被水吸收,则该过程需要多长时间。
(1)正常工作时,电热丝的电阻$R$;
(2)用该电水壶把质量为1 kg的水从20 $^{\circ}C$加热至100 $^{\circ}C$,水吸收的热量;
(3)在(2)问中,水壶正常工作,若电热丝产生的热量80%被水吸收,则该过程需要多长时间。
答案:
【解析】 - (1)由$P=\frac{U^{2}}{R}$可知,正常工作时,电热丝的电阻$R=\frac{U^{2}}{P}=\frac{(220\ V)^{2}}{1000\ W}=48.4\ \Omega$。 - (2)用该电水壶把质量为$1\ kg$的水从$20\ ^{\circ}C$加热至$100\ ^{\circ}C$,水吸收的热量$Q_{吸}=cm\Delta t = 4.2\times10^{3}\ J/(kg\cdot^{\circ}C)\times1\ kg\times(100\ ^{\circ}C - 20\ ^{\circ}C)=3.36\times10^{5}\ J$。 - (3)水壶正常工作,若电热丝产生的热量$80\%$被水吸收,则电热丝产生的热量$Q=\frac{Q_{吸}}{\eta}=\frac{3.36\times10^{5}\ J}{80\%}=4.2\times10^{5}\ J$,由$W = Q = Pt$可得,该过程需要的时间$t=\frac{W}{P}=\frac{Q}{P}=\frac{4.2\times10^{5}\ J}{1000\ W}=420\ s$。 【答案】(1)$48.4\ \Omega$ (2)$3.36\times10^{5}\ J$ (3)$420\ s$
查看更多完整答案,请扫码查看