2025年赢在假期期末加寒假九年级物理人教版合肥工业大学出版社
注:目前有些书本章节名称可能整理的还不是很完善,但都是按照顺序排列的,请同学们按照顺序仔细查找。练习册 2025年赢在假期期末加寒假九年级物理人教版合肥工业大学出版社 答案主要是用来给同学们做完题方便对答案用的,请勿直接抄袭。
5.如图甲所示,艾力做“探究电阻中的电流跟两端电压的关系”的实验。

(1)连接电路时,开关应________,并将滑动变阻器的滑片滑到________端。
(2)闭合开关后,他发现电流表和电压表的指针偏转情况如图乙所示,出现这种情况的原因可能是____________________。
(3)通过实验,他记录了电压与电流相对应的有关数据,如下表,根据表格中的数据,你能得到的结论是________________。
(1)连接电路时,开关应________,并将滑动变阻器的滑片滑到________端。
(2)闭合开关后,他发现电流表和电压表的指针偏转情况如图乙所示,出现这种情况的原因可能是____________________。
(3)通过实验,他记录了电压与电流相对应的有关数据,如下表,根据表格中的数据,你能得到的结论是________________。
答案:
(1)断开 b
(2)电流表量程太大
(3)在电阻一定时,电流与电压成正比
(1)断开 b
(2)电流表量程太大
(3)在电阻一定时,电流与电压成正比
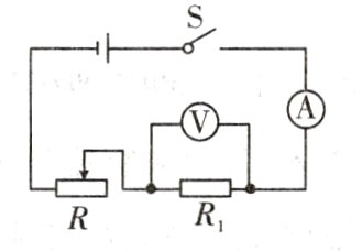
6.有三个阻值不同的完好电阻$R_{1}、$$R_{2}$和$R_{3},$小华想利用如图所示电路测量$R_{1}$的阻值。

(1)测量电阻的实验原理是______________。
(2)根据上图,用笔画线代替导线,将下图所示的实物电路连接完整。

(3)正确连接实物电路后,开关S闭合前应将滑片P置于________(选填“A”或“B”)端;闭合开关S后,小华发现,无论怎样移动滑片P,电压表和电流表都有示数且不变,经过检查各元件连接正确,故障应是滑动变阻器________(选填“断路”或“短路”)。
(4)为使$R_{1}$的测量结果准确,需要获得多组$R_{1}$两端电压值及通过$R_{1}$的电流值。在不改变电源的情况下,小华利用$R_{2}、$$R_{3}$替代滑动变阻器获得了解四组数据,如下表,她的具体做法是________________。

(5)被测电阻$R_{1}$的阻值为________Ω。
(1)测量电阻的实验原理是______________。
(2)根据上图,用笔画线代替导线,将下图所示的实物电路连接完整。
(3)正确连接实物电路后,开关S闭合前应将滑片P置于________(选填“A”或“B”)端;闭合开关S后,小华发现,无论怎样移动滑片P,电压表和电流表都有示数且不变,经过检查各元件连接正确,故障应是滑动变阻器________(选填“断路”或“短路”)。
(4)为使$R_{1}$的测量结果准确,需要获得多组$R_{1}$两端电压值及通过$R_{1}$的电流值。在不改变电源的情况下,小华利用$R_{2}、$$R_{3}$替代滑动变阻器获得了解四组数据,如下表,她的具体做法是________________。
(5)被测电阻$R_{1}$的阻值为________Ω。
答案:
(1)欧姆定律(或$I = \frac{U}{R}$,或$R = \frac{U}{I}$)
(2)如图所示。

(3)B短路
(4)测出分别将$R_2$、$R_3$、$R_2$与$R_3$串联或$R_2$与$R_3$并联后接入电路时,$R_1$的相应电压值和电流值(或分别将$R_2$、$R_3$、$R_2$与$R_3$串联或$R_2$与$R_3$并联后接入电路)
(5)6.17
(1)欧姆定律(或$I = \frac{U}{R}$,或$R = \frac{U}{I}$)
(2)如图所示。
(3)B短路
(4)测出分别将$R_2$、$R_3$、$R_2$与$R_3$串联或$R_2$与$R_3$并联后接入电路时,$R_1$的相应电压值和电流值(或分别将$R_2$、$R_3$、$R_2$与$R_3$串联或$R_2$与$R_3$并联后接入电路)
(5)6.17
查看更多完整答案,请扫码查看