2025年赢在假期期末加寒假九年级物理人教版合肥工业大学出版社
注:目前有些书本章节名称可能整理的还不是很完善,但都是按照顺序排列的,请同学们按照顺序仔细查找。练习册 2025年赢在假期期末加寒假九年级物理人教版合肥工业大学出版社 答案主要是用来给同学们做完题方便对答案用的,请勿直接抄袭。
1. 电压
(1)电压的作用:使电路中产生________。电压用字母______表示。
(2)电压与电源的关系:电压是由________提供的。
(3)电压的单位:________,简称______,符号是______。常用的单位还有________(______)和________(______),1 kV = ______ V,1 mV = ______ V。一节干电池的电压是________,我国家庭电路的电压是________。
(1)电压的作用:使电路中产生________。电压用字母______表示。
(2)电压与电源的关系:电压是由________提供的。
(3)电压的单位:________,简称______,符号是______。常用的单位还有________(______)和________(______),1 kV = ______ V,1 mV = ______ V。一节干电池的电压是________,我国家庭电路的电压是________。
答案:
1.
(1)电流 $U$
(2)电源
(3)伏特 伏 $V$ 千伏 $kV$ 毫伏 $mV$ $10^{3}$ $10^{-3}$ $1.5\ V$ $220\ V$
(1)电流 $U$
(2)电源
(3)伏特 伏 $V$ 千伏 $kV$ 毫伏 $mV$ $10^{3}$ $10^{-3}$ $1.5\ V$ $220\ V$
2. 怎样使用电压表
(1)电压表:电压的大小用________测量,符号是________。
(2)电压表的量程:常用的电压表有三个接线柱,两个量程。当用“-”和“3”两个接线柱时,其量程为“________”,每一小格表示________,每一大格表示________;当用“-”和“15”两个接线柱时,其量程为“________”,每一小格表示________,每一大格表示________。
(3)电压表的读数方法:先确认使用电压表的________;然后根据量程确认刻度盘上每个大格和每个小格表示的电压值;最后根据指针稳定后所指的刻度读出被测电压的大小。
(4)正确使用电压表
①电压表必须和被测的用电器________。
②必须保证电流从电压表的正接线柱________,从负接线柱________。
③注意选择合适的________。
(1)电压表:电压的大小用________测量,符号是________。
(2)电压表的量程:常用的电压表有三个接线柱,两个量程。当用“-”和“3”两个接线柱时,其量程为“________”,每一小格表示________,每一大格表示________;当用“-”和“15”两个接线柱时,其量程为“________”,每一小格表示________,每一大格表示________。
(3)电压表的读数方法:先确认使用电压表的________;然后根据量程确认刻度盘上每个大格和每个小格表示的电压值;最后根据指针稳定后所指的刻度读出被测电压的大小。
(4)正确使用电压表
①电压表必须和被测的用电器________。
②必须保证电流从电压表的正接线柱________,从负接线柱________。
③注意选择合适的________。
答案:
2.
(1)电压表 Ⓥ
(2)$0~3\ V$ $0.1\ V$ $1\ V$ $0~15\ V$ $0.5\ V$ $5\ V$
(3)量程
(4)①并联 ②流入 流出 ③量程
(1)电压表 Ⓥ
(2)$0~3\ V$ $0.1\ V$ $1\ V$ $0~15\ V$ $0.5\ V$ $5\ V$
(3)量程
(4)①并联 ②流入 流出 ③量程
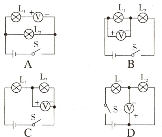
例题 如图所示电路中,能正确用电压表测L₂两端电压的是 ( )
分析 A选项中电压表与L₁串联,不符合电压表的使用规则,所以A选项错误;B选项中电压表与L₁并联,是测量L₁两端的电压,所以B选项错误;D选项中电压表虽然与L₂并联,但电压表正、负接线柱接法错误,电流没有从电压表正接线柱流入而是从负接线柱流入,这样可能损坏电压表,所以D选项不正确;C选项中电压表与L₂并联,正、负接线柱接法也正确,所以C选项正确。
答案 C
分析 A选项中电压表与L₁串联,不符合电压表的使用规则,所以A选项错误;B选项中电压表与L₁并联,是测量L₁两端的电压,所以B选项错误;D选项中电压表虽然与L₂并联,但电压表正、负接线柱接法错误,电流没有从电压表正接线柱流入而是从负接线柱流入,这样可能损坏电压表,所以D选项不正确;C选项中电压表与L₂并联,正、负接线柱接法也正确,所以C选项正确。
答案 C
答案:
跟踪训练

如图所示电压表,若选用“-”和“15”两个接线柱,则它的量程是________,表盘上每一大格表示________,每一小格表示________,指针所指的示数是________;若选用“-”和“3”两个接线柱,它的量程是________,表盘上每一大格表示________,每一小格表示________,电压表的示数是________。
【答案】0~15 V 5 V 0.5 V 9 V 0~3 V 1 V 0.1 V 1.8 V
如图所示电压表,若选用“-”和“15”两个接线柱,则它的量程是________,表盘上每一大格表示________,每一小格表示________,指针所指的示数是________;若选用“-”和“3”两个接线柱,它的量程是________,表盘上每一大格表示________,每一小格表示________,电压表的示数是________。
【答案】0~15 V 5 V 0.5 V 9 V 0~3 V 1 V 0.1 V 1.8 V
答案:
查看更多完整答案,请扫码查看