2025年赢在假期期末加寒假九年级物理人教版合肥工业大学出版社
注:目前有些书本章节名称可能整理的还不是很完善,但都是按照顺序排列的,请同学们按照顺序仔细查找。练习册 2025年赢在假期期末加寒假九年级物理人教版合肥工业大学出版社 答案主要是用来给同学们做完题方便对答案用的,请勿直接抄袭。
1. 下列认识正确的是 ( )
A. 固体和液体很难被压缩,是因为分子间没有空隙
B. 原子中原子核带正电,电子带负电
C. 当物体的温度降至0℃时,分子就停止运动
D. 破镜不能重圆,主要是因为分子间有排斥力
A. 固体和液体很难被压缩,是因为分子间没有空隙
B. 原子中原子核带正电,电子带负电
C. 当物体的温度降至0℃时,分子就停止运动
D. 破镜不能重圆,主要是因为分子间有排斥力
答案:
1.B
2. 下列图象中,能正确表示定值电阻上的电流与两端电压关系的是 ( )

答案:
2.A
3. 两个相同的烧杯装有质量和初温都相同的水和食用油,用相同的加热器分别给它们加热相同的时间,则下列说法中正确的是 ( )
A. 水吸收的热量多
B. 水上升的温度较高
C. 它们吸收的热量相同
D. 它们上升的温度相同
A. 水吸收的热量多
B. 水上升的温度较高
C. 它们吸收的热量相同
D. 它们上升的温度相同
答案:
3.C
4. 如图所示,这是某个四冲程内燃机在工作过程中的一个冲程,由图中的情况可判定这个冲程 ( )

A. 是排气冲程
B. 是做功冲程
C. 正在把机械能转化为内能
D. 不是依靠飞轮的惯性完成
A. 是排气冲程
B. 是做功冲程
C. 正在把机械能转化为内能
D. 不是依靠飞轮的惯性完成
答案:
4.C
5. 关于温度、热量、热传递和内能,下列说法中不正确的是 ( )
A. 0℃的冰块内能一定不为零
B. 物体温度升高,内能一定增加
C. 热量总是从内能大的物体向内能小的物体传递
D. 温度高的物体,内能不一定大
A. 0℃的冰块内能一定不为零
B. 物体温度升高,内能一定增加
C. 热量总是从内能大的物体向内能小的物体传递
D. 温度高的物体,内能不一定大
答案:
5.C
6. 下列说法中正确的是 ( )
A. 金属内的电子都是自由电子
B. 自然界中的绝缘体永远不会导电
C. 除金属外其他物体中有导体也有绝缘体
D. 通常情况下的自来水和纯净水都是导体
A. 金属内的电子都是自由电子
B. 自然界中的绝缘体永远不会导电
C. 除金属外其他物体中有导体也有绝缘体
D. 通常情况下的自来水和纯净水都是导体
答案:
6.C
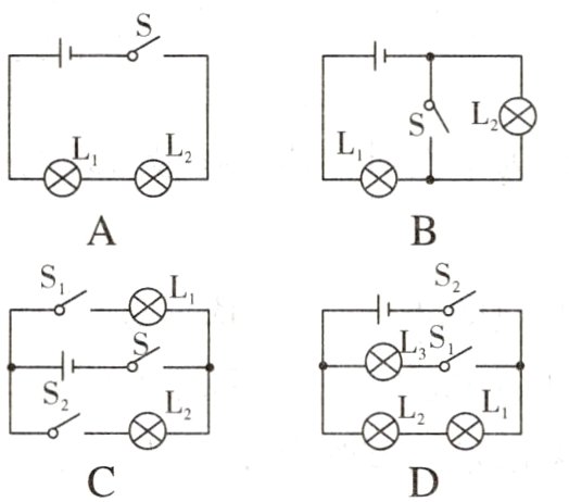
7. 如图所示,开关S、$S_1$、$S_2$都闭合时,灯泡$L_1$与$L_2$组成并联电路的是 ( )

答案:
7.C
8. 有一种“浴霸”,具有照明、吹风和加热三个功能,其中照明灯和吹风机(用M表示)均可以单独控制,电热丝(用 表示)只有在吹风机启动后才可以工作。如图所示电路图中,符合上述要求的是 ( )

答案:
8.B
9. 如图所示电路,电源电压为12V,闭合开关S,移动滑动变阻器的滑片P,小灯泡始终不亮,电流表示数为零,电压表示数为12V,则电路发生的故障可能是 ( )

A. 开关接触不良
B. 电流表断路
C. 滑动变阻器断路
D. 灯泡断路
A. 开关接触不良
B. 电流表断路
C. 滑动变阻器断路
D. 灯泡断路
答案:
9.D
查看更多完整答案,请扫码查看