2025年赢在假期期末加寒假九年级物理人教版合肥工业大学出版社
注:目前有些书本章节名称可能整理的还不是很完善,但都是按照顺序排列的,请同学们按照顺序仔细查找。练习册 2025年赢在假期期末加寒假九年级物理人教版合肥工业大学出版社 答案主要是用来给同学们做完题方便对答案用的,请勿直接抄袭。
1. 小明在“测量小灯泡的电阻”的实验中所用的灯泡上标有“2.5 V”字样,经他仔细测量发现,小灯泡的电阻并不是不变的,而是随灯泡温度的升高而变大,则小灯泡的电阻与它两端的电压关系正确的是 ( )

答案:
1.C
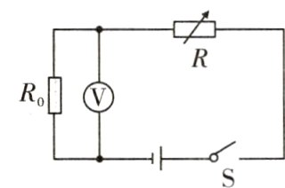
2. 如图所示是一个环境温度监控电路原理图。电源电压不变,$R_0$为定值电阻,$R$是用半导体材料制成的热敏电阻,其电阻值会随温度的升高而变小,若环境温度升高,闭合开关S,则 ( )

A. 热敏电阻$R$的阻值变大
B. 电压表的示数变大
C. 通过电阻$R$的电流变小
D. 电阻$R$两端的电压变大
A. 热敏电阻$R$的阻值变大
B. 电压表的示数变大
C. 通过电阻$R$的电流变小
D. 电阻$R$两端的电压变大
答案:
2.B
3. 在探究电路的电流规律实验时用了如图中的某个电路,已知$R_1 = R_2 < R_3$,电流表的读数分别是:电流表$A_1$为0.3 A、电流表$A_2$为0.15 A、电流表$A_3$为0.45 A。则测量的电路图应是 ( )

答案:
3.B
4. 在如图所示的电路中,电源电压保持不变,闭合开关S,当滑动变阻器的滑片P向右移动时,变小的是 ( )

A. 电压表V的示数
B. 电压表V的示数与电流表$A_1$示数的乘积
C. 电流表$A_1$的示数
D. 电压表V的示数与电流表A的示数的乘积
A. 电压表V的示数
B. 电压表V的示数与电流表$A_1$示数的乘积
C. 电流表$A_1$的示数
D. 电压表V的示数与电流表A的示数的乘积
答案:
4.D
5. 某学生在用“伏安法”测电阻的实验中,闭合开关后发现电流表和电压表的指针的位置如下图所示,则 ( )

A. 电流表的“+”、“-”接线柱接反了,电压表的量程偏小
B. 待测电阻损坏(断路)
C. 线路接错,误把电压表串联接入电路
D. 电压表的“+”、“-”接线柱接反了,电流表的量程偏小
A. 电流表的“+”、“-”接线柱接反了,电压表的量程偏小
B. 待测电阻损坏(断路)
C. 线路接错,误把电压表串联接入电路
D. 电压表的“+”、“-”接线柱接反了,电流表的量程偏小
答案:
5.D
6. 在如图所示的电路中,电源电压$U$保持不变,定值电阻$R = 20\ \Omega$。闭合开关S,当滑动变阻器$R'$的滑片P在中点c时,电流表的示数为0.4 A,当移动滑片P至最右端时,电流表的示数为0.3 A,则电源电压$U$与滑动变阻器$R'$的最大阻值为 ( )

A. 6 V,10 $\Omega$
B. 6 V,20 $\Omega$
C. 12 V,20 $\Omega$
D. 12 V,40 $\Omega$
A. 6 V,10 $\Omega$
B. 6 V,20 $\Omega$
C. 12 V,20 $\Omega$
D. 12 V,40 $\Omega$
答案:
6.C
查看更多完整答案,请扫码查看