2025年赢在假期期末加寒假九年级物理人教版合肥工业大学出版社
注:目前有些书本章节名称可能整理的还不是很完善,但都是按照顺序排列的,请同学们按照顺序仔细查找。练习册 2025年赢在假期期末加寒假九年级物理人教版合肥工业大学出版社 答案主要是用来给同学们做完题方便对答案用的,请勿直接抄袭。
1. 如图所示,电压表测量的是 ( )

A. L₁和电源两端的电压
B. L₂两端的电压
C. 电源电压
D. L₁两端的电压
A. L₁和电源两端的电压
B. L₂两端的电压
C. 电源电压
D. L₁两端的电压
答案:
1.D
2. 一根锰铜线的电阻为R,要使这根连入电路的导线电阻变小,可采用的方法是( )
A. 减小导线两端的电压
B. 增大导线中的电流
C. 将导线对折后连入电路
D. 将导线拉长后连入电路
A. 减小导线两端的电压
B. 增大导线中的电流
C. 将导线对折后连入电路
D. 将导线拉长后连入电路
答案:
2.C
3. 如图所示电路,两盏相同的灯泡在闭合开关后都能发光。过了一会儿,两盏灯泡突然同时都不亮了,且电压表和电流表的示数均变为0。如果电路中只有一处故障,则故障可能是 ( )

A. 灯泡L₁断路
B. 灯泡L₂断路
C. 灯泡L₁短路
D. 灯泡L₂短路
A. 灯泡L₁断路
B. 灯泡L₂断路
C. 灯泡L₁短路
D. 灯泡L₂短路
答案:
3.A
4. 下列电路元件的连接图(如图)中,正确的是 ( )

答案:
4.B
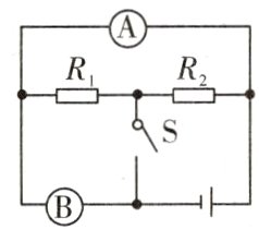
5. 在如图所示的电路中,当开关S闭合后 ( )

A. 若A表是电流表,B表是电压表,则电阻R₁、R₂并联
B. 若A表是电流表,B表是电压表,则电阻R₁、R₂串联
C. 若A表是电压表,B表是电流表,则电阻R₁、R₂并联
D. 若A表是电压表,B表是电流表,则电阻R₁、R₂串联
A. 若A表是电流表,B表是电压表,则电阻R₁、R₂并联
B. 若A表是电流表,B表是电压表,则电阻R₁、R₂串联
C. 若A表是电压表,B表是电流表,则电阻R₁、R₂并联
D. 若A表是电压表,B表是电流表,则电阻R₁、R₂串联
答案:
5.A
6. 如图所示的电路中,各个元件均能正常工作。当开关闭合后,下列说法中正确的是 ( )

A. 两表指针有明显偏转
B. 两表指针几乎不动
C. 电流表指针有明显偏转,电压表指针几乎不动
D. 电压表指针有明显偏转,电流表指针几乎不动
A. 两表指针有明显偏转
B. 两表指针几乎不动
C. 电流表指针有明显偏转,电压表指针几乎不动
D. 电压表指针有明显偏转,电流表指针几乎不动
答案:
6.D
7. 如图所示是小文同学研究串联电路中电流、电压特点的实物连接图,当开关闭合时,灯L₁亮,灯L₂不亮,这时电流表和电压表均有示数。则故障原因可能是 ( )

A. L₁断路
B. L₁短路
C. L₂短路
D. L₂断路
A. L₁断路
B. L₁短路
C. L₂短路
D. L₂断路
答案:
7.C
查看更多完整答案,请扫码查看