7. 如图16-2-5所示,画出的电流周围磁场的磁感线分布情形,其中正确的是(

A.图(a)和图(b)
B.图(b)和图(d)
C.图(a)和图(d)
D.只有图(c)
C
)A.图(a)和图(b)
B.图(b)和图(d)
C.图(a)和图(d)
D.只有图(c)
答案:
C
8. 如图16-2-6所示,正确表示通电螺线管磁极极性的是(

D
)
答案:
D
9. 如图16-2-7所示是一种水位报警器的原理图,当水位到达金属块B时(一般的水能导电),电路中(

A.绿灯亮
B.红灯亮
C.两灯同时亮
D.两灯都不亮
B
)A.绿灯亮
B.红灯亮
C.两灯同时亮
D.两灯都不亮
答案:
B
10. 在探究“影响电磁铁磁性强弱的因素”的实验中,小明用相同的漆包线和铁钉绕制成电磁铁A和B,设计了如图16-2-8所示的电路。

(1)电磁铁A、B串联的目的是
(2)闭合开关S后,分析图中的现象,得出的结论是:
(3)B铁钉的钉尖的磁极是
(1)电磁铁A、B串联的目的是
控制通过两电磁铁的电流相等
。(2)闭合开关S后,分析图中的现象,得出的结论是:
当电流相同时,电磁铁线圈的匝数越多,磁性越强
。(3)B铁钉的钉尖的磁极是
S极
。若让B铁钉再多吸一些大头针,滑动变阻器的滑片P应向左
(填“左”或“右”)端移动
答案:
(1)控制通过两电磁铁的电流相等
(2)当电流相同时,电磁铁线圈的匝数越多,磁性越强
(3)S极;左
(1)控制通过两电磁铁的电流相等
(2)当电流相同时,电磁铁线圈的匝数越多,磁性越强
(3)S极;左
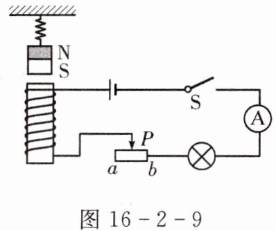
11. 如图16-2-9所示,在电磁铁的正上方用弹簧挂一条形磁铁。当开关闭合后,条形磁铁与电磁铁的相互作用为

排斥
(填“吸引”或“排斥”)。当滑片P从b端到a端的滑动过程中,弹簧的长度会变长
(填“长”或“短”)。
答案:
排斥
长
长
12. 如图16-2-10所示,开关闭合后,螺线管通电产生磁场,位于螺线管右侧的小磁针会发生偏转。请画出通电螺线管的N、S极,并用箭头在小磁针N极的下方标出其转动的方向。

答案:
查看更多完整答案,请扫码查看