1. 电功率是表示电流
做功快慢
的物理量,在国际单位制中,它的单位是瓦特
。
答案:
做功快慢
瓦特
瓦特
2. 某电视机的电功率是250 W,每天使用3 h,一个月用电
22.5
$kW·h$。(每月按30天计算)
答案:
22.5
3. 现有“2.5 V 0.4 A”的小灯泡一只,它的额定电压是
2.5
V,额定功率是1
W,正常工作时灯丝的电阻是6.25
$\Omega$。若把该灯泡接到一节干电池的两极上,它不能
(填“能”或“不能”)正常工作。
答案:
2.5
1
6.25
不能
1
6.25
不能
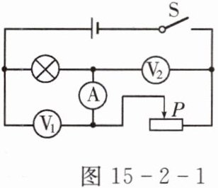
4. 如图15-2-1所示,当开关S闭合后,滑动变阻器的滑片P向右移动过程中,电压表$V_1$的示数

变大
,电流表的示数变大
,电压表$V_2$的示数减小
,电灯的亮度变亮
。
答案:
变大
变大
减小
变亮
变大
减小
变亮
5. 在图15-2-2所示的电路中,发现电流表的示数减少0.2 A时,电压表的示数从6 V变为5 V,则该定值电阻所消耗的电功率变化了

2.2
W。
答案:
2.2
6. 电灯$L_1与L_2$的额定电压相同,并联在电路中时,$L_1比L_2$亮,那么(
A.$L_1的额定功率比L_2$的大
B.$L_1的电阻大于L_2$的电阻
C.$L_1两端的电压大于L_2$两端的电压
D.通过$L_2的电流大于通过L_1$的电流
A
)A.$L_1的额定功率比L_2$的大
B.$L_1的电阻大于L_2$的电阻
C.$L_1两端的电压大于L_2$两端的电压
D.通过$L_2的电流大于通过L_1$的电流
答案:
A
7. 手机屏幕能随光照强度的变化自动调节亮度,如图所示是它的电路原理图,光敏电阻R的阻值随光照强度的变大而减小。保持电源电压不变,闭合开关S,当光照强度变大时,下列说法正确的是(

A.灯泡L变暗,电压表示数变大
B.灯泡L变亮,电流表示数变小
C.灯泡L变亮,电压表与电流表示数的比值变小
D.灯泡L变亮,电路的总功率变小
理由:______
C
)A.灯泡L变暗,电压表示数变大
B.灯泡L变亮,电流表示数变小
C.灯泡L变亮,电压表与电流表示数的比值变小
D.灯泡L变亮,电路的总功率变小
理由:______
答案:
C
8. 如图所示是甲和乙两个电阻的I-U图像,下列说法中正确的是(

A.甲的电阻为15$\Omega$
B.甲对电流的阻碍作用比乙大
C.将甲乙并联,若干路电流为0.6 A,则电源电压为4 V
D.将甲乙串联,若电路电流为0.3 A,则甲的电功率为1.8 W
理由:______
C
)A.甲的电阻为15$\Omega$
B.甲对电流的阻碍作用比乙大
C.将甲乙并联,若干路电流为0.6 A,则电源电压为4 V
D.将甲乙串联,若电路电流为0.3 A,则甲的电功率为1.8 W
理由:______
答案:
C
查看更多完整答案,请扫码查看