第51页
- 第1页
- 第2页
- 第3页
- 第4页
- 第5页
- 第6页
- 第7页
- 第8页
- 第9页
- 第10页
- 第11页
- 第12页
- 第13页
- 第14页
- 第15页
- 第16页
- 第17页
- 第18页
- 第19页
- 第20页
- 第21页
- 第22页
- 第23页
- 第24页
- 第25页
- 第26页
- 第27页
- 第28页
- 第29页
- 第30页
- 第31页
- 第32页
- 第33页
- 第34页
- 第35页
- 第36页
- 第37页
- 第38页
- 第39页
- 第40页
- 第41页
- 第42页
- 第43页
- 第44页
- 第45页
- 第46页
- 第47页
- 第48页
- 第49页
- 第50页
- 第51页
- 第52页
- 第53页
- 第54页
- 第55页
- 第56页
- 第57页
- 第58页
- 第59页
- 第60页
- 第61页
- 第62页
- 第63页
- 第64页
- 第65页
- 第66页
9. 在如图所示的电路中,有一根导线尚未连接,请用笔画线代替导线补充完整。要求:灯 L 与滑动变阻器 R 串联,且闭合开关 S 后,当滑片向左移动时,电流表的示数变小。

答案:
解:如图所示
解:如图所示
10. 如图所示的实物电路,用笔画线添加两根导线使电路完整。要求:闭合开关,滑动变阻器滑片 P 向左移动时,灯泡亮度变暗、电流表示数变小,电压表只测量灯泡两端电压。

答案:
解:如图所示
解:如图所示
11. 在图上改动一根导线,使电路成为串联电路,并使电压表测量灯$ L_2 $两端的电压(在改动的导线上画“×”,然后重新连接)。

答案:
解:如图所示
解:如图所示
12. 如图甲所示是某同学设计的利用电流表测量通过小灯泡$ L_2 $电流的电路。请帮忙完成下列问题:
(1)在图乙虚线框内画出相应的电路图。
(2)在图甲中改动一根导线,使电流表能直接测出通过两只小灯泡的总电流,请在这根导线上画“×”,并把改动后的导线画出来。

(1)在图乙虚线框内画出相应的电路图。
(2)在图甲中改动一根导线,使电流表能直接测出通过两只小灯泡的总电流,请在这根导线上画“×”,并把改动后的导线画出来。
答案:
解:
(1)如图乙所示。
(2)如图甲所示
解:
(1)如图乙所示。
(2)如图甲所示
13. 如图所示,电路中有$ L_1、$$L_2 $两盏灯,请在图中○内分别填入电流表或电压表的符号,要求开关闭合时$ L_1、$$L_2 $都能发光,且两电表的示数均不为零。

答案:
解:如图所示
解:如图所示
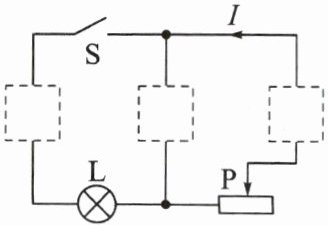
14. 请将电源、电流表、电压表三个元件的符号填入下图电路的虚线框内,并将电路补充完整。要求:开关 S 闭合后,电流方向如图所示,移动滑动变阻器的滑片 P,小灯泡 L 变亮时,电压表的示数变小。

答案:
解:如图所示
解:如图所示
查看更多完整答案,请扫码查看