4. 在通常条件下部分金属导电性能的排序如图所示,从下至上,金属的导电性能依次增强。若不考虑温度对电阻的影响,下列判断正确的是

A.铁线的电阻一定小于铜线的电阻
B.电阻相同时,铜线一定比铝线更细
C.粗细相同的两条铝线,长度越长,电阻越大
D.长度和粗细均相同时,铝线比铁线的电阻更大
A.铁线的电阻一定小于铜线的电阻
B.电阻相同时,铜线一定比铝线更细
C.粗细相同的两条铝线,长度越长,电阻越大
D.长度和粗细均相同时,铝线比铁线的电阻更大
答案:
C 解析导体的电阻与导体的材料、长度与横截面积有关,铜线和铁线的材料不同,但不知道导体的长度和横截面积,所以无法确定铜线与铁线电阻的大小关系,A错误;电阻相同时,只根据材料,无法判定铜导线和铝导线的粗细程度,B错误;粗细相同时,铝线的长度越长,电阻越大,C正确;铝的导电性能比铁的强,故长度和粗细均相同时,铝线比铁线的电阻更小,D错误。
5. 如图所示的电路,“○”内的1、2、3可能是电流表,也可能是电压表。当闭合开关后,两灯都发光,且三个电表都有示数。下列判断正确的是

A.①③是电流表,②是电压表
B.①是电压表,②③是电流表
C.①②是电流表,③是电压表
D.①②是电压表,③是电流表
A.①③是电流表,②是电压表
B.①是电压表,②③是电流表
C.①②是电流表,③是电压表
D.①②是电压表,③是电流表
答案:
A 解析如果①是电压表,②③是电流表时,灯L₁被短路;如果①②是电流表,闭合开关后,电源被短路;如果①②是电压表,③是电流表,灯L₁断路,不发光。A正确。
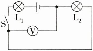
6. 在如图所示的电路中,电源电压恒为6 V。闭合开关后,两灯泡都发光,电压表的示数为2.4 V,则

A.灯$L_1$两端的电压为2.4 V
B.灯$L_2$两端的电压为3.6 V
C.灯$L_1$和$L_2$两端的电压之和为6 V
D.当灯$L_2$断路时,电压表的示数为零
A.灯$L_1$两端的电压为2.4 V
B.灯$L_2$两端的电压为3.6 V
C.灯$L_1$和$L_2$两端的电压之和为6 V
D.当灯$L_2$断路时,电压表的示数为零
答案:
C 解析由图知,灯L₁、L₂串联,电压表V测量灯L₂两端的电压,电压表V的示数为2.4V,即灯L₂两端的电压U₂=2.4V;已知电源电压恒为6V,则灯L₁两端的电压U₁=U - U₂=6V - 2.4V=3.6V;当灯L₂断路时,电压表测量电源电压,示数为6V,C正确。
7. 在“设计制作一个调光灯”的实践活动中,小明设计了如图所示的电路,用M、N两个金属夹子将一根铅笔芯接入电路中,固定M夹子,当N夹子左右移动时,小灯泡的亮度会发生变化。下列关于这一装置的说法中正确的是

A.将铅笔芯换成塑料吸管,灯泡也能亮起
B.本实验可通过灯泡的亮暗程度反映接入电路的电阻大小
C.实验过程中电阻变化的主要因素是改变了横截面积
D.增加一节干电池,灯泡会更亮,说明铅笔芯电阻随电压的增大而减小了
A.将铅笔芯换成塑料吸管,灯泡也能亮起
B.本实验可通过灯泡的亮暗程度反映接入电路的电阻大小
C.实验过程中电阻变化的主要因素是改变了横截面积
D.增加一节干电池,灯泡会更亮,说明铅笔芯电阻随电压的增大而减小了
答案:
B 解析铅笔芯是导体,容易导电,塑料吸管是绝缘体,不容易导电,因此将铅笔芯换成塑料吸管后灯泡不会亮,A错误;电源电压不变,接入电路电阻变大时,电路中的电流就会变小,灯泡会变暗,因此可以通过灯泡的亮暗程度反映接入电路的电阻大小,B正确;当N夹子左右移动时,因铅笔芯接入电路的长度发生变化,接入电路的阻值发生变化,C错误;电阻是导体自身的一种性质,与导体的材料、长度、横截面积、温度有关,与加在导体两端的电压、通过的电流无关,D错误。
查看更多完整答案,请扫码查看