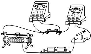
24. 新素养 科学探究(10分)图甲是“探究电流与电压关系”的实验电路。
(1)检查发现连接的电路中有一根导线连接错误,请在图中连接错误的那根导线上打“×”,并用笔画线代替导线将电路连接正确。
(2)电路接通前,滑动变阻器的滑片应该移至最____(选填“左”或“右”)端。
(3)闭合开关后,发现电流表有示数,电压表示数为零,则故障可能是电阻发生了____(选填“短路”或“断路”)。
(4)排除故障后,闭合开关,改变滑动变阻器滑片的位置,记录实验数据如下表。表中空白处电压如图乙所示,该示数是____V。根据表中数据得出结论:电阻一定时,通过导体的电流与导体两端的电压成____(选填“正比”或“反比”)。


(1)检查发现连接的电路中有一根导线连接错误,请在图中连接错误的那根导线上打“×”,并用笔画线代替导线将电路连接正确。
(2)电路接通前,滑动变阻器的滑片应该移至最____(选填“左”或“右”)端。
(3)闭合开关后,发现电流表有示数,电压表示数为零,则故障可能是电阻发生了____(选填“短路”或“断路”)。
(4)排除故障后,闭合开关,改变滑动变阻器滑片的位置,记录实验数据如下表。表中空白处电压如图乙所示,该示数是____V。根据表中数据得出结论:电阻一定时,通过导体的电流与导体两端的电压成____(选填“正比”或“反比”)。
答案:
(1)如图所示
(2)左
(3)短路
(4)2.4 正比
(1)如图所示
(2)左
(3)短路
(4)2.4 正比
25. (12分)(2024·江苏淮安)小明用阻值为5Ω、10Ω、20Ω的三个定值电阻探究电流与电阻的关系,电源电压为3V且保持不变。
(1)用笔画线代替导线,将图甲所示电路连接完整。(要求滑动变阻器的滑片向右滑动时电流表示数变大)
(2)连接电路时,开关应处于____状态。
(3)将5Ω的定值电阻接入电路,闭合开关,电流表无示数,电压表有示数,电路出现的故障是____。
(4)根据实验数据描绘电流与电阻倒数的关系图像,如图乙所示。由图像可知,定值电阻两端的电压为____V。得出结论:电压一定时,电流与电阻成____比。
(5)本实验中滑动变阻器的作用是____。分析实验数据可知,本实验所选用的滑动变阻器的最大阻值应不小于____Ω。
(1)用笔画线代替导线,将图甲所示电路连接完整。(要求滑动变阻器的滑片向右滑动时电流表示数变大)
(2)连接电路时,开关应处于____状态。
(3)将5Ω的定值电阻接入电路,闭合开关,电流表无示数,电压表有示数,电路出现的故障是____。
(4)根据实验数据描绘电流与电阻倒数的关系图像,如图乙所示。由图像可知,定值电阻两端的电压为____V。得出结论:电压一定时,电流与电阻成____比。
(5)本实验中滑动变阻器的作用是____。分析实验数据可知,本实验所选用的滑动变阻器的最大阻值应不小于____Ω。
答案:
解析:
(1)滑动变阻器的滑片向右滑动时电流表示数变大,由欧姆定律可知,电路的总电阻变小,则滑动变阻器接入电路的阻值变小,应将滑动变阻器的右下接线柱和电源的负极接线柱相连.
(2)连接电路时,为保护电路,开关应处于断开状态.
(3)将$5Ω$的定值电阻接入电路,闭合开关,电流表无示数,则电路断路,电压表有示数,则电压表和电源接通,故电路出现的故障是定值电阻断路.
(4)由图可知,当电路中电流为$0.4A$时,$\frac {1}{R}=0.2Ω^{-1}$,定值电阻阻值$R=5Ω$,由欧姆定律可得,定值电阻两端的电压$U_{R}=IR=0.4A×5Ω=2V$,由图乙可知,$I$与$\frac{1}{R}$成正比,即电流与电阻的乘积为一定值,则可得出结论:电压一定时,电流与电阻成反比.
(5)本实验中滑动变阻器的作用一是保护电路,二是保持定值电阻两端的电压不变.分析实验数据可知,电路中电流最小值为$0.1A$,由欧姆定律及串联电路的电压特点可得,滑动变阻器的最大阻值$R_{滑max}=\frac {U_{滑}}{I_{小}}=\frac {U - U_{R}}{I_{小}}=\frac {3V - 2V}{0.1A}=10Ω$,所以本实验所选用的滑动变阻器的最大阻值应不小于$10Ω$.
(1)如图所示
(2)断开
(3)定值电阻断路
(4)2 反
(5)保护电路,保持定值电阻两端的电压不变 10
解析:
(1)滑动变阻器的滑片向右滑动时电流表示数变大,由欧姆定律可知,电路的总电阻变小,则滑动变阻器接入电路的阻值变小,应将滑动变阻器的右下接线柱和电源的负极接线柱相连.
(2)连接电路时,为保护电路,开关应处于断开状态.
(3)将$5Ω$的定值电阻接入电路,闭合开关,电流表无示数,则电路断路,电压表有示数,则电压表和电源接通,故电路出现的故障是定值电阻断路.
(4)由图可知,当电路中电流为$0.4A$时,$\frac {1}{R}=0.2Ω^{-1}$,定值电阻阻值$R=5Ω$,由欧姆定律可得,定值电阻两端的电压$U_{R}=IR=0.4A×5Ω=2V$,由图乙可知,$I$与$\frac{1}{R}$成正比,即电流与电阻的乘积为一定值,则可得出结论:电压一定时,电流与电阻成反比.
(5)本实验中滑动变阻器的作用一是保护电路,二是保持定值电阻两端的电压不变.分析实验数据可知,电路中电流最小值为$0.1A$,由欧姆定律及串联电路的电压特点可得,滑动变阻器的最大阻值$R_{滑max}=\frac {U_{滑}}{I_{小}}=\frac {U - U_{R}}{I_{小}}=\frac {3V - 2V}{0.1A}=10Ω$,所以本实验所选用的滑动变阻器的最大阻值应不小于$10Ω$.
(1)如图所示
(2)断开
(3)定值电阻断路
(4)2 反
(5)保护电路,保持定值电阻两端的电压不变 10
26. (12分)(2025·江苏盐城期末)为了测定灯泡正常发光时的电阻,小尚设计了图甲电路。灯泡的额定电压$U_{L}= 2.2V$,正常发光时的电阻约为7Ω,滑动变阻器标有“10Ω 1A”字样,所用电源为可调式学生电源,分别有2V、4V、6V、8V、10V、12V六挡。

(1)用笔画线代替导线将图甲的实物电路补充完整(要求滑片右移,灯泡变暗)。
(2)小尚选用电源的6V挡进行实验并正确操作,发现灯泡无法正常发光,他立即断开开关,并对电路进行必要的调整,他的调整可能是____(多选)。
A. 将电源电压调为4V挡
B. 将电源电压调为8V挡
C. 换用最大阻值更大的滑动变阻器
D. 换用最大阻值更小的滑动变阻器
(3)电路调整好后,小尚移动滑片,当电压表的示数为1.8V时,滑动变阻器的滑片应继续向____(选填“左”或“右”)移动,使电压表的示数达到额定电压,此时电流表示数如图乙,则灯泡正常发光的电阻为____Ω(结果保留一位小数)。
(4)实验结束后,小明发现桌面上还有另一只小灯泡,如图丙,小明只利用了电压表和两只滑动变阻器(最大阻值分别为$R_{1}和R_{2}$),也巧妙地测出了这只灯泡正常发光时的电阻。在他的测量中,闭合开关S后,应先将$R_{1}$的滑片移至最____(选填“左”或“右”)端,并调节$R_{2}$的滑片至适当位置使灯泡正常发光,读出此时电压表示数为$U_{0}$,最后再____,并读出电压表的示数为$U(U>U_{0})$,则灯泡正常发光时的电阻的表达式$R_{L}= $____(用题中出现的物理量的符号表示)。
(1)用笔画线代替导线将图甲的实物电路补充完整(要求滑片右移,灯泡变暗)。
(2)小尚选用电源的6V挡进行实验并正确操作,发现灯泡无法正常发光,他立即断开开关,并对电路进行必要的调整,他的调整可能是____(多选)。
A. 将电源电压调为4V挡
B. 将电源电压调为8V挡
C. 换用最大阻值更大的滑动变阻器
D. 换用最大阻值更小的滑动变阻器
(3)电路调整好后,小尚移动滑片,当电压表的示数为1.8V时,滑动变阻器的滑片应继续向____(选填“左”或“右”)移动,使电压表的示数达到额定电压,此时电流表示数如图乙,则灯泡正常发光的电阻为____Ω(结果保留一位小数)。
(4)实验结束后,小明发现桌面上还有另一只小灯泡,如图丙,小明只利用了电压表和两只滑动变阻器(最大阻值分别为$R_{1}和R_{2}$),也巧妙地测出了这只灯泡正常发光时的电阻。在他的测量中,闭合开关S后,应先将$R_{1}$的滑片移至最____(选填“左”或“右”)端,并调节$R_{2}$的滑片至适当位置使灯泡正常发光,读出此时电压表示数为$U_{0}$,最后再____,并读出电压表的示数为$U(U>U_{0})$,则灯泡正常发光时的电阻的表达式$R_{L}= $____(用题中出现的物理量的符号表示)。
答案:
解析:
(2)灯泡的额定电压为$2.2V$,电源电压大于灯泡的额定电压,灯泡无法正常发光,可能是因为灯泡两端的电压大于灯泡的额定电压,则接下来他应将电源电压调小,调为$4V$挡;或者换用最大阻值更大的滑动变阻器,使变阻器接入电路的阻值变大,从而使灯泡的电压达到额定电压,故A、C符合题意.
(3)当电压表的示数为$1.8V$时,灯泡两端的电压小于额定电压,则滑动变阻器的滑片应继续向左移动,减小变阻器接入电路的阻值,使电压表的示数达到额定电压.由图乙可知,电流表的示数为$0.3A$,由欧姆定律可得,灯泡正常发光的电阻$R_{L}=\frac {2.2V}{0.3A}\approx 7.3Ω$.
(4)由图丙可知,灯泡L、变阻器$R_{1}$的最大电阻与变阻器$R_{2}$串联.在他的测量中,闭合开关$S$后,应先将$R_{1}$的滑片移至最左端,并调节$R_{2}$的滑片至适当位置使灯泡正常发光,此时电压表测量灯泡两端的电压,读出此时电压表示数为$U_{0}$,即灯泡的额定电压为$U_{0}$,最后再将$R_{1}$的滑片移至最右端,此时电压表测量灯泡L和变阻器$R_{1}$两端的总电压,并读出电压表的示数为$U(U>U_{0})$.变阻器$R_{1}$两端的电压$U_{1}=U - U_{0}$,灯泡正常发光时的电流$I_{L}=I_{1}=\frac {U_{1}}{R_{1}}=\frac {U - U_{0}}{R_{1}}$,则灯泡正常发光时的电阻的表达式$R_{L}=\frac {U_{L}}{I_{L}}=\frac {U_{0}}{\frac {U - U_{0}}{R_{1}}}=\frac {U_{0}R_{1}}{U - U_{0}}$.
(1)如图所示
(2)$AC$
(3)左 7.3
(4)左 将$R_{1}$的滑片移至最右端 $\frac {U_{0}R_{1}}{U - U_{0}}$
解析:
(2)灯泡的额定电压为$2.2V$,电源电压大于灯泡的额定电压,灯泡无法正常发光,可能是因为灯泡两端的电压大于灯泡的额定电压,则接下来他应将电源电压调小,调为$4V$挡;或者换用最大阻值更大的滑动变阻器,使变阻器接入电路的阻值变大,从而使灯泡的电压达到额定电压,故A、C符合题意.
(3)当电压表的示数为$1.8V$时,灯泡两端的电压小于额定电压,则滑动变阻器的滑片应继续向左移动,减小变阻器接入电路的阻值,使电压表的示数达到额定电压.由图乙可知,电流表的示数为$0.3A$,由欧姆定律可得,灯泡正常发光的电阻$R_{L}=\frac {2.2V}{0.3A}\approx 7.3Ω$.
(4)由图丙可知,灯泡L、变阻器$R_{1}$的最大电阻与变阻器$R_{2}$串联.在他的测量中,闭合开关$S$后,应先将$R_{1}$的滑片移至最左端,并调节$R_{2}$的滑片至适当位置使灯泡正常发光,此时电压表测量灯泡两端的电压,读出此时电压表示数为$U_{0}$,即灯泡的额定电压为$U_{0}$,最后再将$R_{1}$的滑片移至最右端,此时电压表测量灯泡L和变阻器$R_{1}$两端的总电压,并读出电压表的示数为$U(U>U_{0})$.变阻器$R_{1}$两端的电压$U_{1}=U - U_{0}$,灯泡正常发光时的电流$I_{L}=I_{1}=\frac {U_{1}}{R_{1}}=\frac {U - U_{0}}{R_{1}}$,则灯泡正常发光时的电阻的表达式$R_{L}=\frac {U_{L}}{I_{L}}=\frac {U_{0}}{\frac {U - U_{0}}{R_{1}}}=\frac {U_{0}R_{1}}{U - U_{0}}$.
(1)如图所示
(2)$AC$
(3)左 7.3
(4)左 将$R_{1}$的滑片移至最右端 $\frac {U_{0}R_{1}}{U - U_{0}}$
查看更多完整答案,请扫码查看