21. 某并联电路的一部分电路如图所示,当电路接通后,电流表的读数为0.4A,通过导线ab的电流为0.8A。若导线ab中的电流方向是从a流向b,则通过导线ac的电流为____A;若导线ab的电流方向是从b流向a,则通过导线ac的电流为____A。

答案:
1.2 0.4 解析:由题意可知,该电路为某并联电路的一部分.电流从电流表的“+”接线柱流入、从“-”接线柱流出,由图可知,若导线ab中的电流从a流向b,则ac在干路上,ab在支路上,ac中电流方向是由c到a,由题意知此时$I_{A}=0.4A$、$I_{ab}=0.8A$,由并联电路的电流规律可得,通过导线ac的电流$I_{ca}=I_{ab}+I_{A}=0.8A+0.4A=1.2A$.若导线ab中的电流从b流向a,且大于电流表的示数,则ab在干路上,ac在支路上,ac中电流方向是由a到c,由题意知此时$I_{ba}=0.8A$,由并联电路的电流规律可得,通过导线ac的电流$I_{ac}=I_{ba}-I_{A}=0.8A-0.4A=0.4A$.
22. (2025·重庆期中)小德同学在练习使用电压表、电流表时,连接了如图所示的实物电路,由学生电源(电压恒定)、开关S、两个小灯泡和甲、乙、丙三个电表(可能是电流表或电压表)组成,电路中各元件均能正常工作。若乙电表为电流表,闭合开关S,甲电表一定不为____表,此时电路中总电流大小为3A,通过小灯泡$L_2$的电流大小为a,乙电表的示数大小为b。保持电路连接情况不变,若乙、丙两表为电压表,甲表为电流表,小灯泡$L_2$两端的电压大小为7V,乙电表的示数大小为c,丙电表的示数大小为d。已知d与a的数值之比为5:1,c与b的数值之比为6:1,则电源电压为____V。

答案:
电流 12 解析:若乙表为电流表,闭合开关S时,若甲为电流表,则电路短路,所以甲表一定不为电流表.若乙表为电流表,甲表为电压表,丙表为电流表,两小灯泡并联,乙电流表测通过小灯泡$L_{1}$的电流,由题意知此时干路电流为3A,通过小灯泡$L_{2}$的电流大小为a,由并联电路的电流规律可得$a+b=3A$ ①;当乙、丙两表为电压表,甲表为电流表时,两小灯泡串联,乙测电源电压,丙测小灯泡$L_{1}$两端的电压,由题意知小灯泡$L_{2}$两端的电压为7V,乙电表的示数为c,丙电表的示数为d,由串联电路的电压规律可得$c=d+7V$ ②,根据题意知$\frac {d}{a}=\frac {5}{1}$ ③、$\frac {c}{b}=\frac {6}{1}$ ④.联立①②③④可得$c=12V$,即电源电压为12V.
23. (6分)按要求作图。
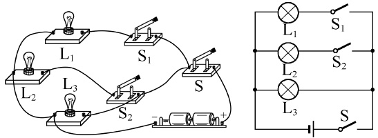
(1)将如图甲所示的实物电路连接完整,要求三个灯泡并联,S是总开关$,S_1$只控制灯泡$L_1,S_2$只控制灯泡$L_2。$然后画出相应的电路图。
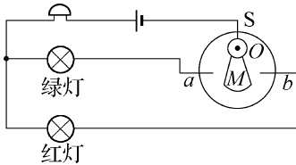
(2)某船上装有平衡警示电路如图乙,其中S为重力开关,金属片M可绕O点自由转动。当船水平时,M在a、b中间;当船向左倾斜到一定程度时,绿灯亮、电铃响;当船向右倾斜到一定程度时,红灯亮、电铃响。请完成电路图。

(1)将如图甲所示的实物电路连接完整,要求三个灯泡并联,S是总开关$,S_1$只控制灯泡$L_1,S_2$只控制灯泡$L_2。$然后画出相应的电路图。
(2)某船上装有平衡警示电路如图乙,其中S为重力开关,金属片M可绕O点自由转动。当船水平时,M在a、b中间;当船向左倾斜到一定程度时,绿灯亮、电铃响;当船向右倾斜到一定程度时,红灯亮、电铃响。请完成电路图。
答案:
(1)如图所示
(2)如图所示
(1)如图所示
(2)如图所示
24. (6分)学习了串、并联电路后,小华想探究串、并联电路的工作特点,她按照如图甲、乙所示的电路分别用导线把各元件正确连接起来。
(1)如图甲所示电路,闭合开关,两灯泡都正常发光,小华取下$L_1,$发现$L_2____($选填“熄灭”或“还亮”),接着小华将$L_1$接好,取下$L_2,$观察$L_1$的发光情况,于是得出结论:在串联电路中各用电器____(选填“相互”或“互不”)影响。
(2)如图乙所示,为了探究开关$S_1$的作用,在观察灯泡发光情况时,她应该____。
A. 同时观察两个支路上的灯泡
B. 只观察$S_1$所在支路上的灯泡
C. 只观察$S_2$所在支路上的灯泡
(3)小刚连接了一个两只灯泡组成的电路,闭合开关,两灯泡都亮,但连线比较杂乱,一时难以看清,要想简单迅速地判断两灯泡的连接方式,可采取的办法是____。

(1)如图甲所示电路,闭合开关,两灯泡都正常发光,小华取下$L_1,$发现$L_2____($选填“熄灭”或“还亮”),接着小华将$L_1$接好,取下$L_2,$观察$L_1$的发光情况,于是得出结论:在串联电路中各用电器____(选填“相互”或“互不”)影响。
(2)如图乙所示,为了探究开关$S_1$的作用,在观察灯泡发光情况时,她应该____。
A. 同时观察两个支路上的灯泡
B. 只观察$S_1$所在支路上的灯泡
C. 只观察$S_2$所在支路上的灯泡
(3)小刚连接了一个两只灯泡组成的电路,闭合开关,两灯泡都亮,但连线比较杂乱,一时难以看清,要想简单迅速地判断两灯泡的连接方式,可采取的办法是____。
答案:
(1)熄灭 相互
(2)A
(3)取下一只灯泡,观察另一只灯泡是否发光
(1)熄灭 相互
(2)A
(3)取下一只灯泡,观察另一只灯泡是否发光
查看更多完整答案,请扫码查看