第24页
- 第1页
- 第2页
- 第3页
- 第4页
- 第5页
- 第6页
- 第7页
- 第8页
- 第9页
- 第10页
- 第11页
- 第12页
- 第13页
- 第14页
- 第15页
- 第16页
- 第17页
- 第18页
- 第19页
- 第20页
- 第21页
- 第22页
- 第23页
- 第24页
- 第25页
- 第26页
- 第27页
- 第28页
- 第29页
- 第30页
- 第31页
- 第32页
- 第33页
- 第34页
- 第35页
- 第36页
- 第37页
- 第38页
- 第39页
- 第40页
- 第41页
- 第42页
- 第43页
- 第44页
- 第45页
- 第46页
- 第47页
- 第48页
- 第49页
- 第50页
- 第51页
- 第52页
- 第53页
- 第54页
- 第55页
- 第56页
- 第57页
- 第58页
- 第59页
- 第60页
- 第61页
- 第62页
- 第63页
- 第64页
- 第65页
- 第66页
- 第67页
- 第68页
- 第69页
- 第70页
- 第71页
- 第72页
- 第73页
- 第74页
- 第75页
- 第76页
- 第77页
- 第78页
- 第79页
- 第80页
- 第81页
- 第82页
- 第83页
- 第84页
- 第85页
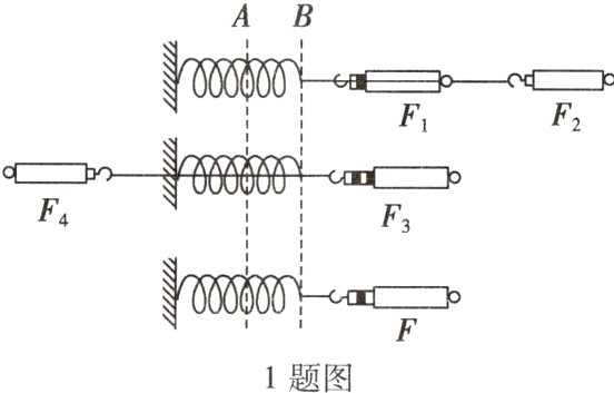
1.(教材“演示”改编)如图所示,在探究“同一直线上二力合成”的实验中,每次实验操作都要将弹簧右端点从位置A拉伸到位置B。这样做的目的是保证每次实验操作中力的________都是相同的。其中$F_{1}+F_{2}$________(选填“>”“=”或“<”)$F_{3}-F_{4}$。
答案:
作用效果 =
2.如图所示,跳伞运动员连同装置共重700N,他从飞机上跳下,伞未打开前,受到的空气阻力为50N,则下列说法正确的是 ( )

A.这两个力的合力的大小为750N,合力的方向是竖直向上
B.这两个力的合力的大小为750N,合力的方向是竖直向下
C.这两个力的合力的大小为650N,合力的方向是竖直向上
D.这两个力的合力的大小为650N,合力的方向是竖直向下
A.这两个力的合力的大小为750N,合力的方向是竖直向上
B.这两个力的合力的大小为750N,合力的方向是竖直向下
C.这两个力的合力的大小为650N,合力的方向是竖直向上
D.这两个力的合力的大小为650N,合力的方向是竖直向下
答案:
D
3.小华用60N的力沿竖直方向提起一袋重50N的米,则米袋受到的合力 ( )
A.大小为10N,方向竖直向上
B.大小为10N,方向竖直向下
C.大小为110N,方向竖直向上
D.大小为110N,方向竖直向下
A.大小为10N,方向竖直向上
B.大小为10N,方向竖直向下
C.大小为110N,方向竖直向上
D.大小为110N,方向竖直向下
答案:
A [解析]米袋受到竖直向下的重力$G = 50\ N$,竖直向上的拉力$F = 60\ N$作用,米袋受到的合力$F_{合}=F - G = 60\ N - 50\ N = 10\ N$,方向竖直向上。故选A。
4.一个重6N的小球由静止开始下落,小球运动过程所受空气阻力为1N,其受到的合力的大小和方向是 ( )
A.7N,竖直向下
B.5N,竖直向下
C.1N,竖直向下
D.5N,竖直向上
A.7N,竖直向下
B.5N,竖直向下
C.1N,竖直向下
D.5N,竖直向上
答案:
B [解析]小球在下落过程中,受到竖直向下的重力$G$、竖直向上的阻力$f$,且重力较大,则合力$F_{合}=G - f = 6\ N - 1\ N = 5\ N$,合力的方向竖直向下,故B正确。故选B。
5.(教材题改编)如图所示,两个人沿水平方向推一张桌子,$F_{1}$的大小为120N,水平向右;$F_{2}$的大小为100N,水平向左,则这两个力的作用效果与下列哪个力相同 ( )

A.220N,水平向右
B.120N,水平向右
C.100N,水平向左
D.20N,水平向右
A.220N,水平向右
B.120N,水平向右
C.100N,水平向左
D.20N,水平向右
答案:
D [解析]两个人沿水平方向推一张桌子,$F_{1}$的大小为$120\ N$,方向水平向右;$F_{2}$的大小为$100\ N$,方向水平向左,这是同一直线上方向相反的二力合成,合力等于两力之差,$F = F_{1}-F_{2}=120\ N - 100\ N = 20\ N$,方向与较大的$F_{1}$方向相同,即水平向右。而合力的作用效果与分力的作用效果相同,故D正确,ABC错误。故选D。
6.一个物体受到两个力$F_{1}$和$F_{2}$的作用,大小分别是20N和30N,且在同一直线上,则这两个力的合力大小是 ( )
A.一定是10N
B.一定是50N
C.10N或者50N
D.无法确定
A.一定是10N
B.一定是50N
C.10N或者50N
D.无法确定
答案:
C
7.某中学初二年级同学在探究同一直线二力合成的实验中,把一根轻质弹簧的一端固定在O点,另一端用尼龙细线固定在弹簧测力计的挂钩上,每次实验时,他们都将弹簧由A位置拉伸到B位置。研究过程及实验数据如图a、b、c所示,请仔细观察图中的装置、操作及现象,然后归纳得出初步结论。
(1)在图a、b和c三次实验中,都将弹簧拉伸到B点,目的是使每次实验中力产生的________相同。
(2)分析比较图a与b中拉力的方向及弹簧测力计的示数可得出的结论:________(用公式表示)。
(3)分析比较图a与c中拉力的方向及弹簧测力计的示数可得出的结论:________(用公式表示),合力的方向与________(选填“$F_{3}$”或“$F_{4}$”)的方向相同。
(1)在图a、b和c三次实验中,都将弹簧拉伸到B点,目的是使每次实验中力产生的________相同。
(2)分析比较图a与b中拉力的方向及弹簧测力计的示数可得出的结论:________(用公式表示)。
(3)分析比较图a与c中拉力的方向及弹簧测力计的示数可得出的结论:________(用公式表示),合力的方向与________(选填“$F_{3}$”或“$F_{4}$”)的方向相同。
答案:
(1)效果 (2)$F = F_{1}+F_{2}$ (3)$F = F_{3}-F_{4}$ $F_{3}$
[解析](1)实验中是通过弹簧相同的形变来表示受到相同的拉力,都将弹簧拉伸到$B$点,目的是使每次实验中力产生的效果相同。(2)将a、b两个图结合起来分析,图b中两个力的合力与图a中的力大小相等,都为$4\ N$;图b中的两个力分别为$1\ N$和$3\ N$,从数量关系上分析,两个力的合力等于这两个分力的大小之和,两个力的方向相同,合力的方向也与这两个力的方向相同,即$F = F_{1}+F_{2}$。(3)将a、c两个图结合起来分析,图c中两个力的合力与图a中的力大小相等,都为$4\ N$;图c中的两个力分别为$1\ N$和$5\ N$,从数量关系上分析,两个力的合力等于这两个分力的大小之差。$F = F_{3}-F_{4}$,并且方向与较大的那个力的方向相同,即$F_{3}$。
[解析](1)实验中是通过弹簧相同的形变来表示受到相同的拉力,都将弹簧拉伸到$B$点,目的是使每次实验中力产生的效果相同。(2)将a、b两个图结合起来分析,图b中两个力的合力与图a中的力大小相等,都为$4\ N$;图b中的两个力分别为$1\ N$和$3\ N$,从数量关系上分析,两个力的合力等于这两个分力的大小之和,两个力的方向相同,合力的方向也与这两个力的方向相同,即$F = F_{1}+F_{2}$。(3)将a、c两个图结合起来分析,图c中两个力的合力与图a中的力大小相等,都为$4\ N$;图c中的两个力分别为$1\ N$和$5\ N$,从数量关系上分析,两个力的合力等于这两个分力的大小之差。$F = F_{3}-F_{4}$,并且方向与较大的那个力的方向相同,即$F_{3}$。
查看更多完整答案,请扫码查看