第76页
- 第1页
- 第2页
- 第3页
- 第4页
- 第5页
- 第6页
- 第7页
- 第8页
- 第9页
- 第10页
- 第11页
- 第12页
- 第13页
- 第14页
- 第15页
- 第16页
- 第17页
- 第18页
- 第19页
- 第20页
- 第21页
- 第22页
- 第23页
- 第24页
- 第25页
- 第26页
- 第27页
- 第28页
- 第29页
- 第30页
- 第31页
- 第32页
- 第33页
- 第34页
- 第35页
- 第36页
- 第37页
- 第38页
- 第39页
- 第40页
- 第41页
- 第42页
- 第43页
- 第44页
- 第45页
- 第46页
- 第47页
- 第48页
- 第49页
- 第50页
- 第51页
- 第52页
- 第53页
- 第54页
- 第55页
- 第56页
- 第57页
- 第58页
- 第59页
- 第60页
- 第61页
- 第62页
- 第63页
- 第64页
- 第65页
- 第66页
- 第67页
- 第68页
- 第69页
- 第70页
- 第71页
- 第72页
- 第73页
- 第74页
- 第75页
- 第76页
- 第77页
- 第78页
- 第79页
- 第80页
- 第81页
- 第82页
- 第83页
- 第84页
- 第85页
- 第86页
- 第87页
- 第88页
- 第89页
- 第90页
- 第91页
- 第92页
- 第93页
- 第94页
- 第95页
- 第96页
- 第97页
- 第98页
- 第99页
- 第100页
- 第101页
- 第102页
- 第103页
- 第104页
- 第105页
- 第106页
- 第107页
- 第108页
- 第109页
- 第110页
- 第111页
- 第112页
- 第113页
- 第114页
- 第115页
- 第116页
- 第117页
- 第118页
- 第119页
- 第120页
- 第121页
- 第122页
- 第123页
- 第124页
1. 如图1所示的电路,闭合开关S后,两灯都不亮,电流表的指针几乎指着“0”刻度线不动,而电压表的指针有明显偏转,则该电路中发生的故障可能是 (
D
)
答案:
D
1. 如图1所示的电路,闭合开关S后,两灯都不亮,电流表的指针几乎指着“0”刻度线不动,而电压表的指针有明显偏转,则该电路中发生的故障可能是 (
D
)
答案:
D
2. 如图2所示,电源电压为6V,闭合开关后两灯均不发光,用电压表测得电路中a、b间的电压为6V,b、c间的电压为0V,则电路中发生的故障可能是 (

D
)
答案:
D
2. 如图2所示,电源电压为6V,闭合开关后两灯均不发光,用电压表测得电路中a、b间的电压为6V,b、c间的电压为0V,则电路中发生的故障可能是 (

D
)
答案:
D
3. 如图3所示的电路,电源电压恒定,闭合开关S,灯$L_1、$$L_2$都发光,一段时间后,其中一盏灯突然熄灭,电流表、电压表中有一个的示数突然变为零,则电路故障可能是 (

D
)
答案:
D
3. 如图3所示的电路,电源电压恒定,闭合开关S,灯$L_1、$$L_2$都发光,一段时间后,其中一盏灯突然熄灭,电流表、电压表中有一个的示数突然变为零,则电路故障可能是 (

D
)
答案:
D
4. 如图4所示的电路,闭合开关后,电路中有一处发生故障,导致电压表的示数变为零。关于电路故障,下列判断正确的是(

D
)
答案:
D
4. 如图4所示的电路,闭合开关后,电路中有一处发生故障,导致电压表的示数变为零。关于电路故障,下列判断正确的是(

D
)
答案:
D
5. 在如图5所示的电路中,电源电压为6.5V且保持不变。电路中滑动变阻器$R_2$上标有“20Ω 2A”的字样,电流表的量程为0~0.6A,电压表的量程为0~3V,电阻$R_1$的阻值为6Ω。为了保证电路能正常工作及各电表不致损坏,滑动变阻器$R_2$的阻值范围为

7Ω~20Ω
。
答案:
7Ω~20Ω
5. 在如图5所示的电路中,电源电压为6.5V且保持不变。电路中滑动变阻器$R_2$上标有“20Ω 2A”的字样,电流表的量程为0~0.6A,电压表的量程为0~3V,电阻$R_1$的阻值为6Ω。为了保证电路能正常工作及各电表不致损坏,滑动变阻器$R_2$的阻值范围为

7Ω~20Ω
。
答案:
7Ω~20Ω
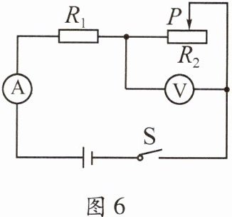
6. 如图6所示的电路,电流表的量程是0~0.6A,电压表的量程是0~3V,滑动变阻器$R_2$上标有“15Ω 1A”的字样,电阻$R_1$的阻值是5Ω。闭合开关,移动滑动变阻器$R_2$的滑片P到某一位置时,电压表的示数是2.5V,电流表的示数是0.4A。(1)电源电压是多少?(2)为了保证电路能正常工作及各电表不致损坏,滑动变阻器的阻值范围是多少?_____


答案:
答案:
(1)4.5 V;
(2)2.5 Ω~10 Ω。
(1)4.5 V;
(2)2.5 Ω~10 Ω。
6. 如图6所示的电路,电流表的量程是0~0.6A,电压表的量程是0~3V,滑动变阻器$R_2$上标有“15Ω 1A”的字样,电阻$R_1$的阻值是5Ω。闭合开关,移动滑动变阻器$R_2$的滑片P到某一位置时,电压表的示数是2.5V,电流表的示数是0.4A。(1)电源电压是多少?(2)为了保证电路能正常工作及各电表不致损坏,滑动变阻器的阻值范围是多少?_____


答案:
答案:
(1)4.5 V;
(2)2.5 Ω~10 Ω。
(1)4.5 V;
(2)2.5 Ω~10 Ω。
查看更多完整答案,请扫码查看