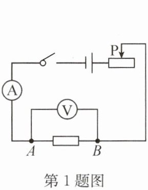
1. 小明同学用控制变量法探究“电流跟电阻的关系”,电路如图所示。在此实验过程中,当A、B两点间的电阻由5Ω换成10Ω时,他下一步应采取的正确操作是 (

A.只需将电源电压增加一倍
B.更换最大阻值更大的滑动变阻器
C.将滑动变阻器的滑片适当向左移动
D.将滑动变阻器的滑片适当向右移动
D
)A.只需将电源电压增加一倍
B.更换最大阻值更大的滑动变阻器
C.将滑动变阻器的滑片适当向左移动
D.将滑动变阻器的滑片适当向右移动
答案:
D
2. 小珠利用电压表、电流表、电压为6V的电源、滑动变阻器以及五个阻值不同的定值电阻探究“电流与电阻的关系”,实验得到I-R的关系图像如图所示,分析图像可知 (

A.实验中电压表示数恒为6V
B.电压一定时,通过导体的电流与其电阻成正比
C.电压表量程选用“0~3V”最合适
D.电流表量程选用“0~3A”最合适
C
)A.实验中电压表示数恒为6V
B.电压一定时,通过导体的电流与其电阻成正比
C.电压表量程选用“0~3V”最合适
D.电流表量程选用“0~3A”最合适
答案:
C
3. 探究“通过电阻的电流与电阻的大小关系”时,我们一般需要先预设一个电压值,实验中保持电阻两端电压为预设值不变。现采用如图所示电路进行探究,器材:学生电源(6V)、滑动变阻器(20Ω 1A)、电流表、电压表、开关、三个定值电阻(5Ω、10Ω、20Ω)及导线若干。

(1)要获得3组实验数据,电压预设的最小值为
(2)电压预设值越大,在获得3组实验数据的过程中,滑动变阻器阻值调节范围
(3)若要减小电压预设的最小值,获得3组实验数据(三个定值电阻不变),可以采取的措施是
(1)要获得3组实验数据,电压预设的最小值为
3
V。(2)电压预设值越大,在获得3组实验数据的过程中,滑动变阻器阻值调节范围
越小
(填“越大”“不变”或“越小”)。(3)若要减小电压预设的最小值,获得3组实验数据(三个定值电阻不变),可以采取的措施是
换用电压更小的电源(或换用最大阻值更大的滑动变阻器)
(写出一条)。
答案:
(1)3
(2)越小
(3)换用电压更小的电源(或换用最大阻值更大的滑动变阻器)
(1)3
(2)越小
(3)换用电压更小的电源(或换用最大阻值更大的滑动变阻器)
查看更多完整答案,请扫码查看