第73页
- 第1页
- 第2页
- 第3页
- 第4页
- 第5页
- 第6页
- 第7页
- 第8页
- 第9页
- 第10页
- 第11页
- 第12页
- 第13页
- 第14页
- 第15页
- 第16页
- 第17页
- 第18页
- 第19页
- 第20页
- 第21页
- 第22页
- 第23页
- 第24页
- 第25页
- 第26页
- 第27页
- 第28页
- 第29页
- 第30页
- 第31页
- 第32页
- 第33页
- 第34页
- 第35页
- 第36页
- 第37页
- 第38页
- 第39页
- 第40页
- 第41页
- 第42页
- 第43页
- 第44页
- 第45页
- 第46页
- 第47页
- 第48页
- 第49页
- 第50页
- 第51页
- 第52页
- 第53页
- 第54页
- 第55页
- 第56页
- 第57页
- 第58页
- 第59页
- 第60页
- 第61页
- 第62页
- 第63页
- 第64页
- 第65页
- 第66页
- 第67页
- 第68页
- 第69页
- 第70页
- 第71页
- 第72页
- 第73页
- 第74页
- 第75页
- 第76页
- 第77页
- 第78页
- 第79页
- 第80页
- 第81页
- 第82页
- 第83页
- 第84页
- 第85页
- 第86页
- 第87页
- 第88页
- 第89页
- 第90页
- 第91页
- 第92页
- 第93页
- 第94页
- 第95页
- 第96页
例7(2024·镇江)小明用图甲电路探究“电压一定时,电流与电阻的关系”.
(1)用笔画线代替导线将图甲中的电压表正确接入电路.
(2)开关闭合前,滑动变阻器的滑片应置于最________(左/右)端.
(3)闭合开关,小明发现无论怎样调节滑动变阻器,电流表指针不偏转,电压表指针有明显偏转且保持不变. 已知导线及各接线柱连接完好,则电路中________出现了________故障. 故障排除后,移动滑片,使电压表示数为2V,记录电流表示数. 多次更换定值电阻重复实验,得到电流I与定值电阻R的倒数关系如图乙中图线a所示,从而得出结论.
(4)实验结束后,小明应先断开开关,再拆除________两端的导线. 在整理器材时,他突然发现电压表指针位置如图丙所示.
① 小明遗漏的实验操作是__________________:
② 小华通过正确实验操作也进行了上述实验,小明发现他与小华的实验结论一致. 遗漏的实验操作并未影响结论,你认为其原因是______:
③ 小明按正确操作重新进行实验,你认为他得到的电流I与定值电阻R的倒数关系应为图乙中的图线________(a/b/c).
(1)用笔画线代替导线将图甲中的电压表正确接入电路.
(2)开关闭合前,滑动变阻器的滑片应置于最________(左/右)端.
(3)闭合开关,小明发现无论怎样调节滑动变阻器,电流表指针不偏转,电压表指针有明显偏转且保持不变. 已知导线及各接线柱连接完好,则电路中________出现了________故障. 故障排除后,移动滑片,使电压表示数为2V,记录电流表示数. 多次更换定值电阻重复实验,得到电流I与定值电阻R的倒数关系如图乙中图线a所示,从而得出结论.
(4)实验结束后,小明应先断开开关,再拆除________两端的导线. 在整理器材时,他突然发现电压表指针位置如图丙所示.
① 小明遗漏的实验操作是__________________:
② 小华通过正确实验操作也进行了上述实验,小明发现他与小华的实验结论一致. 遗漏的实验操作并未影响结论,你认为其原因是______:
③ 小明按正确操作重新进行实验,你认为他得到的电流I与定值电阻R的倒数关系应为图乙中的图线________(a/b/c).
答案:
例7(1)如图所示 (2)右 (3)定值电阻 断路 (4)电源
① 电压表调零(校零) ② 实验时定值电阻两端电压仍保持为定值 ③ b
例7(1)如图所示 (2)右 (3)定值电阻 断路 (4)电源
① 电压表调零(校零) ② 实验时定值电阻两端电压仍保持为定值 ③ b
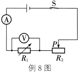
例8 用如图所示的电路探究通过导体的电流与电压、电阻的关系. 保持电源电压和电阻箱R₁的阻值不变,移动滑动变阻器R₂的滑片P,测得电流、电压如表1所示;然后将滑片移到适当位置保持不变,仅改变电阻箱R₁的阻值,测得相应的电流值,如表2所示.
表1
|序号|U₁/V|I/A|
|----|----|----|
|1|1.0|0.20|
|2|1.5|0.30|
|3|2.0|0.40|
表2
|序号|R₁/Ω|I/A|
|----|----|----|
|1|3.0|0.50|
|2|6.0|0.33|
|3|9.0|0.25|
(1)根据表1中的数据,你得出什么结论?求出R₁的阻值.
(2)分析表2中的数据,指出实验操作中存在的问题,并写出判断的理由.
(3)请利用表2中的数据求电源电压.
表1
|序号|U₁/V|I/A|
|----|----|----|
|1|1.0|0.20|
|2|1.5|0.30|
|3|2.0|0.40|
表2
|序号|R₁/Ω|I/A|
|----|----|----|
|1|3.0|0.50|
|2|6.0|0.33|
|3|9.0|0.25|
(1)根据表1中的数据,你得出什么结论?求出R₁的阻值.
(2)分析表2中的数据,指出实验操作中存在的问题,并写出判断的理由.
(3)请利用表2中的数据求电源电压.
答案:
例8(1)由表1中的数据可知,保持电源电压和电阻箱R₁的阻值不变,纵向比较表中数据,R₁两端的电压为原来的几倍,通过R₁的电流也为原来的几倍,即电阻不变时,电流与电压成正比;由欧姆定律得,R₁ = $\frac{U_{11}}{I_{1}}=\frac{1V}{0.20A}=5\Omega$ (2)探究电流与电阻的关系时,要控制电阻两端的电压不变,分析表2中的数据,根据U = IR,发现电阻两端电压是不同的,即没有移动变阻器的滑片,使电压表示数不变 (3)根据表2中第1、3次实验的数据、电阻的串联以及欧姆定律,由变阻器连入电路中的电阻不变列方程:$\frac{U}{I_{21}} - R_{21} = \frac{U}{I_{23}} - R_{23}$,即$\frac{U}{0.50A} - 3\Omega = \frac{U}{0.25A} - 9\Omega$,解得电源电压U = 3V
查看更多完整答案,请扫码查看