2025年同步轻松练习九年级化学上册人教版精编版
注:目前有些书本章节名称可能整理的还不是很完善,但都是按照顺序排列的,请同学们按照顺序仔细查找。练习册 2025年同步轻松练习九年级化学上册人教版精编版 答案主要是用来给同学们做完题方便对答案用的,请勿直接抄袭。
第77页
- 第1页
- 第2页
- 第3页
- 第4页
- 第5页
- 第6页
- 第7页
- 第8页
- 第9页
- 第10页
- 第11页
- 第12页
- 第13页
- 第14页
- 第15页
- 第16页
- 第17页
- 第18页
- 第19页
- 第20页
- 第21页
- 第22页
- 第23页
- 第24页
- 第25页
- 第26页
- 第27页
- 第28页
- 第29页
- 第30页
- 第31页
- 第32页
- 第33页
- 第34页
- 第35页
- 第36页
- 第37页
- 第38页
- 第39页
- 第40页
- 第41页
- 第42页
- 第43页
- 第44页
- 第45页
- 第46页
- 第47页
- 第48页
- 第49页
- 第50页
- 第51页
- 第52页
- 第53页
- 第54页
- 第55页
- 第56页
- 第57页
- 第58页
- 第59页
- 第60页
- 第61页
- 第62页
- 第63页
- 第64页
- 第65页
- 第66页
- 第67页
- 第68页
- 第69页
- 第70页
- 第71页
- 第72页
- 第73页
- 第74页
- 第75页
- 第76页
- 第77页
- 第78页
- 第79页
- 第80页
- 第81页
- 第82页
- 第83页
- 第84页
- 第85页
- 第86页
- 第87页
- 第88页
- 第89页
- 第90页
- 第91页
- 第92页
- 第93页
- 第94页
- 第95页
- 第96页
- 第97页
- 第98页
- 第99页
- 第100页
- 第101页
- 第102页
- 第103页
- 第104页
- 第105页
- 第106页
- 第107页
- 第108页
- 第109页
- 第110页
- 第111页
- 第112页
知识点二 水的组成及变化
1. 电解水实验

2. 电解水反应的微观解释
当水分子分解时,生成了氢原子和氧原子,2 个氢原子结合成 1 个氢分子,很多氢分子聚集成氢气;2 个氧原子结合成 1 个氧分子,很多氧分子聚集成氧气。进一步验证,在化学变化中,分子可以分为原子,原子可以
1. 电解水实验
2. 电解水反应的微观解释
当水分子分解时,生成了氢原子和氧原子,2 个氢原子结合成 1 个氢分子,很多氢分子聚集成氢气;2 个氧原子结合成 1 个氧分子,很多氧分子聚集成氧气。进一步验证,在化学变化中,分子可以分为原子,原子可以
结合成新的分子
。
答案:
1. 氧气 氢气 氢元素和氧元素
2. 结合成新的分子
2. 结合成新的分子
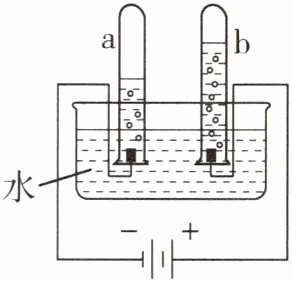
例 2 电解水的实验装置如下图所示。下列说法正确的是(

A.试管 b 中得到的是氢气
B.电解产生的氢气与氧气的体积比约为 1:2
C.该实验说明水由氢气和氧气组成
D.可用燃着的木条检验生成的氧气
解析 试管 b 中电极与电源正极相连,试管 b 中产生的是氧气,故 A 项错误。电解产生的氢气与氧气的体积比约为 2:1,故 B 项错误。电解水实验说明水由氢元素和氧元素组成,故 C 项错误。氧气能支持燃烧,可以使燃着的木条燃烧得更旺,故 D 项正确。
答案 D
D
)A.试管 b 中得到的是氢气
B.电解产生的氢气与氧气的体积比约为 1:2
C.该实验说明水由氢气和氧气组成
D.可用燃着的木条检验生成的氧气
解析 试管 b 中电极与电源正极相连,试管 b 中产生的是氧气,故 A 项错误。电解产生的氢气与氧气的体积比约为 2:1,故 B 项错误。电解水实验说明水由氢元素和氧元素组成,故 C 项错误。氧气能支持燃烧,可以使燃着的木条燃烧得更旺,故 D 项正确。
答案 D
答案:
例 2 D
查看更多完整答案,请扫码查看