2025年暑假生活北京师范大学出版社高一物理人教版
注:目前有些书本章节名称可能整理的还不是很完善,但都是按照顺序排列的,请同学们按照顺序仔细查找。练习册 2025年暑假生活北京师范大学出版社高一物理人教版 答案主要是用来给同学们做完题方便对答案用的,请勿直接抄袭。
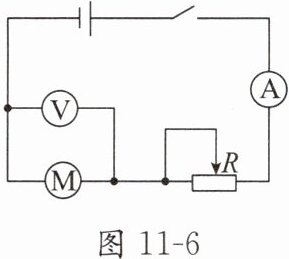
7. (多选) 在研究微型电动机的性能时, 可采用图 11-6 所示的实验电路, 电路中电表均为理想电表. 当调节滑动变阻器 $ R $, 使电动机停止转动时, 电流表和电压表的示数分别为 $ 0.5 \mathrm{~A} $ 和 $ 1.0 \mathrm{~V} $; 重新调节 $ R $, 使电动机恢复正常运转时, 电流表和电压表的示数分别为 $ 2.0 \mathrm{~A} $ 和 $ 15.0 \mathrm{~V} $. 则当这台电动机正常运转时 (

A.电动机的内阻为 $ 2 \Omega $
B.电动机的内阻为 $ 7.5 \Omega $
C.电动机的输出功率为 $ 30 \mathrm{~W} $
D.电动机的输出功率为 $ 22 \mathrm{~W} $
AD
).A.电动机的内阻为 $ 2 \Omega $
B.电动机的内阻为 $ 7.5 \Omega $
C.电动机的输出功率为 $ 30 \mathrm{~W} $
D.电动机的输出功率为 $ 22 \mathrm{~W} $
答案:
AD 解析:电动机停止转动时可把电动机看成纯电阻,由欧姆定律可得电动机的内阻 $ r = \frac{U_{1}}{I_{1}} = \frac{1.0V}{0.5A} = 2Ω $,故选项 A 正确,选项 B 错误;电动机正常运转时消耗电能并将其转化为输出功和热能,因此电动机输出功率 $ P_{出} = UI - I^{2}r = 22W $,故选项 C 错误,选项 D 正确.
8. (多选) 一台小型电动机在 $ 380 \mathrm{~V} $ 电压下正常工作时, 能将 $ 30 \mathrm{~kg} $ 的货物在 $ 30 \mathrm{~s} $ 内匀速提升 $ 30 \mathrm{~m} $, 通过它的电流是 $ 1 \mathrm{~A} $. 除电动机线圈生热, 其他能量损失不计, 重力加速度 $ g $ 取 $ 10 \mathrm{~m} / \mathrm{s}^{2} $. 则 (
A.拉力的功率为 $ 300 \mathrm{~W} $
B.电动机的输出功率为 $ 300 \mathrm{~W} $
C.电动机线圈产生的热量为 $ 2400 \mathrm{~J} $
D.电动机线圈产生的热量为 $ 2200 \mathrm{~J} $
ABC
).A.拉力的功率为 $ 300 \mathrm{~W} $
B.电动机的输出功率为 $ 300 \mathrm{~W} $
C.电动机线圈产生的热量为 $ 2400 \mathrm{~J} $
D.电动机线圈产生的热量为 $ 2200 \mathrm{~J} $
答案:
ABC 解析:货物匀速上升,故拉力等于重力,故有 $ F = mg = 30 × 10N = 300N $,上升的速度 $ v = \frac{h}{t} = \frac{30m}{30s} = 1m/s $,故拉力的功率为 $ P = Fv = 300 × 1W = 300W $,电动机的输出功率 $ P_{出} = P = 300W $,选项 A、B 正确;由能量守恒定律可知 $ Q = IUt - mgh = (1 × 380 × 30 - 300 × 30)J = 2400J $,选项 C 正确,选项 D 错误.
9. (多选) 智能手机屏幕的光线过强会对眼睛有害, 因此手机都有一项可以调节亮度的功能, 该功能既可以自动调节, 也可以手动调节. 某兴趣小组为了模拟该功能, 设计了图 11-7 所示的电路. 闭合开关, 下列说法正确的是 (
A.仅光照变强, 小灯泡变亮
B.仅光照变弱, 小灯泡变亮
C.仅将滑片向 $ a $ 端滑动, 小灯泡变亮
D.仅将滑片向 $ b $ 端滑动, 小灯泡变亮
AC
).A.仅光照变强, 小灯泡变亮
B.仅光照变弱, 小灯泡变亮
C.仅将滑片向 $ a $ 端滑动, 小灯泡变亮
D.仅将滑片向 $ b $ 端滑动, 小灯泡变亮
答案:
AC 解析:仅光照变强,光敏电阻的阻值变小,则总电阻变小,由闭合电路欧姆定律可知总电流增大,灯泡的功率变大,灯泡变亮,选项 A 正确;同理分析,仅光照变弱,灯泡变暗,选项 B 错误;仅将滑片向 $ a $ 端滑动,接入电路的有效阻值变小,则总电阻变小,总电流增大,灯泡的功率变大,灯泡变亮,选项 C 正确;同理分析,仅将滑片向 $ b $ 端滑动,灯泡变暗,选项 D 错误.
10. 在图 11-8 所示的电路中, $ R_{1}= 9 \Omega, R_{2}= 30 \Omega, \mathrm{S} $ 闭合时, 理想电压表 $ \mathrm{V} $ 的示数为 $ 11.4 \mathrm{~V} $, 理想电流表 $ \mathrm{A} $ 的示数为 $ 0.2 \mathrm{~A} $; $ \mathrm{S} $ 断开时, 理想电流表 $ \mathrm{A} $ 的示数为 $ 0.3 \mathrm{~A} $. 求:

(1) 电阻 $ R_{3} $ 的阻值;
(2) 电源电动势 $ E $ 和内阻 $ r $.
(1) 电阻 $ R_{3} $ 的阻值;
(2) 电源电动势 $ E $ 和内阻 $ r $.
答案:
(1)$ 15Ω $
(2)$ 12V $ $ 1Ω $ 解析:
(1)S 闭合时,$ R_{2} $ 两端电压 $ U_{2} = I_{2}R_{2} = 6V $ 所以 $ R_{1} $ 两端电压 $ U_{1} = U - U_{2} = 5.4V $ 通过 $ R_{1} $ 的电流 $ I_{1} = \frac{U_{1}}{R_{1}} = 0.6A $ 通过 $ R_{3} $ 的电流 $ I_{3} = I_{1} - I_{2} = 0.6A - 0.2A = 0.4A $ 所以 $ R_{3} = \frac{U_{2}}{I_{3}} = 15Ω $
(2)由闭合电路欧姆定律,S 闭合时有 $ E = U + I_{1}r $ S 断开时有 $ E = I(R_{1} + R_{2} + r) $ 联立解得 $ E = 12V $,$ r = 1Ω $
(1)$ 15Ω $
(2)$ 12V $ $ 1Ω $ 解析:
(1)S 闭合时,$ R_{2} $ 两端电压 $ U_{2} = I_{2}R_{2} = 6V $ 所以 $ R_{1} $ 两端电压 $ U_{1} = U - U_{2} = 5.4V $ 通过 $ R_{1} $ 的电流 $ I_{1} = \frac{U_{1}}{R_{1}} = 0.6A $ 通过 $ R_{3} $ 的电流 $ I_{3} = I_{1} - I_{2} = 0.6A - 0.2A = 0.4A $ 所以 $ R_{3} = \frac{U_{2}}{I_{3}} = 15Ω $
(2)由闭合电路欧姆定律,S 闭合时有 $ E = U + I_{1}r $ S 断开时有 $ E = I(R_{1} + R_{2} + r) $ 联立解得 $ E = 12V $,$ r = 1Ω $
11. (2023·海南卷) 如图 11-9 所示电路, 已知电源电动势为 $ E $, 内阻不计, 电容器电容为 $ C $, 闭合开关 $ \mathrm{S} $, 待电路稳定后, 电容器上的电荷量为 (

A.$ C E $
B.$ \frac{1}{2} C E $
C.$ \frac{2}{5} C E $
D.$ \frac{3}{5} C E $
C
).A.$ C E $
B.$ \frac{1}{2} C E $
C.$ \frac{2}{5} C E $
D.$ \frac{3}{5} C E $
答案:
C 解析:电路稳定后,整个电路可看成电阻为 $ 3R $、$ 2R $ 的电阻串联,电阻为 $ R $、$ 4R $ 的电阻串联,然后二者并联. 若取电源负极为零电势点,则电容器上极板的电势为 $ \varphi_{1} = \frac{E}{5R} \cdot 2R = \frac{2}{5}E $,电容器下极板的电势为 $ \varphi_{2} = \frac{E}{5R} \cdot 4R = \frac{4}{5}E $,则电容器两端的电压 $ U = \varphi_{2} - \varphi_{1} = \frac{2}{5}E $,电容器上的电荷量为 $ Q = CU = \frac{2}{5}CE $,选项 C 正确.
查看更多完整答案,请扫码查看