2026年中考真题汇编九年级物理
注:目前有些书本章节名称可能整理的还不是很完善,但都是按照顺序排列的,请同学们按照顺序仔细查找。练习册 2026年中考真题汇编九年级物理 答案主要是用来给同学们做完题方便对答案用的,请勿直接抄袭。
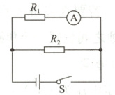
10. 图示电路中,电源电压保持不变,R₁、R₂均为定值电阻,其中R₁=10Ω。闭合开关S,电流表的示数为0.20A,通电10s整个电路共产生6J的热量,则电阻R₂产生的热量为

2
J。
答案:
10.2
11. 电给我们的生活带来了极大的便利,但不规范用电会带来很大危害,甚至会危及生命。关于安全用电,下列做法正确的是(
A.断开开关后更换灯泡
B.用湿手触摸家庭电路中的开关
C.用湿抹布擦拭工作中的用电器
D.拽着插头后面的电线把插头从插座里拔出来
A
)A.断开开关后更换灯泡
B.用湿手触摸家庭电路中的开关
C.用湿抹布擦拭工作中的用电器
D.拽着插头后面的电线把插头从插座里拔出来
答案:
11.A
12. 下列现象中能够说明分子间有引力的是(
A.液体很难被压缩
B.铁丝很难被拉伸
C.墨水在热水中扩散得较快
D.水与酒精混合后总体积减小
B
)A.液体很难被压缩
B.铁丝很难被拉伸
C.墨水在热水中扩散得较快
D.水与酒精混合后总体积减小
答案:
12.B
13. 如图所示,用橡胶小锤敲击音叉,音叉发出的声音用话筒接收,将声信号转换成电信号,这个带有声音特征的电信号通过示波器中的波形图显示出来。下列说法正确的是(

A.声音是由物体的振动产生的
B.声音的传播不需要介质
C.话筒的工作原理是磁场对通电导线的作用
D.用大小不同的力敲击同一音叉发出的声音,经示波器显示出来的振幅相同
A
)A.声音是由物体的振动产生的
B.声音的传播不需要介质
C.话筒的工作原理是磁场对通电导线的作用
D.用大小不同的力敲击同一音叉发出的声音,经示波器显示出来的振幅相同
答案:
13.A
14. 如图所示,M、N为两个相同的验电器,M带正电,N带负电,M的金属箔张开的角度大于N的金属箔张开的角度。若用一带绝缘柄的金属棒把M和N的金属球连接起来,则(

A.电子从M转移到N
B.金属棒中始终有电流
C.产生的电流方向从N流向M
D.M的金属箔张开的角度减小
D
)A.电子从M转移到N
B.金属棒中始终有电流
C.产生的电流方向从N流向M
D.M的金属箔张开的角度减小
答案:
14.D
15. 某兴趣小组为了研究利用单刀双掷开关控制小直流电动机的正转、反转和不转,设计了如图所示的电路,S₁、S₂为单刀双掷开关,L₁、L₂为指示灯。规定电流从电动机M的左端流入,电动机正转。下列说法正确的是(

A.S₁接1、S₂接4时,L₁、L₂均发光,电动机不转
B.S₁接1、S₂接3时,只有L₁发光,电动机反转
C.S₁接2、S₂接4时,只有L₂发光,电动机反转
D.S₁接2、S₂接3时,L₁、L₂均发光,电动机正转
C
)A.S₁接1、S₂接4时,L₁、L₂均发光,电动机不转
B.S₁接1、S₂接3时,只有L₁发光,电动机反转
C.S₁接2、S₂接4时,只有L₂发光,电动机反转
D.S₁接2、S₂接3时,L₁、L₂均发光,电动机正转
答案:
15.C
16. 如图所示,叠放在水平面上的甲、乙两个长方体物块,在水平拉力F的作用下,一起以速度v向左做匀速直线运动,下列说法正确的是(

A.甲对乙的摩擦力方向水平向左
B.水平面对甲的摩擦力方向水平向右
C.乙对甲的压力和水平面对甲的支持力是一对平衡力
D.乙受到的重力和甲对乙的支持力是一对相互作用力
B
)A.甲对乙的摩擦力方向水平向左
B.水平面对甲的摩擦力方向水平向右
C.乙对甲的压力和水平面对甲的支持力是一对平衡力
D.乙受到的重力和甲对乙的支持力是一对相互作用力
答案:
16.B
17. 如图所示的电路中,电源电压保持不变,R₁为滑动变阻器,R₂和R₃为定值电阻。闭合开关S,在保证电路元件安全的前提下,将滑动变阻器的滑片P由b端移至a端,电压表V₁、电压表V₂、电流表A示数变化量的绝对值分别为ΔU₁、ΔU₂、ΔI。则(

A.电流表A的示数变小
B.电压表V₂的示数变大
C.ΔU₁与ΔI的比值等于R₂的阻值
D.ΔU₂与ΔI的比值等于R₃的阻值
D
)A.电流表A的示数变小
B.电压表V₂的示数变大
C.ΔU₁与ΔI的比值等于R₂的阻值
D.ΔU₂与ΔI的比值等于R₃的阻值
答案:
17.D
查看更多完整答案,请扫码查看