7.某同学在探究弹簧的特点时,得出了弹簧受到的拉力与弹簧的长度的关系(如图所示),请回答下列问题。

(1)这根弹簧的原长是
(2)弹簧在受到6 N的拉力时,弹簧比原来伸长了
(3)用此弹簧制作的弹簧测力计的测量范围是
(1)这根弹簧的原长是
2
cm。(2)弹簧在受到6 N的拉力时,弹簧比原来伸长了
6
cm,此时弹簧发生了弹性形变。(3)用此弹簧制作的弹簧测力计的测量范围是
0~6 N
。
答案:
(1)2
(2)6
(3)0~6 N
(1)2
(2)6
(3)0~6 N
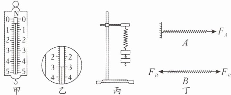
8.小丁在练习使用弹簧测力计时,先将弹簧测力计竖直放置,反复几次轻拉挂钩后,弹簧测力计的指针位置如图甲所示。

(1)小丁将某物体悬挂好后,指针指在如图乙所示的位置,该物体的重力为
(2)在老师的指导下,小丁调整好了弹簧测力计,继续探究弹簧测力计的制作原理。
①除了需要如图丙所示的实验仪器以外,还需要的测量仪器是
②实验后,记录数据如下表:
|实验序号|1|2|3|4|5|6|7|8|
|拉力/N|0|0.5|1.0|1.5|2.0|2.5|3.0|4.0|
|弹簧伸长量ΔL/cm|0|0.4|0.8|1.2|1.6|2.0|2.4|2.4|

分析实验数据可知弹簧测力计的原理:在一定范围内,弹簧的伸长量和弹簧受到的拉力成
(3)选取完全相同的两根轻质弹簧A、B,进行如图丁所示实验。
①将A弹簧左端固定在墙上,用大小为Fₐ的力水平拉A的右端,A伸长的长度为L。
②在B弹簧左右两端施加大小均为F_B的水平拉力,B伸长的长度也为L,则Fₐ
(1)小丁将某物体悬挂好后,指针指在如图乙所示的位置,该物体的重力为
2.6
N。(2)在老师的指导下,小丁调整好了弹簧测力计,继续探究弹簧测力计的制作原理。
①除了需要如图丙所示的实验仪器以外,还需要的测量仪器是
刻度尺
。②实验后,记录数据如下表:
|实验序号|1|2|3|4|5|6|7|8|
|拉力/N|0|0.5|1.0|1.5|2.0|2.5|3.0|4.0|
|弹簧伸长量ΔL/cm|0|0.4|0.8|1.2|1.6|2.0|2.4|2.4|
分析实验数据可知弹簧测力计的原理:在一定范围内,弹簧的伸长量和弹簧受到的拉力成
正比
(填“正比”或“反比”)。(3)选取完全相同的两根轻质弹簧A、B,进行如图丁所示实验。
①将A弹簧左端固定在墙上,用大小为Fₐ的力水平拉A的右端,A伸长的长度为L。
②在B弹簧左右两端施加大小均为F_B的水平拉力,B伸长的长度也为L,则Fₐ
=
F_B。(填“>”“<”或“=”)
答案:
(1)2.6
(2)①刻度尺 ②正比
(3)②=
(1)2.6
(2)①刻度尺 ②正比
(3)②=
查看更多完整答案,请扫码查看