第39页
- 第1页
- 第2页
- 第3页
- 第4页
- 第5页
- 第6页
- 第7页
- 第8页
- 第9页
- 第10页
- 第11页
- 第12页
- 第13页
- 第14页
- 第15页
- 第16页
- 第17页
- 第18页
- 第19页
- 第20页
- 第21页
- 第22页
- 第23页
- 第24页
- 第25页
- 第26页
- 第27页
- 第28页
- 第29页
- 第30页
- 第31页
- 第32页
- 第33页
- 第34页
- 第35页
- 第36页
- 第37页
- 第38页
- 第39页
- 第40页
- 第41页
- 第42页
- 第43页
- 第44页
- 第45页
- 第46页
- 第47页
- 第48页
- 第49页
- 第50页
- 第51页
- 第52页
- 第53页
- 第54页
- 第55页
- 第56页
- 第57页
- 第58页
- 第59页
- 第60页
- 第61页
- 第62页
- 第63页
- 第64页
- 第65页
- 第66页
- 第67页
- 第68页
- 第69页
- 第70页
- 第71页
- 第72页
- 第73页
- 第74页
- 第75页
- 第76页
- 第77页
- 第78页
- 第79页
- 第80页
- 第81页
- 第82页
- 第83页
- 第84页
- 第85页
4. 如图15-22所示,电源电压保持$6V$,闭合开关$S$后,电压表的示数是$1.8V$,则$L_{2}$两端的电压是(

A.$6V$
B.$4.2V$
C.$0V$
D.$1.8V$
B
)。A.$6V$
B.$4.2V$
C.$0V$
D.$1.8V$
答案:
B
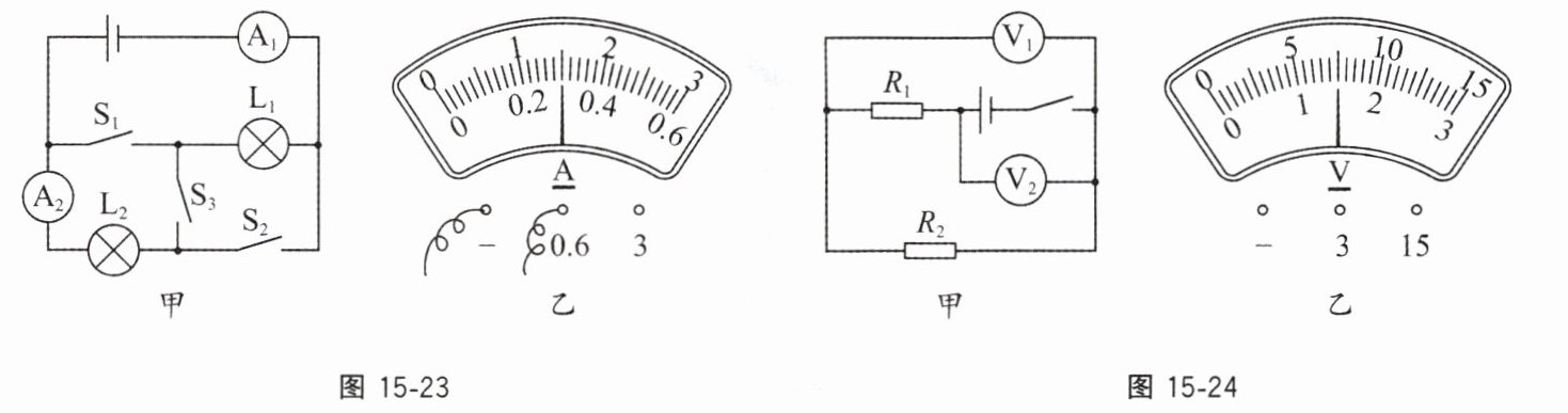
5. 认真观察电路图15-23甲,分析并解答下列问题:

(1)当只闭合开关$S_{3}$时,电流表$A_{1}$的示数
(2)当只闭合开关$S_{1}$、$S_{2}$时,灯泡$L_{1}和L_{2}$
(1)当只闭合开关$S_{3}$时,电流表$A_{1}$的示数
=
(选填“$>$”、“$<$”或“$=$”)电流表$A_{2}$的示数。(2)当只闭合开关$S_{1}$、$S_{2}$时,灯泡$L_{1}和L_{2}$
并
(选填“串”或“并”)联;电流表$A_{2}$的示数如图乙所示,电流表$A_{1}的示数为0.8A$,则通过$L_{1}的电流I_{1}$是0.5
$A$。
答案:
(1)= (2)并 0.5
6. 如图15-24甲所示,当闭合开关、用电器正常工作时,电压表$V_{1}和V_{2}$的指针位置完全一样,如图乙所示,则$R_{1}$两端的电压为

6
$V$,$R_{2}$两端的电压为1.5
$V$。
答案:
6 1.5
查看更多完整答案,请扫码查看