【实验原理】(教材 P74,“探究影响摩擦力大小的因素”;请仔细阅读实验的操作要点及实验的结论。)
【实验新情景】
小张“探究滑动摩擦力大小与什么因素有关”,他猜想影响滑动摩擦力大小的因素可能有:①接触面所受压力大小;②接触面粗糙程度;③接触面积的大小。接下来小张通过实验操作验证他的猜想。
木板 木板 棉布

(1)首先要解决如何测量滑动摩擦力。实验中小张应该用弹簧测力计拉着木块沿______方向在长木板做______运动,这样读出弹簧测力计所示的拉力就可以得到木块与长木板之间的滑动摩擦力,这是利用了______的原理。
(2)比较甲、乙两次实验,可研究滑动摩擦力的大小与______的关系。
(3)如果小张要探究猜想②,他应该选择______两个实验步骤来操作。
(4)小张要探究猜想③,于是他在实验甲的基础上,将木块沿竖直方向切成两部分继续进行实验,将测得的数据记录在表格中,由表中数据得出:滑动摩擦力的大小跟接触面积大小有关。这种做法______(填“正确”或“错误”),理由是______。
|次数|木块大小|接触面积$S(cm^2)$|摩擦力f(N)|
|1|整块|150|1.5|
|2|三分之二块|100|1.0|
|3|三分之一块|50|0.6|

(5)其实只要利用图甲的器材就可以探究猜想③,请写出实验的方案:______。
(6)本实验存在的一个操作上的难点是:在拉动木块的时候很难保持匀速运动,弹簧测力计的示数不稳定,导致该现象的原因是______(填序号:①“滑动摩擦力”或②“手对弹簧测力计拉力”)大小变化导致的。
【实验新情景】
小张“探究滑动摩擦力大小与什么因素有关”,他猜想影响滑动摩擦力大小的因素可能有:①接触面所受压力大小;②接触面粗糙程度;③接触面积的大小。接下来小张通过实验操作验证他的猜想。
木板 木板 棉布
(1)首先要解决如何测量滑动摩擦力。实验中小张应该用弹簧测力计拉着木块沿______方向在长木板做______运动,这样读出弹簧测力计所示的拉力就可以得到木块与长木板之间的滑动摩擦力,这是利用了______的原理。
(2)比较甲、乙两次实验,可研究滑动摩擦力的大小与______的关系。
(3)如果小张要探究猜想②,他应该选择______两个实验步骤来操作。
(4)小张要探究猜想③,于是他在实验甲的基础上,将木块沿竖直方向切成两部分继续进行实验,将测得的数据记录在表格中,由表中数据得出:滑动摩擦力的大小跟接触面积大小有关。这种做法______(填“正确”或“错误”),理由是______。
|次数|木块大小|接触面积$S(cm^2)$|摩擦力f(N)|
|1|整块|150|1.5|
|2|三分之二块|100|1.0|
|3|三分之一块|50|0.6|
(5)其实只要利用图甲的器材就可以探究猜想③,请写出实验的方案:______。
(6)本实验存在的一个操作上的难点是:在拉动木块的时候很难保持匀速运动,弹簧测力计的示数不稳定,导致该现象的原因是______(填序号:①“滑动摩擦力”或②“手对弹簧测力计拉力”)大小变化导致的。
答案:
(1)水平 匀速直线 二力平衡
(2)压力大小
(3)甲、丙
(4)错误 没有控制压力大小不变
(5)把甲中的长方形木块分别平放、侧放或立放在水平木板上,然后用弹簧测力计沿水平方向匀速拉动木块,读出示数并比较、判断
(6)②
(1)水平 匀速直线 二力平衡
(2)压力大小
(3)甲、丙
(4)错误 没有控制压力大小不变
(5)把甲中的长方形木块分别平放、侧放或立放在水平木板上,然后用弹簧测力计沿水平方向匀速拉动木块,读出示数并比较、判断
(6)②
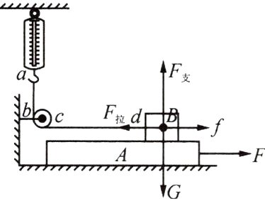
用如图所示的实验装置可以方便测量物体相对运动时摩擦力的大小。木板A足够长,细绳的ab段保持竖直,cd段保持水平(不计细绳重力和滑轮上的摩擦)。

(1)用水平拉力F拉动木板A向右运动,弹簧测力计示数为3N,此时木块B受到的摩擦力大小为______N。接着将拉力F增大一倍,木块B受到的摩擦力会______(填“变大”“变小”或“不变”),原因是______。
(2)画出此时物体B的受力示意图。______
(1)用水平拉力F拉动木板A向右运动,弹簧测力计示数为3N,此时木块B受到的摩擦力大小为______N。接着将拉力F增大一倍,木块B受到的摩擦力会______(填“变大”“变小”或“不变”),原因是______。
(2)画出此时物体B的受力示意图。______
答案:
(1)3 不变 木块B对木板A的压力大小和接触面粗糙程度都不变,所以摩擦力不变
(2)
(1)3 不变 木块B对木板A的压力大小和接触面粗糙程度都不变,所以摩擦力不变
(2)
查看更多完整答案,请扫码查看