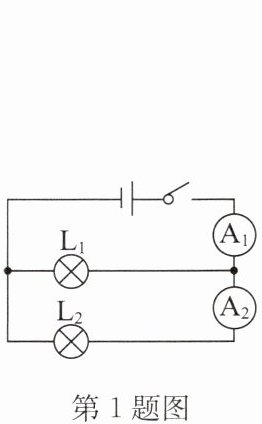
1. 在如图所示的电路图中,闭合开关,电流表$A_{1}的示数为0.6A$,电流表$A_{2}的示数为0.2A$,则通过灯泡$L_{1}$的电流为

0.4
A,通过灯泡$L_{2}$的电流为0.2
A.
答案:
0.4 0.2
2. 在如图所示的电路中,闭合开关后,电压表$V_{1}的示数为3V$,则电压表$V_{2}$的示数为

3
V,电压表$V$的示数为3
V.
答案:
3 3
3. (2024·源汇区校级期末)某间多媒体教室安装有$20$盏“$220V\ \ 0.18A$”规格相同的护眼灯,全部同时正常工作时,通过门边总控开关的电流是(
A.$0.18A$
B.$1.8A$
C.$3.6A$
D.$0.36A$
C
)A.$0.18A$
B.$1.8A$
C.$3.6A$
D.$0.36A$
答案:
C
4. (2025·相城区模拟)甲、乙两灯正常发光时的电压均为$6V$,如图是甲、乙两灯的电流随其两端电压变化的曲线.现将两灯串联后接在某一电路中,要使其中一只灯泡正常发光并保证电路安全,电路的工作电流应为(

A.$0.3A$
B.$0.5A$
C.$0.9A$
D.$1.0A$
B
)A.$0.3A$
B.$0.5A$
C.$0.9A$
D.$1.0A$
答案:
B
5. (2024·仪征期末)如图甲所示,闭合开关后,两只电压表$V_{1}和V_{2}$的指针偏转角度相同,位置如图乙所示.下列说法正确的是(

A.灯$L_{2}两端的电压为2.4V$
B.灯$L_{1}两端的电压为9.6V$
C.若$L_{1}$灯丝烧断,则电压表$V_{2}$的示数变小
D.若灯$L_{2}$发生短路,则电压表$V_{2}的示数为12V$
D
)A.灯$L_{2}两端的电压为2.4V$
B.灯$L_{1}两端的电压为9.6V$
C.若$L_{1}$灯丝烧断,则电压表$V_{2}$的示数变小
D.若灯$L_{2}$发生短路,则电压表$V_{2}的示数为12V$
答案:
D
查看更多完整答案,请扫码查看