2025年暑假生活北京师范大学出版社八年级物理人教版
注:目前有些书本章节名称可能整理的还不是很完善,但都是按照顺序排列的,请同学们按照顺序仔细查找。练习册 2025年暑假生活北京师范大学出版社八年级物理人教版 答案主要是用来给同学们做完题方便对答案用的,请勿直接抄袭。
1. 下列说法正确的是(
A.相互接触的物体之间一定存在弹力作用
B.把橡皮泥捏成各种形状,橡皮泥发生的是弹性形变
C.弹簧的弹力总是跟弹簧的长度成正比
D.测力前,需对弹簧测力计调零,还要来回拉动挂钩几次
D
)。A.相互接触的物体之间一定存在弹力作用
B.把橡皮泥捏成各种形状,橡皮泥发生的是弹性形变
C.弹簧的弹力总是跟弹簧的长度成正比
D.测力前,需对弹簧测力计调零,还要来回拉动挂钩几次
答案:
D
2. 如图6-1所示,一个足球放在一块长木板上,木板和足球均发生了弹性形变。关于它们的弹力情况,下列说法错误的是(

A.木板形变是由木板产生弹力而造成的
B.足球产生的弹力是由足球的形变造成的
C.足球受到的支持力是木板产生的弹力
D.足球产生的弹力就是足球对木板的压力
A
)。A.木板形变是由木板产生弹力而造成的
B.足球产生的弹力是由足球的形变造成的
C.足球受到的支持力是木板产生的弹力
D.足球产生的弹力就是足球对木板的压力
答案:
A
3. 【传统文化】明代科学家宋应星所著的《天工开物》是世界上第一部关于农业和手工业生产的综合性著作。如图6-2所示,在书中记载的“悬弓弹棉”中,将木弓用细绳吊在一根竹竿上,竹竿发生了

弹性形变
产生弹力;然后用木槌频频击打弓弦,使板上棉花疏松的力的施力物体为弓弦
(选填“竹竿”“木槌”或“弓弦”)。
答案:
弹性形变 弓弦
4. 某弹簧不挂物体时,长度为12 cm;受到2 N的拉力时,长度为13 cm。若弹簧受到6 N的拉力,则弹簧长度为
15
cm。若弹簧长度为18 cm,则弹簧受到的拉力是12
N。(弹簧始终在弹性限度内)
答案:
15 12
5. 小铁球从高处下落,压缩地面上的弹簧,如图6-3所示,请在图中画出小铁球受到的弹力的示意图(O点为作用点)。


答案:
【解析】:
本题主要考查弹力的方向判断以及力的示意图的画法,涉及到的知识点有弹力的概念和力的示意图的绘制方法。当小铁球从高处下落压缩地面上的弹簧时,弹簧会对小铁球产生一个向上的弹力,这个弹力的作用点在题目中已给出为$O$点,方向竖直向上,我们只需要按照力的示意图的画法,用一条带箭头的线段来表示这个弹力,线段的起点为$O$点,箭头方向竖直向上,并在线段旁边标注出力的符号$F$即可。
【答案】:
图略(在$O$点处画一条竖直向上的带箭头的线段,并标注力的符号$F$)。
本题主要考查弹力的方向判断以及力的示意图的画法,涉及到的知识点有弹力的概念和力的示意图的绘制方法。当小铁球从高处下落压缩地面上的弹簧时,弹簧会对小铁球产生一个向上的弹力,这个弹力的作用点在题目中已给出为$O$点,方向竖直向上,我们只需要按照力的示意图的画法,用一条带箭头的线段来表示这个弹力,线段的起点为$O$点,箭头方向竖直向上,并在线段旁边标注出力的符号$F$即可。
【答案】:
图略(在$O$点处画一条竖直向上的带箭头的线段,并标注力的符号$F$)。
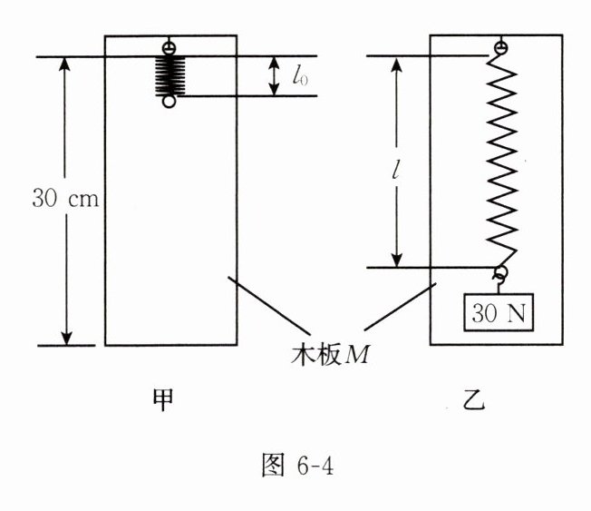
6. 小明计划制作一个简易弹簧测力计,要求:①量程为0~30 N;②分度值为1 N;③用木板M作刻度板;④相邻两刻度线之间的距离相等且适当大一些。为了满足上述要求,小明对已有的四根弹簧做了如下测试:如图6-4所示,把弹簧挂在竖直木板M上,测出弹簧原长$l_{0}$,把30 N的重物挂在弹簧下端,测出弹簧总长l,测试结果如下表。请你帮小明选择一根最合适的弹簧,并说明不选其他三根的理由。

|弹簧代号|甲|乙|丙|丁|
|$l_{0}/cm$|2.00|4.00|4.00|8.00|
|$l/cm$|20.00|22.00|6.10|35.00|
|取走重物后弹簧能否恢复原状|不能|能|能|能|
|弹簧代号|甲|乙|丙|丁|
|$l_{0}/cm$|2.00|4.00|4.00|8.00|
|$l/cm$|20.00|22.00|6.10|35.00|
|取走重物后弹簧能否恢复原状|不能|能|能|能|
答案:
应选用乙弹簧。不选用其他三根弹簧的理由是:
(1)取走重物后弹簧需恢复原状,而甲弹簧不能,所以不能选取甲弹簧。
(2)丙弹簧原长 4.00 cm,把 30 N 的重物挂在弹簧下端后,弹簧总长l=6.10 cm,形变量太小,不能满足相邻两刻度线之间的距离适当大一些的要求,所以不能选取丙弹簧。
(3)丁弹簧最终长度为 35.00 cm,超出了木板的下边缘,所以不能选取丁弹簧。
(1)取走重物后弹簧需恢复原状,而甲弹簧不能,所以不能选取甲弹簧。
(2)丙弹簧原长 4.00 cm,把 30 N 的重物挂在弹簧下端后,弹簧总长l=6.10 cm,形变量太小,不能满足相邻两刻度线之间的距离适当大一些的要求,所以不能选取丙弹簧。
(3)丁弹簧最终长度为 35.00 cm,超出了木板的下边缘,所以不能选取丁弹簧。
查看更多完整答案,请扫码查看