三、解答题(共 45 分)
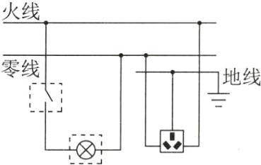
15. (6 分)请在图中虚线框内画出开关 S 和电灯 L 的符号,并用笔画线代替导线将三孔插座接入电路.

15. (6 分)请在图中虚线框内画出开关 S 和电灯 L 的符号,并用笔画线代替导线将三孔插座接入电路.
答案:
15.如答图所示
第15题答图
15.如答图所示
第15题答图
16. (15 分)如图所示电路,灯 L 标有“6V 3W”字样,开关闭合后,当滑动变阻器的滑片 P 位于最左端时,灯 L 正常发光;当滑片 P 位于中点时,灯 L 的功率为 $ P_0 $;当滑片 P 位于最右端时,灯 L 的功率为 $ \frac{9}{16}P_0 $.电源电压不变,不考虑温度对灯丝电阻的影响.求:
(1)灯 L 正常发光时的电阻.
(2)滑动变阻器的最大阻值.

(1)灯 L 正常发光时的电阻.
(2)滑动变阻器的最大阻值.
答案:
16.解:
(1)灯L正常发光时的电阻 $ R_{L} = \frac{U_{L}^{2}}{P_{L}} = \frac{(6V)^{2}}{3W} = 12\Omega $
(2)当滑动变阻器的滑片P位于最左端时,电路为灯L的简单电路,灯L正常发光,因此电源电压 $ U = U_{L} = 6V $
设滑动变阻器的最大阻值为R,当滑片P位于中点时,灯L与滑动变阻器串联,且滑动变阻器接入电路的阻值为 $ \frac{1}{2}R $,此时电路中的电流 $ I = \frac{U}{R_{L} + \frac{1}{2}R} = \frac{6V}{12\Omega + \frac{1}{2}R} $,则灯L的功率 $ P_{0} = I^{2}R_{L} = ( \frac{6V}{12\Omega + \frac{1}{2}R} )^{2} × 12\Omega $。当滑片P位于最右端时,灯L与滑动变阻器串联,且滑动变阻器接入电路的阻值为R,此时电路中的电流 $ I' = \frac{U}{R_{L} + R} = \frac{6V}{12\Omega + R} $,则灯L的功率 $ \frac{9}{16}P_{0} = I'^{2}R_{L} = ( \frac{6V}{12\Omega + R} )^{2} × 12\Omega $
联立以上两式解得滑动变阻器的最大阻值 $ R = 12\Omega $
(1)灯L正常发光时的电阻 $ R_{L} = \frac{U_{L}^{2}}{P_{L}} = \frac{(6V)^{2}}{3W} = 12\Omega $
(2)当滑动变阻器的滑片P位于最左端时,电路为灯L的简单电路,灯L正常发光,因此电源电压 $ U = U_{L} = 6V $
设滑动变阻器的最大阻值为R,当滑片P位于中点时,灯L与滑动变阻器串联,且滑动变阻器接入电路的阻值为 $ \frac{1}{2}R $,此时电路中的电流 $ I = \frac{U}{R_{L} + \frac{1}{2}R} = \frac{6V}{12\Omega + \frac{1}{2}R} $,则灯L的功率 $ P_{0} = I^{2}R_{L} = ( \frac{6V}{12\Omega + \frac{1}{2}R} )^{2} × 12\Omega $。当滑片P位于最右端时,灯L与滑动变阻器串联,且滑动变阻器接入电路的阻值为R,此时电路中的电流 $ I' = \frac{U}{R_{L} + R} = \frac{6V}{12\Omega + R} $,则灯L的功率 $ \frac{9}{16}P_{0} = I'^{2}R_{L} = ( \frac{6V}{12\Omega + R} )^{2} × 12\Omega $
联立以上两式解得滑动变阻器的最大阻值 $ R = 12\Omega $
17. (12 分)实验室里有一小灯泡的铭牌模糊不清,只能看清小灯泡的额定电流 $ I_{额} = 0.3A $,为了测出该小灯泡的额定功率,小明和小华分别设计了两种不同的测量方案,请你帮助完善.
方案一:
(1)请用笔画线代替导线帮小明补全图甲的实物电路.(要求:只连一根导线且不交叉)

(2)图甲中,闭合开关前,滑片 P 应位于
(3)当滑动变阻器的滑片位于某位置时,电流表的示数为 0.2A,为了测出小灯泡的额定功率,应向
(4)当电流表的示数为 0.3A 时,电压表的示数如图乙所示,则小灯泡的额定功率为
方案二:
(5)小华同学设计了如图丙所示的电路图,电源电压不变,$ R_1 $ 和 $ R_2 $ 为滑动变阻器,$ R_2 $ 的最大电阻为 $ R_0 $,实验步骤如下:
① 闭合开关 S 和 $ S_1 $,断开 $ S_2 $,调节 $ R_2 $,使电流表的示数为 0.3A;
② 保持 $ R_2 $ 滑片的位置不变,闭合开关 S 和 $ S_2 $,断开开关 $ S_1 $,调节 $ R_1 $,使电流表的示数仍为 0.3A;
③ 保持 $ R_1 $ 滑片的位置不变,接着将 $ R_2 $ 的滑片 P 调至最左端,记下电流表的示数为 $ I_1 $,再将 $ R_2 $ 的滑片 P 调至最右端,记下电流表的示数为 $ I_2 $,则小灯泡额定功率的表达式 $ P_{额} = $
方案一:
(1)请用笔画线代替导线帮小明补全图甲的实物电路.(要求:只连一根导线且不交叉)
(2)图甲中,闭合开关前,滑片 P 应位于
B
(选填“A”或“B”)端.(3)当滑动变阻器的滑片位于某位置时,电流表的示数为 0.2A,为了测出小灯泡的额定功率,应向
A
(选填“A”或“B”)端移动滑动变阻器的滑片.(4)当电流表的示数为 0.3A 时,电压表的示数如图乙所示,则小灯泡的额定功率为
0.75
W.方案二:
(5)小华同学设计了如图丙所示的电路图,电源电压不变,$ R_1 $ 和 $ R_2 $ 为滑动变阻器,$ R_2 $ 的最大电阻为 $ R_0 $,实验步骤如下:
① 闭合开关 S 和 $ S_1 $,断开 $ S_2 $,调节 $ R_2 $,使电流表的示数为 0.3A;
② 保持 $ R_2 $ 滑片的位置不变,闭合开关 S 和 $ S_2 $,断开开关 $ S_1 $,调节 $ R_1 $,使电流表的示数仍为 0.3A;
③ 保持 $ R_1 $ 滑片的位置不变,接着将 $ R_2 $ 的滑片 P 调至最左端,记下电流表的示数为 $ I_1 $,再将 $ R_2 $ 的滑片 P 调至最右端,记下电流表的示数为 $ I_2 $,则小灯泡额定功率的表达式 $ P_{额} = $
$ \frac{I_{额}^{2}I_{2}R_{0}}{I_{1} - I_{2}} $
(用 $ I_{额} $、$ R_0 $、$ I_1 $、$ I_2 $ 表示).
答案:
17.
(1)如答图所示
(2)B
(3)A
(4)0.75
(5)$ \frac{I_{额}^{2}I_{2}R_{0}}{I_{1} - I_{2}} $
第17题答图
17.
(1)如答图所示
(2)B
(3)A
(4)0.75
(5)$ \frac{I_{额}^{2}I_{2}R_{0}}{I_{1} - I_{2}} $
第17题答图
查看更多完整答案,请扫码查看