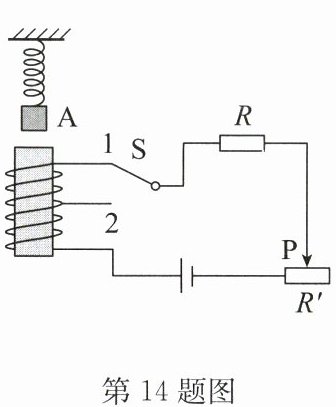
14. 如图所示,弹簧下悬挂小铁块 A. 闭合开关,电磁铁的上端为

N
极. 在滑片 P 向左滑动的过程中,弹簧将伸长
(选填“伸长”或“缩短”);保持滑片位置不变,当开关 S 由“1”接“2”时,弹簧将缩短
(选填“伸长”或“缩短”).
答案:
14.N 伸长 缩短
15. 白炽灯是一种电流通过灯丝,灯丝发热发光的照明电器,将强磁体靠近通电白炽灯的灯丝,如图所示,可以观察到灯丝

晃动
,说明通电导体在磁场中受到力的作用
,由此原理可以制成电动机
.
答案:
15.晃动 通电导体在磁场中受到力的作用 电动机
16. 如图所示,用漆包线绕制矩形线圈,将线圈两端的导线拉直,用小刀刮掉全部绝缘漆作为转轴,放到金属支架上,线圈的下面放有一块小磁体,纸做的风车固定在转动轴上,小量程电流表与金属支架相连接. 转动风车观察到的现象是

电流表的指针偏转
,说明电路中有电流产生,此过程中机械
能转化为电能;将电流表换成干电池接入电路,线圈不能
(选填“能”或“不能”)持续转动.
答案:
16.电流表的指针偏转 机械 不能
17. 如图所示,在探究条形磁体外部磁场的分布和方向实验中,为了知道在条形磁体附近 M 点的磁场方向,请你写出具体做法和判断方法:

在M点处放一个小磁针,静止时,小磁针北极所指方向就是M点的磁场方向
.
答案:
17.在M点处放一个小磁针,静止时,小磁针北极所指方向就是M点的磁场方向
查看更多完整答案,请扫码查看