7. 如图所示电路中,$A$、$B$间的电压保持不变,电阻$R_1$、$R_2$为定值电阻。断开开关$S$,甲、乙均为电流表时,甲、乙两表的示数之比为$3:4$。若闭合开关$S$,甲、乙均为电压表,则甲、乙两表的示数之比是(

A.$4:3$
B.$3:4$
C.$3:7$
D.$4:7$
B
)A.$4:3$
B.$3:4$
C.$3:7$
D.$4:7$
答案:
7.B
8. 图甲是科技小组设计的温度报警器电路工作原理图,电源电压为$6V$保持不变,定值电阻$R_0$的阻值为$20\Omega$,热敏电阻$R$的阻值随环境温度变化的关系如图乙所示,当电压表的示数大于$3V$时电路会自动报警。闭合开关,下列说法正确的是(

A.环境温度越高,热敏电阻$R$的阻值越大
B.环境温度越高,电压表示数越小
C.电压表示数为$2V$时,环境温度为$40^{\circ}C$
D.环境温度高于$50^{\circ}C$时,电路会自动报警
D
)A.环境温度越高,热敏电阻$R$的阻值越大
B.环境温度越高,电压表示数越小
C.电压表示数为$2V$时,环境温度为$40^{\circ}C$
D.环境温度高于$50^{\circ}C$时,电路会自动报警
答案:
8.D
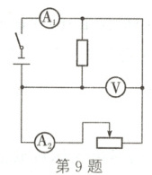
9. 如图所示的电路,闭合开关,将滑动变阻器的滑片从中点向左滑动。下列说法正确的是(

A.电流表$A_1$的示数变大
B.电压表$V$的示数变大
C.电流表$A_1$与电流表$A_2$的示数的差不变
D.电压表$V$与电流表$A_2$的示数的比值变小
C
)A.电流表$A_1$的示数变大
B.电压表$V$的示数变大
C.电流表$A_1$与电流表$A_2$的示数的差不变
D.电压表$V$与电流表$A_2$的示数的比值变小
答案:
9.C
10. 如图甲所示电路中,电源电压不变,$R_1$为定值电阻,$R_2$为滑动变阻器。闭合开关$S$,在滑片$P$从$a$端向$b$端移动的过程中,电压表和电流表示数变化情况如图乙所示,则(

A.电源电压为$4V$
B.$R_1$的阻值为$20\Omega$
C.$P$在中点时,两电表示数对应于图乙的$C$点
D.$P$在中点时,两电表示数对应于图乙的$B$点
D
)A.电源电压为$4V$
B.$R_1$的阻值为$20\Omega$
C.$P$在中点时,两电表示数对应于图乙的$C$点
D.$P$在中点时,两电表示数对应于图乙的$B$点
答案:
10.D
查看更多完整答案,请扫码查看