8. 在如图甲的电路中,当闭合开关S后,电路正常工作,两只电压表指针均为如图乙所示,则电阻R₁、R₂两端的电压分别是(

A.6V 7.5V
B.7.5V 1.5V
C.1.5V 7.5V
D.6V 1.5V
D
)A.6V 7.5V
B.7.5V 1.5V
C.1.5V 7.5V
D.6V 1.5V
答案:
8.D
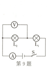
9. 如图所示的电路,闭合开关后两灯均不发光且电流表、电压表示数均为零。现将两灯泡位置互换后再次闭合开关,电流表示数仍为零,电压表指针明显偏转。根据以上信息判断该电路故障可能是(

A.L₁短路
B.L₁断路
C.L₂断路
D.L₂短路
B
)A.L₁短路
B.L₁断路
C.L₂断路
D.L₂短路
答案:
9.B
10. 物理实践活动小组利用旋钮变阻器自制了一款调光灯。如图所示,图中O、E、F、M、N为接线柱。下列说法正确的是(

A.旋钮变阻器通过改变电阻丝的横截面积改变电流
B.分别连接ME、NO,闭合开关,顺时针旋转滑片,灯泡变亮
C.分别连接MO、NF,闭合开关,逆时针旋转滑片,灯泡变暗
D.旋钮变阻器正确接入电路后与小灯泡并联
C
)A.旋钮变阻器通过改变电阻丝的横截面积改变电流
B.分别连接ME、NO,闭合开关,顺时针旋转滑片,灯泡变亮
C.分别连接MO、NF,闭合开关,逆时针旋转滑片,灯泡变暗
D.旋钮变阻器正确接入电路后与小灯泡并联
答案:
10.C
11. 如图甲是“探究串联电路电压的规律”的实验电路图。

(1)请你用笔画线代替导线在图乙中将图甲所示的电路图连接完整。
(2)连接好电路后,闭合开关,发现两灯泡都不亮,电压表示数接近电源电压,则故障原因可能是
(3)排除故障后,再次闭合开关进行实验,此时电压表的示数如图丙所示,则灯泡L₁两端的电压为
(4)实验小组为了防止偶然因素带来的影响,决定采用以下两种方案,进行多次实验:
方案一:改变电源电压,分别测出AB、BC、AC两端的电压。
方案二:改变小灯泡的规格,分别测出AB、BC、AC两端的电压。
某同学将自己所测的数据记录在表中,分析表中的数据可知,与第一次实验对比,第二次实验是采用方案(填“一”或“二”)进行的。由表中的数据可知,串联电路中,电源两端的电压
]

(1)请你用笔画线代替导线在图乙中将图甲所示的电路图连接完整。
(2)连接好电路后,闭合开关,发现两灯泡都不亮,电压表示数接近电源电压,则故障原因可能是
L₁断路
。(3)排除故障后,再次闭合开关进行实验,此时电压表的示数如图丙所示,则灯泡L₁两端的电压为
1.2
V。(4)实验小组为了防止偶然因素带来的影响,决定采用以下两种方案,进行多次实验:
方案一:改变电源电压,分别测出AB、BC、AC两端的电压。
方案二:改变小灯泡的规格,分别测出AB、BC、AC两端的电压。
某同学将自己所测的数据记录在表中,分析表中的数据可知,与第一次实验对比,第二次实验是采用方案(填“一”或“二”)进行的。由表中的数据可知,串联电路中,电源两端的电压
等于
各用电器两端电压的总和。]
答案:
11.
(1)如图所示
(2)L₁断路
(3)1.2
(4)一 等于
11.
(1)如图所示
(2)L₁断路
(3)1.2
(4)一 等于
查看更多完整答案,请扫码查看