9. 在学习完热机后,某同学设计了实验来演示热机的工作原理,如图所示,用酒精灯加热试管使水沸腾,水蒸气驱动叶轮转动,下列关于该实验分析正确的是 ( )
A. 加热试管使水沸腾,是通过热传递的方式改变水的内能
B. 叶轮转动时,水蒸气的内能转化为叶轮的机械能
C. 加热过程中,酒精灯中的酒精内能不变,热值变小
D. 增大酒精灯的火焰,可提高该装置的效率

A. 加热试管使水沸腾,是通过热传递的方式改变水的内能
B. 叶轮转动时,水蒸气的内能转化为叶轮的机械能
C. 加热过程中,酒精灯中的酒精内能不变,热值变小
D. 增大酒精灯的火焰,可提高该装置的效率
答案:
AB
10. 智能手机耗电达到一定量时,会自动提示用户采用“省电模式”,在这种模式下,可延长电池的供电时间,其原因可能是 ( )
A. 降低了电池的输出电压
B. 减小了电池的输出电流
C. 减小了电池的输出功率
D. 减小了电子线路的电阻
A. 降低了电池的输出电压
B. 减小了电池的输出电流
C. 减小了电池的输出功率
D. 减小了电子线路的电阻
答案:
BC
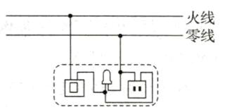
11. 如图所示是现在一般标准住宅内配电系统方框图。下列说法正确的是 ( )
A. 电能表用来计量家中所有用电器消耗的总功率
B. 空调正常工作时,吊灯不一定发光
C. 如果插座被短路,“漏电保护器”就会切断电流
D. 空气开关“跳闸”,可能是电路发生短路引起的

A. 电能表用来计量家中所有用电器消耗的总功率
B. 空调正常工作时,吊灯不一定发光
C. 如果插座被短路,“漏电保护器”就会切断电流
D. 空气开关“跳闸”,可能是电路发生短路引起的
答案:
BD
12. 如图所示是一个温度自动报警器电路图,温度计中的水银面上升到金属丝处将电磁铁电路接通,电磁铁吸引弹簧片,使电铃响,发出报警信号,当温度下降后,液面离开金属丝,电磁铁电路断开,弹簧片回到原状,绿灯发光。下列说法正确的是 ( )
A. 当温度达到72℃时,绿灯灭,电铃响
B. 电路接通时,电磁铁的上端为N极
C. 为保护工作电路,应将一定值电阻与电铃并联
D. 控制电路中电压过低时,为使电路正常工作,应将滑片P向左移动

A. 当温度达到72℃时,绿灯灭,电铃响
B. 电路接通时,电磁铁的上端为N极
C. 为保护工作电路,应将一定值电阻与电铃并联
D. 控制电路中电压过低时,为使电路正常工作,应将滑片P向左移动
答案:
BD
13. (2分)如图甲所示是某同学常用的一个插线板。他在使用中发现:插线板上的指示灯在开关断开时不发光,插孔不能提供工作电压;而在开关闭合时指示灯发光,插孔可以提供工作电压;如果指示灯损坏,开关闭合时插孔也能提供工作电压。根据上述现象,请在图乙中画出开关、指示灯和插孔的连接方式。

答案:
如图所示:
如图所示:
查看更多完整答案,请扫码查看